电脑桌面
添加小米粒文库到电脑桌面
安装后可以在桌面快捷访问

灌浆套筒利物宝技术参数

灌浆套筒利物宝技术参数_第1页
1/10
灌浆套筒利物宝技术参数_第2页
2/10
灌浆套筒利物宝技术参数_第3页
3/10
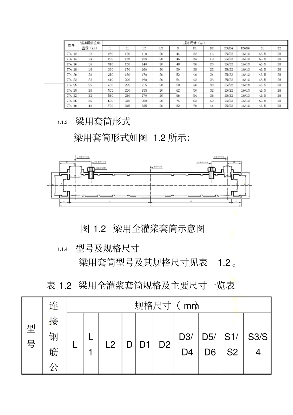
灌浆套筒 ( 利物宝 ) 技术参数上海利物宝建筑科技有限公司钢筋连接用全灌浆套筒1.套筒规格、尺寸及技术要求等1.1 形式及型号规格1.1.1 普通套筒形式本标准所指套筒为全灌浆球磨铸铁铸造套筒,其形式如图 1.1 所示:DD1L1LL2D3S1D5S2L3D2D4D6图 1.1 铸造灌浆套筒示意图1.1.2 型号及规格尺寸普通套筒型号及其规格尺寸见表1.1 。表 1.1 普通套筒型号及规格尺寸1.1.3 梁用套筒形式梁用套筒形式如图 1.2 所示:L1L2L1D1DD2D4D6S1S2S3S4D5D1D3LDD2L2图 1.2 梁用全灌浆套筒示意图1.1.4 型号及规格尺寸梁用套筒型号及其规格尺寸见表1.2 。表 1.2 梁用全灌浆套筒规格及主要尺寸一览表型号连接钢筋公规格尺寸( mm)L L1 L2 D D1 D2 D3/D4 D5/D6 S1/S2 S3/S4 称直径(mm)GT4 12 12 250 20 105 44 32 16 25/22 16/13 46.5/28 64/60 GT4 14 14 280 20 120 46 34 18 25/22 16/13 46.5/2864/60 GT4 16 16 310 20 135 48 36 20 25/22 16/13 46.5/2864/60 GT4 18 18 350 20 155 50 38 22 25/22 16/13 46.5/2864/60 GT4 20 20 370 20 165 52 40 24 25/22 16/13 46.5/2864/60 GT4 22 22 410 20 185 54 42 26 25/22 16/13 46.5/264/60 8GT4 25 25 460 20 205 58 46 30 25/22 16/13 46.5/2864/60 GT4 28 28 505 20 232.5 62 50 32 25/22 16/13 46.5/2864/60 GT4 32 32 570 20 265 66 54 36 25/22 16/13 46.5/2864/60 GT4 36 36 630 20 295 74 62 40 25/22 16/13 46.5/2864/60 GT4 40 40 700 20 330 82 70 44 25/22 16/13 46.5/2864/60 1.1.5 梁用分体式套筒形式梁用套筒形式如图 1.3 所示:LTLTDTD5D1D3L/2DD2L2D1DD2D4D6S1S2S3S4L1L2L1L/2D5D1D3LDD2L2D1DD2D4D6S1S2S3S4L1L2L1图 1.3 梁用分体式全灌浆套筒示意图1.1.6 型号及规格尺寸梁用套筒型号及其规格尺寸见表1.3 。表 1.3 梁用分体式全灌浆套筒规格及主要尺寸一览表连接钢筋公称直径(mm)套筒各部分尺寸( mm)直螺钢套尺(mL L1 L2 D D1 D2 D3/D4 D5/D6 S1/S2 S3/S4 LT 18 350 20 155 50 38 22 25/22 16/13 46.5/2864/60 75 20 370 20 165 52 40 24 25/22 16/13 46.5/2864/60 80 22 410 20 185 54 42 26 25/22 16/13 46.5/2864/60 90 25 460 20 205 58 46 30 25/22...

1、当您付费下载文档后,您只拥有了使用权限,并不意味着购买了版权,文档只能用于自身使用,不得用于其他商业用途(如 [转卖]进行直接盈利或[编辑后售卖]进行间接盈利)。
2、本站所有内容均由合作方或网友上传,本站不对文档的完整性、权威性及其观点立场正确性做任何保证或承诺!文档内容仅供研究参考,付费前请自行鉴别。
3、如文档内容存在违规,或者侵犯商业秘密、侵犯著作权等,请点击“违规举报”。

碎片内容

灌浆套筒利物宝技术参数

您可能关注的文档

确认删除?
VIP
微信客服
  • 扫码咨询
会员Q群
  • 会员专属群点击这里加入QQ群
客服邮箱
回到顶部