电脑桌面
添加小米粒文库到电脑桌面
安装后可以在桌面快捷访问

交通疏解便道施工及管线综合保护模板

交通疏解便道施工及管线综合保护模板_第1页
1/7
交通疏解便道施工及管线综合保护模板_第2页
2/7
交通疏解便道施工及管线综合保护模板_第3页
3/7
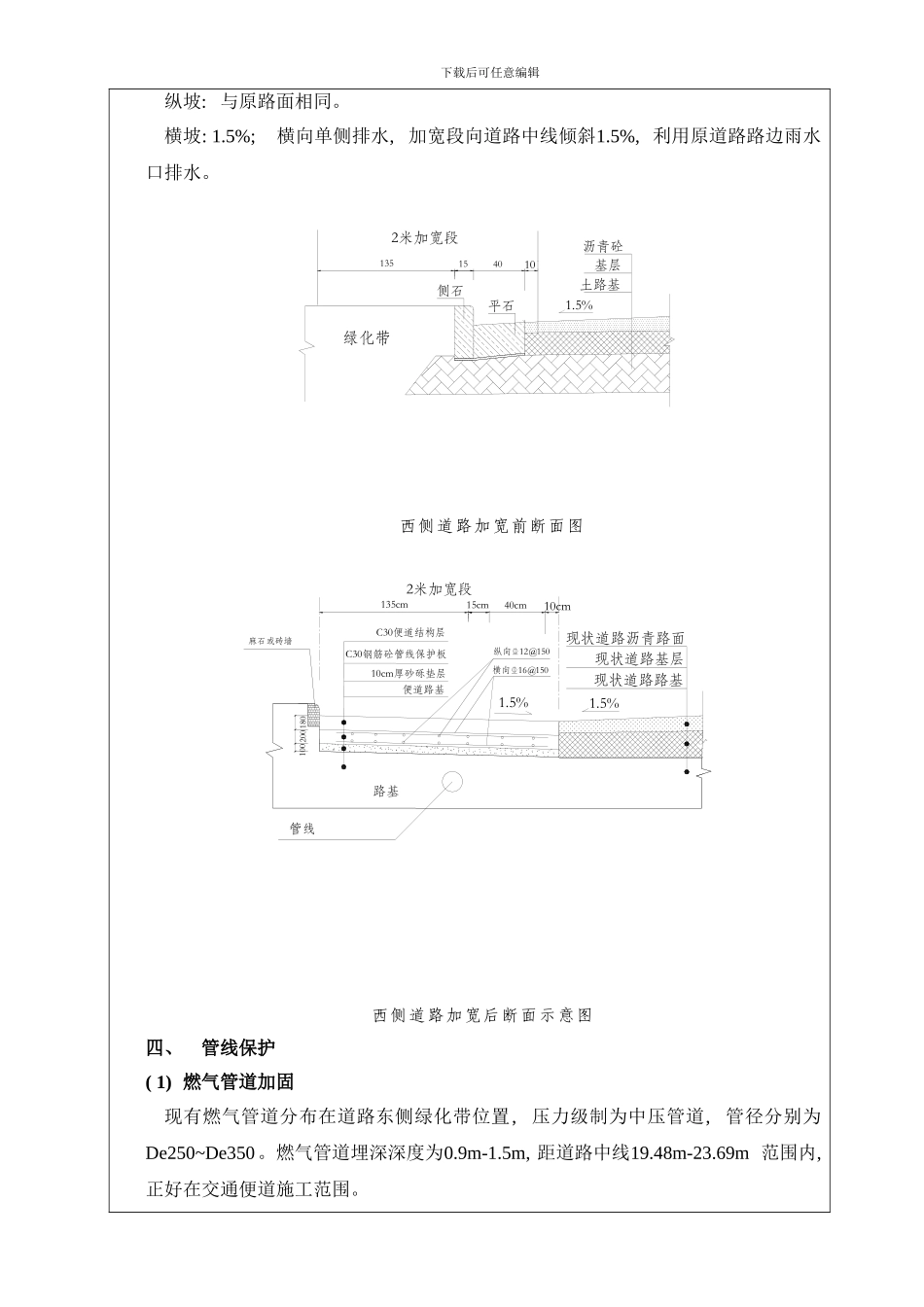
下载后可任意编辑技 术 交 底 记 录 5 月 15 日工程名称万家丽路( 福元路~湘府路) 快速化改造工程工程部位名称三分部全线( PM273 ~PM412) 工程工序名称交通疏解便道施工及管线综合保护交底内容: 本区段为万家丽路( 福元路~湘府路) 快速化改造工程三分部, 里程桩号为K9+270.212~K13+746.212, 全长约4.476 公里。根据前期交通疏解要求, 在第二阶段围挡( 宽33m, 西侧围挡距道路中线13.5m, 东侧围挡距道路中线19.5m) 施工期间, 须保证两侧社会车辆双向4 车道通行, 故必须在第二阶段围挡施工前, 在万家丽路东侧绿化带和人行道位置修筑两条3.5m宽度( 或一条7m 宽) 的交通便道; 西侧利用围挡施工后现有的道路5m, 对原绿化带位置进行2m 道路加宽。( 上述尺寸参数为标准段, 局部变宽段等特别地段便道位置除外, 见附图) 由于在绿化带和人行道中有军缆、 燃气、 给水、 电力、 弱电、 交安、 路灯等众多管线, 管线埋深深浅不一。在便道施工过程中, 路基开挖、 碾压可能会对管线安全产生较大影响。为保证管线安全以及便道工程质量, 须先对万家丽路现有管线进行加固或保护措施。一、 样沟开挖在便道需要破除或开挖现有地面、 绿化带、 人行道区域人工开挖横向样沟, 样沟宽度1m, 深度不小于1.5m, 纵向每100m 开挖1 条横向样沟, 覆盖便道宽度范围。二、 围挡施工便道施工前, 须施工临时围挡, 围挡位置为拟建4 车道内车道向内50cm 。围挡高度为2.25m, 单块宽度为3.167m, 底部为30cm 的下挡板, 挡板外侧涂刷反光黄黑相间警示带。围挡围栏面材主要采纳灰色企口型钢板围挡, 横梁采纳自制槽钢。以立柱和横梁为骨架, 中间为装配式栅板( 270*0.426mm) , 围栏上安装标志、 警示亮化。围挡底部300mm高底座, 钢结构围挡钢柱下方采纳地脚膨胀螺栓与柱端板连接, 每个螺栓竖向抗拔力不小于10kN 。下载后可任意编辑三、 便道施工( 1) 便道结构设计交通便道须铺设20cm 厚C30 钢筋砼管线保护板, 然后按设计标高浇筑18cm 厚C30 砼作为便道结构层。结构层( 从上往下依次为) : 18cm C30 便道砼板、 20cm C30 钢筋砼管线保护板、 10cm 砂砾层、 便道路基。横向700cm10cm厚砂砾垫层16@150纵向12@150200100C30钢筋砼管线保护板C30便道结构层180道路侧石外边线现状道路道路侧石路基便道距侧石距离 管线 管线 管线便道宽度n( 2) 老路面与便道搭接①东侧交通便道纵坡: 1%左右, ...

1、当您付费下载文档后,您只拥有了使用权限,并不意味着购买了版权,文档只能用于自身使用,不得用于其他商业用途(如 [转卖]进行直接盈利或[编辑后售卖]进行间接盈利)。
2、本站所有内容均由合作方或网友上传,本站不对文档的完整性、权威性及其观点立场正确性做任何保证或承诺!文档内容仅供研究参考,付费前请自行鉴别。
3、如文档内容存在违规,或者侵犯商业秘密、侵犯著作权等,请点击“违规举报”。

碎片内容

交通疏解便道施工及管线综合保护模板

您可能关注的文档

确认删除?
VIP
微信客服
  • 扫码咨询
会员Q群
  • 会员专属群点击这里加入QQ群
客服邮箱
回到顶部