电脑桌面
添加小米粒文库到电脑桌面
安装后可以在桌面快捷访问

化学危险品清单及安全数据表

化学危险品清单及安全数据表_第1页
1/9
化学危险品清单及安全数据表_第2页
2/9
化学危险品清单及安全数据表_第3页
3/9
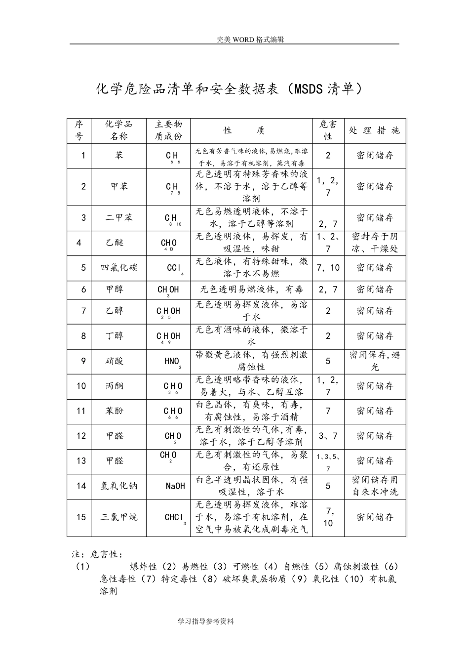
完美W ORD 格式编辑 学习指导参考资料 化学危险品清单和安全数据表(MSDS 清单) 序号 化学品 名称 主要物质成份 性 质 危害性 处 理 措 施 1 苯 C6H6 无色有芳香气味的液体,易燃烧,难溶于水,易溶于有机溶剂,蒸汽有毒 2 密闭储存 2 甲苯 C7H8 无色透明有特殊芳香味的液体,不溶于水,溶于乙醇等溶剂 1,2,7 密闭储存 3 二甲苯 C8H10 无色易燃透明液体,不溶于水,溶于乙醇等溶剂 2,7 密闭储存 4 乙醚 C4H10O 无色透明液体,易挥发,有吸湿性,味甜 1、2、7 密封存于阴凉、干燥处 5 四氯化碳 CCl4 无色液体,有特殊甜味,微溶于水不易燃 7,10 密闭储存 6 甲醇 CH3OH 无色透明易燃液体,有毒 2,7 密闭储存 7 乙醇 C2H5OH 无色透明易挥发液体,易溶于水 2 密闭储存 8 丁醇 C4H9OH 无色有酒味的液体,微溶于水 2 密闭储存 9 硝酸 HNO3 带微黄色液体,有强烈刺激腐蚀性 5 密闭保存,避光 10 丙酮 C3H6O 无色透明略带香味的液体,易着火,与水、乙醇互溶 1,2,7 密闭储存 11 苯酚 C6H6O 白色晶体,有臭味,有毒,有腐蚀性,易溶于酒精 7 密闭储存 12 甲醛 CH2O 无色有刺激性的气体,有毒,溶于水,溶于乙醇等溶剂 3、7 密闭储存 13 甲醛 CH2O 无色有刺激性的气体,易聚合,有还原性 1、3、5、7 密闭储存 14 氢氧化钠 NaOH 白色半透明晶状固体,有强吸湿性,溶于水 5 密闭储存用自来水冲洗 15 三氯甲烷 CHCl3 无色透明易挥发液体,难溶于水,易溶于有机溶剂,在空气中易被氧化成剧毒光气 7,10 密闭储存 注:危害性: (1) 爆炸性(2)易燃性(3)可燃性(4)自燃性(5)腐蚀刺激性(6)急性毒性(7)特定毒性(8)破坏臭氧层物质(9)氧化性(10)有机氯溶剂 完美W ORD 格式编辑 学习指导参考资料 化学物质安全数据表(MSDS 清单) 序号 化学品名称 主要物质成份 性 质 危害性 处 理 措 施 16 甲酸 HCOOH 有强腐蚀性和辛辣刺激性酸味的挥发性液体 5 用自来水冲洗 17 氨水 NH3·H20 无色、有强烈刺激性气味气体 5 密闭储存 18 对苯二酚 C6H6O2 无色固体,溶于水 7 密闭储存 19 四氢呋喃 C4H8O 无色液体,有醚样气味,能与水,醇、醚、酮、酯、烃类混合 2 密封存放,远离火种 20 碘化钾 KI 无色或白色立方晶体,无臭,有浓苦咸味,溶于水 7 密封避光存放 21 硫代硫酸钠 Na2S2O3...

1、当您付费下载文档后,您只拥有了使用权限,并不意味着购买了版权,文档只能用于自身使用,不得用于其他商业用途(如 [转卖]进行直接盈利或[编辑后售卖]进行间接盈利)。
2、本站所有内容均由合作方或网友上传,本站不对文档的完整性、权威性及其观点立场正确性做任何保证或承诺!文档内容仅供研究参考,付费前请自行鉴别。
3、如文档内容存在违规,或者侵犯商业秘密、侵犯著作权等,请点击“违规举报”。

碎片内容

化学危险品清单及安全数据表

小辰7+ 关注
实名认证
内容提供者

出售各种资料和文档

确认删除?
VIP
微信客服
  • 扫码咨询
会员Q群
  • 会员专属群点击这里加入QQ群
客服邮箱
回到顶部