电脑桌面
添加小米粒文库到电脑桌面
安装后可以在桌面快捷访问

北汽福田4G64MPI发动机及R5M21变速箱维修用零件目录VIP专享

北汽福田4G64MPI发动机及R5M21变速箱维修用零件目录_第1页
1/33
北汽福田4G64MPI发动机及R5M21变速箱维修用零件目录_第2页
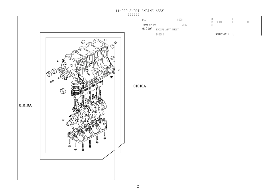
2/33
北汽福田4G64MPI发动机及R5M21变速箱维修用零件目录_第3页
3/33
PNCFROM-UP-TO中文名称ENGINE ASSY发动机总成4G64 S4 MPI 2WD EURO 24G64-Z-H3 数量REP01000A11-010 ENGINE ASSY发动机总成英文名称零件代号备注01000AThe Engine Assembly is a unit service part that is actually same as the unit engine mass- produced for installation on the vehiclescurrently in production. Therefore it does not include those parts which are not directly assembled to the engine(such as transmission, starting motor and high tension cable) and air cleaner and oil pressure switch.发动机总成是成套的修理用零件,这套零件与为装配到目前生产中的汽车上所批量制造而成的成套发动机完全相同。因此,那些不直接装配到发动机上的零部件(如变速箱、起动机、高压线等)和空气滤清器以及油压开关不包括在内。ENGINE ASSEMBLY发动机总成 1PNCFROM UP TO中文名称SMD3307511零件代号数量备注11-020 SHORT ENGINE ASSY短发动机总成01010AENGINE ASSY,SHORT短发动机总成英文名称REP01010A01010A 2PNCPNCFROM-UP-TO中文名称FROM-UP-TO中文名称 SMD9731571SMD9731561GASKET KIT,ENG OVERHAUL,UPR01080发动机上侧大修密封衬垫REP零件代号01070GASKET KIT,ENG OVERHAUL发动机大修密封套件REP英文名称11-090 ENGINE OVERHAUL GASKET KIT发动机大修密封套件零件代号数量备注英文名称数量备注0108001070 3PNCFROM-UP-TO中文名称SMD9703891100G 01090LIQUID GASKET,ENG发动机液体密封垫REP11-100 LIQUID GASKET 液体密封垫备注数量零件代号英文名称01090 4PNCFROM-UP-TO中文名称SMD3129491COVER,ROCKER摇臂盖SMD3129511SMD1884351SMD3789251GASKET,PCV VALVEP.C.V阀垫SMD1799091SMD1835471CLAMP,CABLE电缆夹SMD1295461CLAMP,CABLE电缆夹SMD0176521CLAMP,CABLE电缆夹SMD1647331CLAMP,ACCEL CABLE SUPPORT加速线夹SMD3147551SMW2500741CCBOLT ACCEL CABLE SUPPORT加速线夹螺栓MF2400491带垫M8×12+N199BOLT,ROCKER COVER摇臂盖螺栓MF2448266带垫M6×20HOSE,P.C.VP.C.V软管SMD3137101CAP,OIL FILLERSMD1322601加油口盖SMD3546651选用零件SMD10314810490701181零件代号备注数量英文名称REPVALVE,PCV11-110 ROCKER COVER 摇臂盖01100COVER ASSY,ROCKER摇臂盖组件0111001115HOSE,BREATHER通气管01129加油盖垫GASKET,OIL...

1、当您付费下载文档后,您只拥有了使用权限,并不意味着购买了版权,文档只能用于自身使用,不得用于其他商业用途(如 [转卖]进行直接盈利或[编辑后售卖]进行间接盈利)。
2、本站所有内容均由合作方或网友上传,本站不对文档的完整性、权威性及其观点立场正确性做任何保证或承诺!文档内容仅供研究参考,付费前请自行鉴别。
3、如文档内容存在违规,或者侵犯商业秘密、侵犯著作权等,请点击“违规举报”。

碎片内容

北汽福田4G64MPI发动机及R5M21变速箱维修用零件目录

确认删除?
VIP
微信客服
  • 扫码咨询
会员Q群
  • 会员专属群点击这里加入QQ群
客服邮箱
回到顶部