电脑桌面
添加小米粒文库到电脑桌面
安装后可以在桌面快捷访问

热网加热器漏泄分析及防范措施

热网加热器漏泄分析及防范措施_第1页
1/5
热网加热器漏泄分析及防范措施_第2页
2/5
热网加热器漏泄分析及防范措施_第3页
3/5
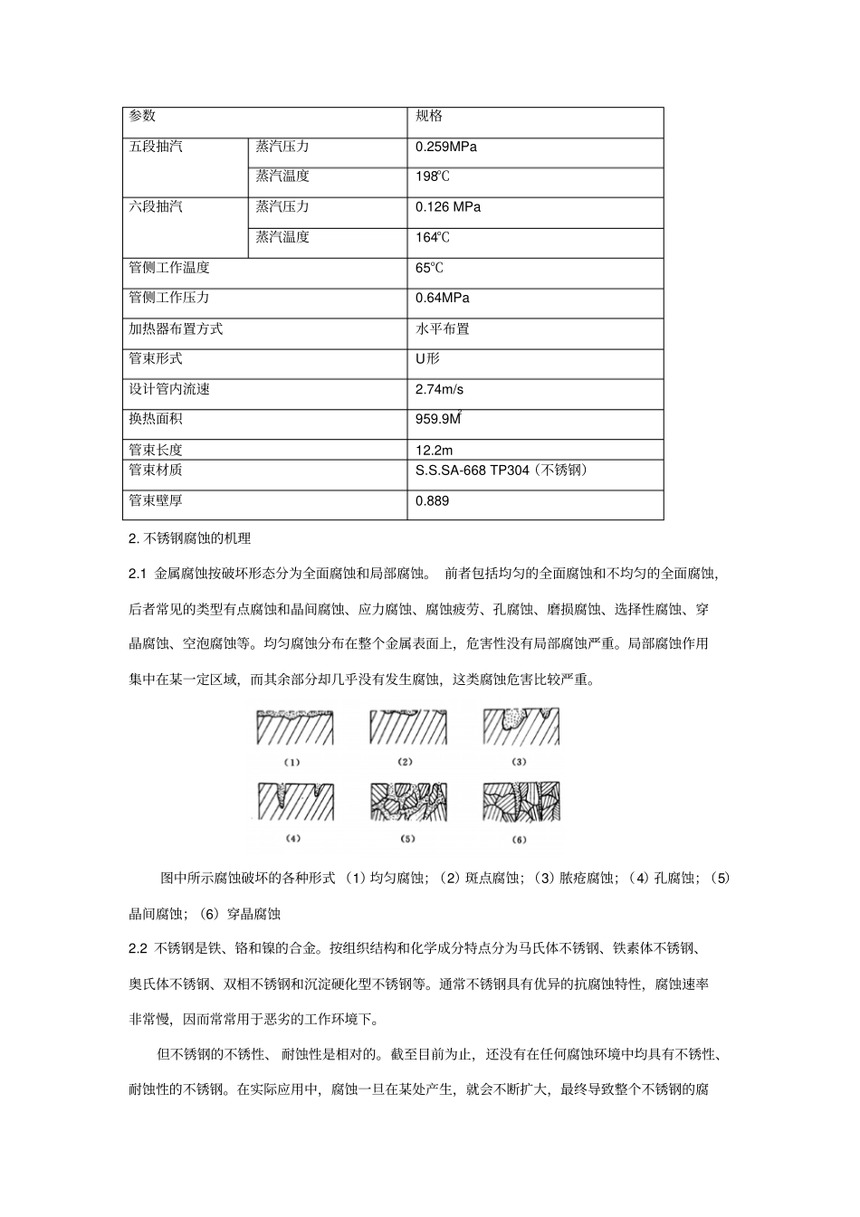
热网加热器漏泄分析及防范措施张泓波孙黎红(大唐七台河发电有限责任公司)[ 摘要] 热网加热器用于城市供热,水质环境相对较差。本文从介质环境、金相角度两方面分析了七台河发电公司热网加热器漏泄的原因,并详细说明了防范措施,对城市供热机组热网系统安全、可靠运行提供借鉴。[ 关键词]管束漏泄;不锈钢;腐蚀;应力;工艺Leakage Analysis and Preventive Measures for District Heater Zhang Hongbo (Datang Qitaihe Electric Power Generation Co,.Ltd.) Abstract: The district heater is used to supply heat to the city, so the water quality is relatively worse. This essay analyzes the leakage reason for Qitaihe district heater in two aspects -medium environment and metallographiphy , and illustrates the correlated preventive measures, which can be used for reference to safe and reliable operation about district heating system of city heat-supplied unit. Key words: tube leakage stainless steel corrosion stress technology 1. 热网加热器概况大唐七台河发电公司机组为环境改善工程, 承担七台河城市供热任务。 两台热网加热器冬季用于城市供热,其它季节停用。热网加热器为表面式换热器,设计参数见表1。热网加热器利用汽轮机抽汽(正常负荷使用第六段抽汽,低负荷使用第五段抽汽,五、六段抽汽全部中断时使用辅助蒸汽。)加热管侧经过化学处理的软化水, 该软化水被加热后进入热网系统进行城市供热。 其中#2 热网加热器已投用 3 年。2005年 9 月在对该加热器进行投用前检查时发现内部管束漏泄。 经查明该加热器漏泄管束为 190根。占全部管束( 645根)的 29.5%,已不能继续使用,因此返厂更换管芯。表 1参数规格五段抽汽蒸汽压力0.259MPa 蒸汽温度198℃六段抽汽蒸汽压力0.126 MPa 蒸汽温度164℃管侧工作温度65℃管侧工作压力0.64MPa 加热器布置方式水平布置管束形式U形设计管内流速2.74m/s 换热面积959.9M2管束长度12.2m 管束材质S.S.SA-668 TP304(不锈钢)管束壁厚0.889 2. 不锈钢腐蚀的机理2.1 金属腐蚀按破坏形态分为全面腐蚀和局部腐蚀。 前者包括均匀的全面腐蚀和不均匀的全面腐蚀,后者常见的类型有点腐蚀和晶间腐蚀、应力腐蚀、腐蚀疲劳、孔腐蚀、磨损腐蚀、选择...

1、当您付费下载文档后,您只拥有了使用权限,并不意味着购买了版权,文档只能用于自身使用,不得用于其他商业用途(如 [转卖]进行直接盈利或[编辑后售卖]进行间接盈利)。
2、本站所有内容均由合作方或网友上传,本站不对文档的完整性、权威性及其观点立场正确性做任何保证或承诺!文档内容仅供研究参考,付费前请自行鉴别。
3、如文档内容存在违规,或者侵犯商业秘密、侵犯著作权等,请点击“违规举报”。

碎片内容

热网加热器漏泄分析及防范措施

确认删除?
VIP
微信客服
  • 扫码咨询
会员Q群
  • 会员专属群点击这里加入QQ群
客服邮箱
回到顶部