电脑桌面
添加小米粒文库到电脑桌面
安装后可以在桌面快捷访问

焊接外观检查标准

焊接外观检查标准_第1页
1/11
焊接外观检查标准_第2页
2/11
焊接外观检查标准_第3页
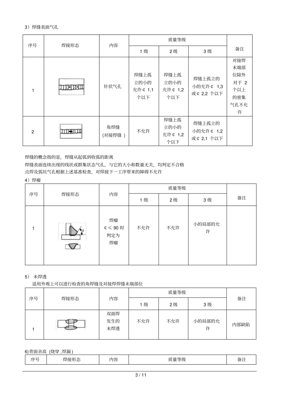
3/11
1 / 11 焊接外观检查基准书1.适用范围本标准适用于阀门焊接部位的外观检查. 2.适用范围和限制1)本基准只作为焊接部位肉眼检查的基准,对焊缝内部质量进行评定时,不适用本基准,对焊缝内部质量要根据相应的其它检查方法评定.但是 ,无损检测中的渗透(PT)探伤也可适用本基准. 2)本基准检查项目中,对图纸明确规定的缺陷,应满足图纸要求为原则. 3)图纸中未注明焊接符号处,多余进行焊接的,原则上不允许 . 4)对于重复缺陷的评定参考3.17)项目检查 . 5)对于超出检查基准的焊接缺陷,应进行必要的返修,返修结束后重新进行检查. 3.焊接部外观检查项目: 1)焊角尺寸 (LEG LENGTH) 2)咬边 (UNDER CUT) 3)焊缝表面气孔 (BEAD BLOW HOLE) 4)焊瘤 (OVER LAP) 5)未焊透6)背面余高 (烧穿 :BURN THROUGH) 7)未熔合8)裂纹 (CRACK) 9)弧坑 (CRATER) 10) 焊缝连接11) 电弧损伤12) 焊缝形状13) 焊角不对称14) 飞溅焊痘15) 漏焊16) 重复缺陷17) 焊缝打磨18) 连接部错边4.检查基准2 / 11 1)焊角尺寸A). 图纸有焊角尺寸的焊角尺寸公差: SPEC: +25.0% (例:焊角尺寸为 10mm 时 ,允许值为 10-12.5mm),焊角尺寸步允许有负公差,上述公差的情况对B 项同样适用 . B)图纸未注明焊角尺寸时(mm) 序号焊接形态内容质量等级备注1 级2 级3 级1 t1=t2 母材厚度6 以下6— 9 12 19 20 22 25 S>t-1 S>t-2 S>9 S>14 S>15 S>16 S>18S>t-2 S>t-3 S>6 S>10 S>10 S>11 S>12母材厚度 t1 不等于 t2 时以薄板为厚度基准26 以上以薄钢板厚度为厚度基准,焊缝尺寸为母材厚度的75% 以上 ,公差取 0%± 25% 2)咬边序号焊接形态内容质量等级备注1 级2 级3 级1 (上下部咬边 )t ≤3.6 不允许单独 ,孤立的 ,短的允许孤立的 ,短允许 a≤0.2+ 0.05 末端切口部分的平滑过度不视为咬边t≥3.6 不允许单独 ,孤立的 ,短的允 a≤0.5 单独 ,孤立的 ,短的允许 a≤1.0 或 0.1t 2 ` t>3.6(末端咬边 ) 单独 ,孤立的 ,短的允许a≤0.2 单独 ,孤立的 ,短的允许 a ≤0.5 单独 ,孤立的 ,短的允许 a≤1.0 或者 a≤0.1t 超出标准的必须返修3 / 11 3)焊缝表面气孔焊缝的概念指的是,焊缝从起弧到收弧的距离焊缝表面连续出现的线状或群集状态气孔,与它的大小和数量无关,均判定不合格点焊及弧坑气孔根据上述基准检查,对焊接下一工序带来的障碍不允许4)焊瘤序号焊接形态内...

1、当您付费下载文档后,您只拥有了使用权限,并不意味着购买了版权,文档只能用于自身使用,不得用于其他商业用途(如 [转卖]进行直接盈利或[编辑后售卖]进行间接盈利)。
2、本站所有内容均由合作方或网友上传,本站不对文档的完整性、权威性及其观点立场正确性做任何保证或承诺!文档内容仅供研究参考,付费前请自行鉴别。
3、如文档内容存在违规,或者侵犯商业秘密、侵犯著作权等,请点击“违规举报”。

碎片内容

焊接外观检查标准

您可能关注的文档

确认删除?
VIP
微信客服
  • 扫码咨询
会员Q群
  • 会员专属群点击这里加入QQ群
客服邮箱
回到顶部