电脑桌面
添加小米粒文库到电脑桌面
安装后可以在桌面快捷访问

焊接质量标准

焊接质量标准_第1页
1/50
焊接质量标准_第2页
2/50
焊接质量标准_第3页
3/50
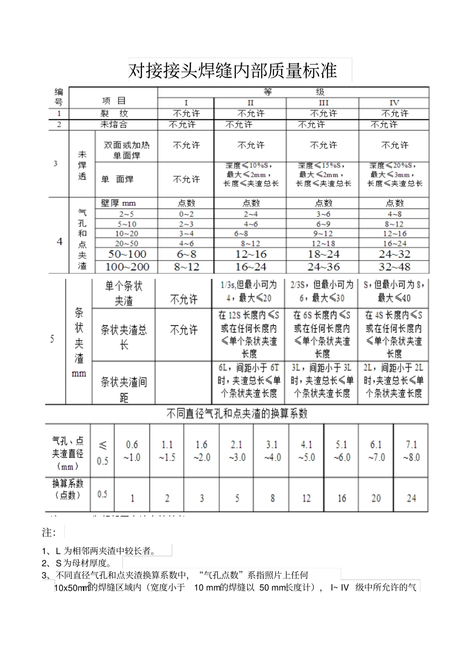
对接接头焊缝内部质量标准注:1、L 为相邻两夹渣中较长者。2、S 为母材厚度。3、不同直径气孔和点夹渣换算系数中,“气孔点数”系指照片上任何10x50mm.2的焊缝区域内(宽度小于10 mm的焊缝以 50 mm长度计), I~ IV 级中所允许的气孔点数,多者用于厚度上限,少者用于厚度下限,中间厚度所允许的气孔点数用插入法决定,可四舍五入取整数。表中规定单面未焊透的长度,指设计焊缝系数大于70%者,若等于或小于 70%时,则长度不限。4、缺陷的综合评级:在12S 焊缝长度内(如12S 超过底片长度则以一张底片长度为限)几种缺陷同时存在时,应先按各类缺陷单独评级。如有两种缺陷,可将其级别数字之和减 1 作为缺陷综合后的焊缝质量等级。如有三种缺陷,可将其级别数字之和减2 作为缺陷综合后的焊缝质量等级。焊缝外观质量验收标准及尺寸允许偏差1. 依据《YB3301-2005中华人民共和国黑色冶金行业标准》制定本工程的角焊缝焊角尺寸,焊角高度 Hf取0.6t1 和1.52t中的大者, t1 为腹板板厚, t2 为翼缘板板厚。对于埋弧焊、二氧化碳气体保护焊,焊角尺寸可比计算值减小1mm,焊接 H型钢的最小焊角高度规定为4mm。且用于连接板的平角焊一般为二氧化碳气体保护焊的焊缝测量。2. 依据《 JGJ81-2001建筑钢结构焊接技术规程》制定直角角焊缝厚度计算He,当间隙 b≤1.5时, He=0.7Hf, 当间隙 1.5

1、当您付费下载文档后,您只拥有了使用权限,并不意味着购买了版权,文档只能用于自身使用,不得用于其他商业用途(如 [转卖]进行直接盈利或[编辑后售卖]进行间接盈利)。
2、本站所有内容均由合作方或网友上传,本站不对文档的完整性、权威性及其观点立场正确性做任何保证或承诺!文档内容仅供研究参考,付费前请自行鉴别。
3、如文档内容存在违规,或者侵犯商业秘密、侵犯著作权等,请点击“违规举报”。

碎片内容

焊接质量标准

您可能关注的文档

确认删除?
微信客服
  • 扫码咨询
会员Q群
  • 会员专属群点击这里加入QQ群