电脑桌面
添加小米粒文库到电脑桌面
安装后可以在桌面快捷访问

焊缝超声波作业指导书重点讲义资料

焊缝超声波作业指导书重点讲义资料_第1页
1/22
焊缝超声波作业指导书重点讲义资料_第2页
2/22
焊缝超声波作业指导书重点讲义资料_第3页
3/22
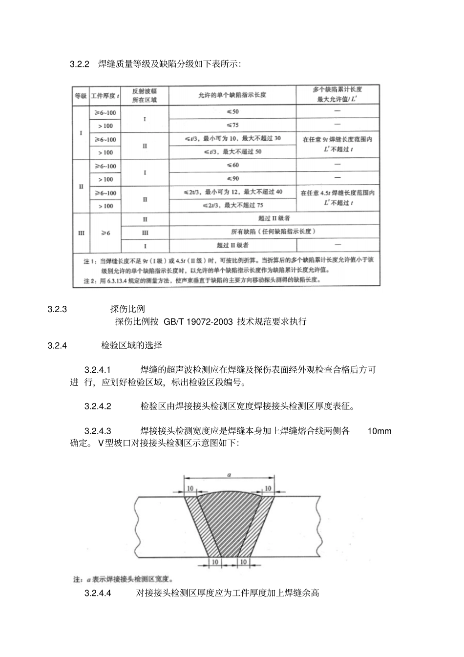
超声波探伤作业指导书1 适用范围本作业指导书母材厚度在6mm~200mm 的风力发电机组塔架全熔化焊对接焊接接头的超声检测。2 引用标准NB/T47013.3-2015 《承压设备无损检测 - 第 3 部分:超声检测》NB/T47013.3-2015 《承压设备无损检测 - 第 1 部分:通用要求》GB/T11259-2008 《超声波检测用钢制对比试块的制作与校验方法》JB/T9214-2010 《A型脉冲反射式超声探伤系统工作性能测试方法》JB/T10061-1999 《A型脉冲反射式超声探伤仪通用技术条件》JB/T10062-1999 《超声波探伤用探头性能测试方法》3 试验项目及质量要求3.1 试验项目 :风力发电机塔筒,塔架焊缝6mm-200mm 内部缺陷超声波探伤。3.2 质量要求3.2.1 检验等级的分级焊缝质量分级:评定指标根据由缺陷引起的反射波幅(所在区域Ⅰ区、Ⅱ区、Ⅲ区)、单个缺陷指示长度、多个缺陷指示长度L′;根据质量要求检验等级分Ⅰ、Ⅱ、Ⅲ三个级, I 级最高。3.2.2 焊缝质量等级及缺陷分级如下表所示: 3.2.3 探伤比例探伤比例按 GB/T 19072-2003 技术规范要求执行 3.2.4 检验区域的选择 3.2.4.1 焊缝的超声波检测应在焊缝及探伤表面经外观检查合格后方可进 行,应划好检验区域,标出检验区段编号。 3.2.4.2 检验区由焊接接头检测区宽度焊接接头检测区厚度表征。 3.2.4.3 焊接接头检测宽度应是焊缝本身加上焊缝熔合线两侧各10mm 确定。 V型坡口对接接头检测区示意图如下: 3.2.4.4 对接接头检测区厚度应为工件厚度加上焊缝余高 3.2.4.5超声波检测应覆盖整个检测区域。若增加检测探头的数量或者增加检测面 ( 侧) 还不能完全覆盖,应增加辅助检测,包括其他无损检测方法。3.2.5 焊接接头检测面的准备 3.2.5.1 探头移动区宽度 a、探头移动区域宽度应能满足检测到整个区域。如图所示 b、采用一次反射法扫查探伤时,探头移动区应大于等于1.25P: “ P=2KT ”或“ 2Ttan β ”,式中: P--- 跨距, mm; T---母材厚度, mm; K---探头 K 值;β --- 探头折射角(° ) c、采用直射法探伤时,探头移动区域应大于0.75P。 3.2.5.2 检测面应清除焊接飞溅、铁屑、油垢、油漆及其它外部杂质,以免影响超声波耦合。检测面表面应平整光滑,检测面与探头楔块底面或保护膜间隙 不应大于 0.5mm,其表面粗糙度Ra应小于等于 25μ m 3.2.5.3 去除余高的焊接,应将余高打磨到与临邻近母材平齐。保留余高焊缝,如焊缝表面有咬边,较大的隆起和...

1、当您付费下载文档后,您只拥有了使用权限,并不意味着购买了版权,文档只能用于自身使用,不得用于其他商业用途(如 [转卖]进行直接盈利或[编辑后售卖]进行间接盈利)。
2、本站所有内容均由合作方或网友上传,本站不对文档的完整性、权威性及其观点立场正确性做任何保证或承诺!文档内容仅供研究参考,付费前请自行鉴别。
3、如文档内容存在违规,或者侵犯商业秘密、侵犯著作权等,请点击“违规举报”。

碎片内容

焊缝超声波作业指导书重点讲义资料

确认删除?
VIP
微信客服
  • 扫码咨询
会员Q群
  • 会员专属群点击这里加入QQ群
客服邮箱
回到顶部