电脑桌面
添加小米粒文库到电脑桌面
安装后可以在桌面快捷访问

煤矿井巷工程验收表大全学习资料

煤矿井巷工程验收表大全学习资料_第1页
1/47
煤矿井巷工程验收表大全学习资料_第2页
2/47
煤矿井巷工程验收表大全学习资料_第3页
3/47
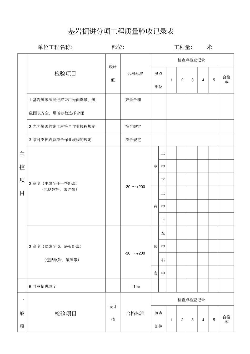
基岩掘进分项工程质量验收记录表单位工程名称:部位:工程量:米主控项目检验项目设计值合格标准检查点检查记录测点部位1 2 3 4 5 合格率1 基岩爆破法掘进应采用光面爆破,爆破图表齐全,爆破参数选择合理齐全合理2 光面爆破的施工应符合作业规程规定符合规定3 临时支护必须符合作业规程的规定符合规定2 宽度(中线至任一帮距离)(包括软岩、破碎带)-30 ~+200左上中下右上中下3 高度(腰线至顶、底板距离)(包括软岩、破碎带)-30 ~+200顶左中右底中5 井巷掘进坡度±1‰一般项检验项目设计值合格标准检查点检查记录测点部位1 2 3 4 5 合格率目1 壁座(或支撑圈)高度0~100宽度-50 ~+2002 设备基础长度-25~+150宽度-25~+150深度0~+1503 水沟(含管线沟槽)中心位置-50~+100 宽度-30 ~+150 深度-30 ~+150 施工单位检验结论项目专业技术负责人:(签字)年月日验收结论监理工程师(建设单位代表):(签字)年月日基岩掘进工序质量验收记录表单位工程名称:部位:工程量:米检验项目设计合格标准检查点检查记录主控项目值测点部位1 2 3 4 5 合格率1 基岩爆破法掘进应采用光面爆破,爆破图表齐全,爆破参数选择合理齐全合理2 光面爆破的施工应符合作业规程规定符合规定3 临时支护必须符合作业规程的规定符合规定2 宽度(中线至任一帮距离)(包括软岩、破碎带)-30 ~+200左上中下右上中下3 高度(腰线至顶、底板距离)(包括软岩、破碎带)-30 ~+200顶左中右底中5 井巷掘进坡度±1‰一般项目检验项目设计值合格标准检查点检查记录测点部位1 2 3 4 5 合格率1 壁座(或支撑圈)高度0~100宽度-50 ~+2002 设备基础长度-25~+150宽度-25~+150深度0~+1503 水沟(含管线沟槽)中心位置-50~+100 宽度-30 ~+150 深度-30 ~+150 施工单位检查评定结果施工班组质量验收员: (签字)年月日监理(或建设)单位验收结论监理工程师 (或建设单位代表) :(签字)年月日斜井、平硐、巷道模板工程分项工程质量验收记录表单位工程名称:部位:工程量:米主控项目检验项目设计值合格标准检查点检查记录测点部位1 2 3 4 5 合格率1 模板及其支架应根据工程结构形式、工程类型、荷载大小、 岩土类别、 施工设备和材料供应、允许误差等条件进行设计2 在浇筑混凝土之前,应对模板工程进行验收。模板安装后和浇筑混凝土过程中,应对模板及其支架进行观察和维护。发生异常情况时,应按...

1、当您付费下载文档后,您只拥有了使用权限,并不意味着购买了版权,文档只能用于自身使用,不得用于其他商业用途(如 [转卖]进行直接盈利或[编辑后售卖]进行间接盈利)。
2、本站所有内容均由合作方或网友上传,本站不对文档的完整性、权威性及其观点立场正确性做任何保证或承诺!文档内容仅供研究参考,付费前请自行鉴别。
3、如文档内容存在违规,或者侵犯商业秘密、侵犯著作权等,请点击“违规举报”。

碎片内容

煤矿井巷工程验收表大全学习资料

确认删除?
VIP
微信客服
  • 扫码咨询
会员Q群
  • 会员专属群点击这里加入QQ群
客服邮箱
回到顶部