电脑桌面
添加小米粒文库到电脑桌面
安装后可以在桌面快捷访问

燃气管线保护交底卡

燃气管线保护交底卡_第1页
1/10
燃气管线保护交底卡_第2页
2/10
燃气管线保护交底卡_第3页
3/10
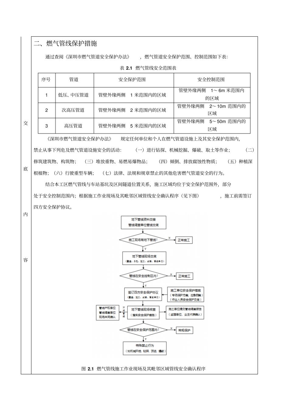
12 号线土建四工区燃气管线保护分项工程质量技术交底卡GD2301003 总承包施工单位中国水利水电第十四工程局有限公司单位 (子单位 )工程名称12 号线土建四工区燃气管线分部工程12 号线土建四工区燃气管线交底部位12 号线土建四工区燃气管线保护日期2018 年 7 月 14 日交底内容一、工程概况本工区工程建设任务,共计5 站 5 区间,线路总长为5.07km。位置从深圳地铁12 号线流塘站(不含)~宝安客运中心站~臣田站~臣田北站~桃源居站~洲石路站(含)。位于深圳市宝安区西乡街道办和航城街道办管辖范围,沿前进二路向北敷设,于西乡大道与前进二路交叉口处设宝安客运中心站,下穿西乡河后在前进二路与宝田一路交叉口设臣田站,向北沿前进二路下穿铁岗排洪渠后在前进二路与宝田三路交叉口设臣田北站,后线路进入宝安桃源片区,在前进二路与航城大道交叉口设桃源居站,向北于前进二路与洲石公路交汇处北侧设洲石路站。图1.1 土建四工区平面图1.2 现状管线情况根据本工程红线施工范围场地使用要求,现状燃气管线相交位置均为红线范围施工内,与车站主体结构或附属结构、雨、污、排水管道交叉,位于工程施工区域内,因此必须对现状地下燃气管交底内容线加以重点保护加固处理。本工程现状燃气管线具体分布见下表。表1.1 燃气管线现状分布统计表序号站点燃气管线分布备注1 宝安客运中心站A)1 根 De250 燃气管横跨车站中部,埋深1.5~1.8m;B)车站西侧 1 根燃气管贯穿附属结构2 号风亭及 C、D 出入口,距离车站主体基坑14~34.5m,埋深 1.2~1.6m;C)车站东侧 1 根燃气管斜跨B 出入口,埋深埋深 1.2~1.6m,距离车站主体基坑17.31~20.15m 。2 臣田站A)车站西侧 1 根 De250 燃气贯穿附属结构2 号风亭及 C、D 出入口,埋深1.2~1.6m,距离车站13.1~15.6m。3 臣田北站A)车站北侧端头1 根 De160 燃气管横跨前进二路,埋深1.5~ 1.8m,距离车站端墙7.4~8.1m;B)车站南侧 1 根 De160 燃气管斜跨车站盾构井, 埋深 1.5~1.8m; C)车站西侧1 根 De250 燃气管贯穿C 出入口,埋深 1.2~1.5m,距离车站8.8~15.4m 。4 桃源居站A)车站中部 1 根 De160 燃气管横跨结构,埋深 1.5~1.8m;B)车站西侧1 根 De250 燃气管贯穿附属结构1 号风亭、 C出入口及 2 号风亭,埋深 1.2~1.5m,距离车站 5.3~39.5m 。5 洲石路站A)车站东侧 1 根 De63 燃气管沿 1 号风亭旁南北走向布置,...

1、当您付费下载文档后,您只拥有了使用权限,并不意味着购买了版权,文档只能用于自身使用,不得用于其他商业用途(如 [转卖]进行直接盈利或[编辑后售卖]进行间接盈利)。
2、本站所有内容均由合作方或网友上传,本站不对文档的完整性、权威性及其观点立场正确性做任何保证或承诺!文档内容仅供研究参考,付费前请自行鉴别。
3、如文档内容存在违规,或者侵犯商业秘密、侵犯著作权等,请点击“违规举报”。

碎片内容

燃气管线保护交底卡

您可能关注的文档

文库响当当+ 关注
实名认证
内容提供者

该用户很懒,什么也没介绍

确认删除?
VIP
微信客服
  • 扫码咨询
会员Q群
  • 会员专属群点击这里加入QQ群
客服邮箱
回到顶部