电脑桌面
添加小米粒文库到电脑桌面
安装后可以在桌面快捷访问

关于天然气管道与电力电缆间距相关规定(个人整理使用-仅供参考)VIP免费

关于天然气管道与电力电缆间距相关规定(个人整理使用-仅供参考)_第1页
1/8
关于天然气管道与电力电缆间距相关规定(个人整理使用-仅供参考)_第2页
2/8
关于天然气管道与电力电缆间距相关规定(个人整理使用-仅供参考)_第3页
3/8
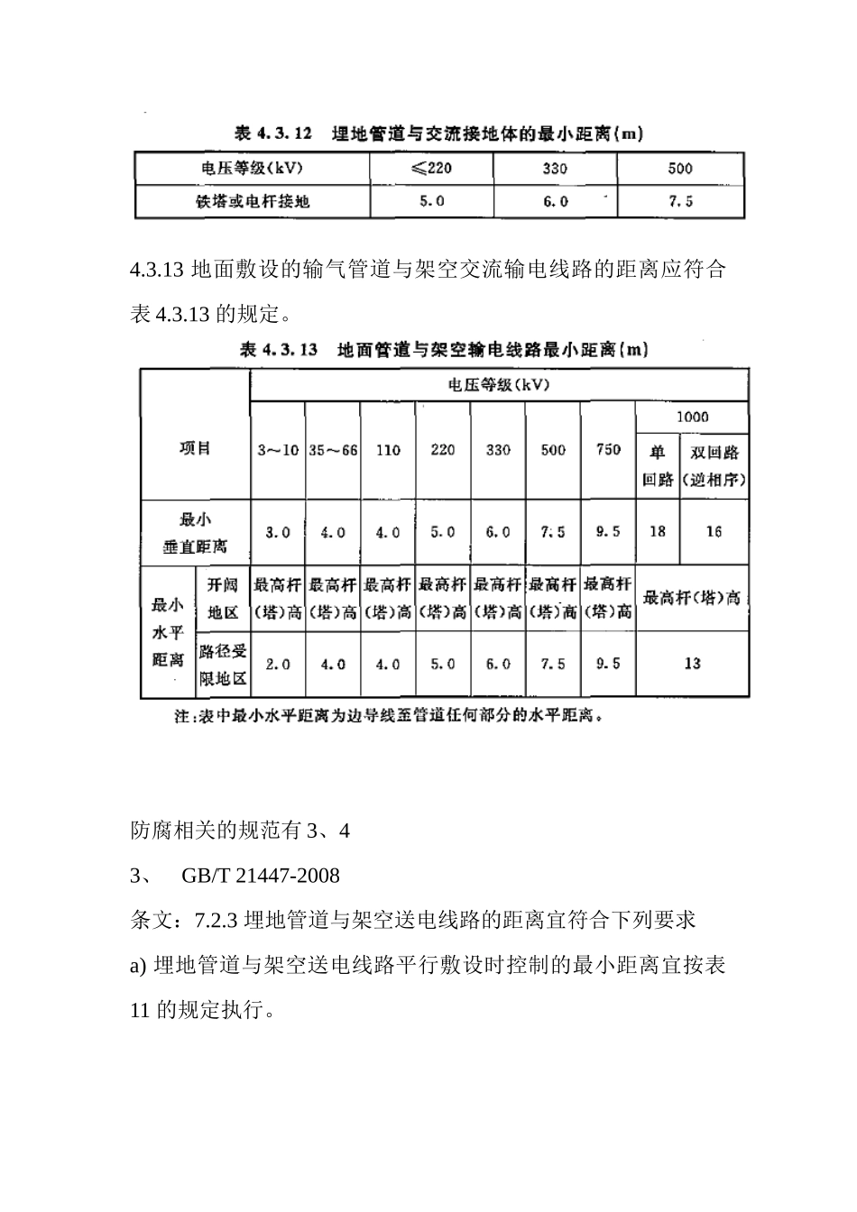
关于天然气管道与电力电缆间距相关规定管道专业的相关规范有1、21、GB50028-2006相关规定:地下燃气管道与建筑物、构筑物或相邻管道之间的水平和垂直净距,不应小于表6.3.3-1和表6.3.3-2的规定。表6.3.3-1地下燃气管道与建筑物、构筑物或相邻管道之间的水平净距(m)(节选)项目地下燃气管道低压中压次高压BABA电力电缆(含电车电缆)直埋0.50.50.51.01.5在导管内1.01.01.01.01.5通信电缆直埋0.50.50.51.01.5在导管内1.01.01.01.01.5电杆(塔)的基础≤35kV1.01.01.01.01.0>35kV2.02.02.05.05.0通讯照明电杆(至电杆中心)1.01.01.01.01.0铁路路堤坡脚5.05.05.05.05.0有轨电车钢轨2.02.02.02.02.0表6.3.3-2地下燃气管道与构筑物或相邻管道之间垂直净距(m)项目地下燃气管道(当有套管时,以套管计)电缆直埋0.50在导管内0.15铁路轨底1.20有轨电车轨底1.00注:4地下燃气管道与电杆(塔)基础之间的水平净距,还应满足本规范表6.7.5地下燃气管道与交流电力线接地体的挣距规定.6.7.5地下燃气管道与交流电力线接地体的净距不应小于表6.7.5的规定。表6.7.5地下燃气管道与交流电力线接地体的净距(m)电压等级(KV)1035110220铁塔或电杆接地体13510电站或变电所接地体51015302、GB50251-2015条文:4.3.11埋地输气管道与其他埋地管道、电力电缆、通信光(电〉缆交叉的间距应符合下列规定:1、输气管道与其他管道交叉时,垂直净距不应小于0.3m,当小于0.3m时,两管间交叉处应设置坚固的绝缘隔离物,交叉点两侧各延伸10m以上的管段,应确保管道防腐层无缺陷;2输气管道与电力电缆、通信光(电)缆交叉时,垂直净距不应小于0.5m,交叉点两侧各延伸10m以上的管段,应确保管道防腐层无缺陷。4.3.12埋地输气管道与高压交流输电线路杆(塔)和接地体之间的距离宜符合下列规定:1在开阔地区,埋地管道与高压交流输电线路杆(塔〉基脚间的最小距离不宜小于杆〈塔)高;2在路由受限地区,埋地管道与交流输电系统的各种接地装置之间的最小水平距离不宜小于表4.3.12的规定。在采取故障屏蔽、接地、隔离等防护措施后,表4.3.12规定的距离可适当减小4.3.13地面敷设的输气管道与架空交流输电线路的距离应符合表4.3.13的规定。防腐相关的规范有3、43、GB/T21447-2008条文:7.2.3埋地管道与架空送电线路的距离宜符合下列要求a)埋地管道与架空送电线路平行敷设时控制的最小距离宜按表11的规定执行。4、埋地钢质管道交流干扰防护技术标准---GBT50698-2011条文:5.1.5埋地管道与高压交流输电线路的距离宜符合下列规定:1在开阔地区,埋地管道与高压交流输电线路杆塔基脚间控制的最小距离不宜小于杆塔高度。2在路径受限地区,埋地管道与交流输电系统的各种接地装置之间的最小水平距离一般情况下不宜小于表5.1.5的规定。在采取故障屏蔽、接地、隔离等防护措施后,表5.1.5规定的距离可适当减小。条文:5.1.6管道与110kV及以上高压交流输电线路的交叉角度不宜小于55°。在不能满足要求时,宜根据工程实际情况进行管道安全评估,结合防护措施,交叉角度可适当减小。电力自己相关的规定5、《电力设施保护条例》第十条电力线路保护区:(一)、架空电力线路保护区:导线边线向外侧延伸所形成的两平行线内的区域,在一般地区各级电压导线的边线延伸距离如下:1-10千伏5米35-110千伏10米154-330千伏15米500千伏20米在厂矿、城镇等人口密集地区,架空电力线路保护区的区域可略小于上述规定。但各级电压导线边线延伸的距离,不应小于导线边线在最大计算弧垂及最大计算风偏后的水平距离和风偏后距建筑物的安全距离之和。《天津电力设施保护条例》第二章电力设施的保护第十条电力线路保护区按照国家《电力设施保护条例》和《电力设施保护条例实施细则》等有关规定执行。直流±800千伏、交流1000千伏电力线路保护区,为导线边线向外侧水平延伸三十米并垂直于地面所形成的两平行面内的区域。6、《110-500kv架空送电线路施工及验收规范》GB50233-2014A.0.6输电线路与铁路、公路、河流、管道、索道及各种架空线路交叉或接近距离的基本要求,应符合表A.o.6的规定。表A.0.6输电线路与铁路、公路、河流、管道、索...

1、当您付费下载文档后,您只拥有了使用权限,并不意味着购买了版权,文档只能用于自身使用,不得用于其他商业用途(如 [转卖]进行直接盈利或[编辑后售卖]进行间接盈利)。
2、本站所有内容均由合作方或网友上传,本站不对文档的完整性、权威性及其观点立场正确性做任何保证或承诺!文档内容仅供研究参考,付费前请自行鉴别。
3、如文档内容存在违规,或者侵犯商业秘密、侵犯著作权等,请点击“违规举报”。

碎片内容

关于天然气管道与电力电缆间距相关规定(个人整理使用-仅供参考)

文章天下+ 关注
实名认证
内容提供者

各种文档应有尽有

确认删除?
VIP
微信客服
  • 扫码咨询
会员Q群
  • 会员专属群点击这里加入QQ群
客服邮箱
回到顶部