电脑桌面
添加小米粒文库到电脑桌面
安装后可以在桌面快捷访问

绿地国际花都范本工程施工方案模板

绿地国际花都范本工程施工方案模板_第1页
1/27
绿地国际花都范本工程施工方案模板_第2页
2/27
绿地国际花都范本工程施工方案模板_第3页
3/27
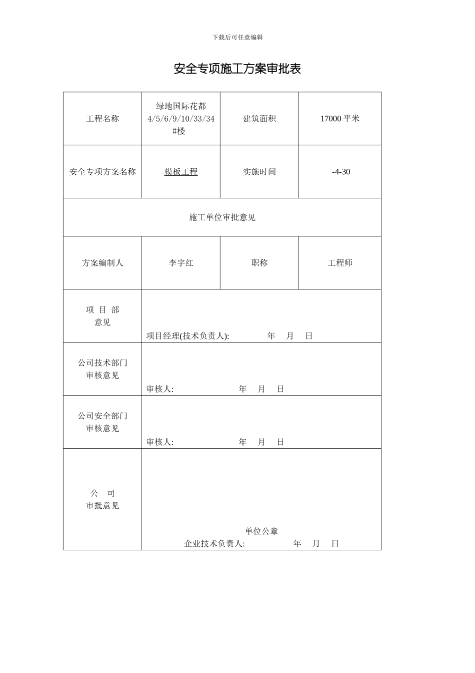
下载后可任意编辑 9 月绿地国际花都绿地国际花都 4/5/6/9/10#4/5/6/9/10#工程工程模模板板工工程程施施工工方方案案沈阳顺天建设集团有限公司本溪分公司沈阳顺天建设集团有限公司本溪分公司专项方专项方案案下载后可任意编辑施工组织设计( 方案) 报审表工程名称: 绿地国际花都 4/5/6/9/10/33/34#楼致: 沈阳市监理工程咨询 有限公司 ( 监理单位) 我方已根据施工合同的有关规定完成了 模板 工程施工组织设计( 方案) 的编制, 并经我单位上级技术负责人审查批准, 请予以审查。附: 施工组织设计( 方案) 承包单位( 章) 项目经理 日 期 专业监理工程师审查意见: 总监理工程师 日 期 总监理工程师审查意见: 项目监理机构 总监理工程师 日 期 注: 本表由承包单位填表, 一式四份。下载后可任意编辑安全专项施工方案审批表工程名称绿地国际花都4/5/6/9/10/33/34#楼建筑面积17000 平米安全专项方案名称模板工程实施时间 -4-30施工单位审批意见方案编制人李宇红职称工程师项 目 部意见项目经理(技术负责人): 年 月 日 公司技术部门审核意见审核人: 年 月 日公司安全部门审核意见审核人: 年 月 日公 司审批意见单位公章 企业技术负责人: 年 月 日下载后可任意编辑主体模板工程施工方案及计算书编制依据: 《混凝土工程施工及验收法律规范》《建筑结构荷载计算法律规范》《满堂红碗口架搭设法律规范》本工程建筑结构施工图纸一、 工程概况: 该工程为短肢异形柱剪力墙结构, 主要承重结构为钢筋砼墙、 梁、 柱。墙板厚为 200。工程为二级, 设计使用年限 50 年, 抗震设防烈度七度, 屋面防水等级Ⅱ级。二、 施工准备: ( 一) 材料及主要机具: 1.1 各种规格的木胶板, 木方( 55×75) 。 1.2 支撑系统: 各种规格的钢管、 扣件、 碗扣式立杆、 横杆、 立杆座垫、 可调底座、 顶托、 小型型钢。 1.3 具备锤子、 打眼电钻、 活动板手、 手锯、 水平尺、 线坠、 撬棒、 吊装索具等。 1.4 脱模剂: 水质脱模剂。 1.5 海绵条: 2mm 厚及 20mm 厚。( 二) 作业条件: 2.1 划分所建工程施工区、 段: 根据工程结构的形式、 特点及现场条件, 合理确定模板工程施工的流水区段, 以减少模板的投入, 增加周转次数, 均衡工序工程( 钢筋、 模板、 砼工序) 的作业量, 确保工程进度。2.2 按工程结构设计图进行模板设计,确保强度、 刚度及稳定性。2.3 绘制全套模板...

1、当您付费下载文档后,您只拥有了使用权限,并不意味着购买了版权,文档只能用于自身使用,不得用于其他商业用途(如 [转卖]进行直接盈利或[编辑后售卖]进行间接盈利)。
2、本站所有内容均由合作方或网友上传,本站不对文档的完整性、权威性及其观点立场正确性做任何保证或承诺!文档内容仅供研究参考,付费前请自行鉴别。
3、如文档内容存在违规,或者侵犯商业秘密、侵犯著作权等,请点击“违规举报”。

碎片内容

绿地国际花都范本工程施工方案模板

您可能关注的文档

确认删除?
VIP
微信客服
  • 扫码咨询
会员Q群
  • 会员专属群点击这里加入QQ群
客服邮箱
回到顶部