电脑桌面
添加小米粒文库到电脑桌面
安装后可以在桌面快捷访问

群塔施工方案模板

群塔施工方案模板_第1页
1/20
群塔施工方案模板_第2页
2/20
群塔施工方案模板_第3页
3/20
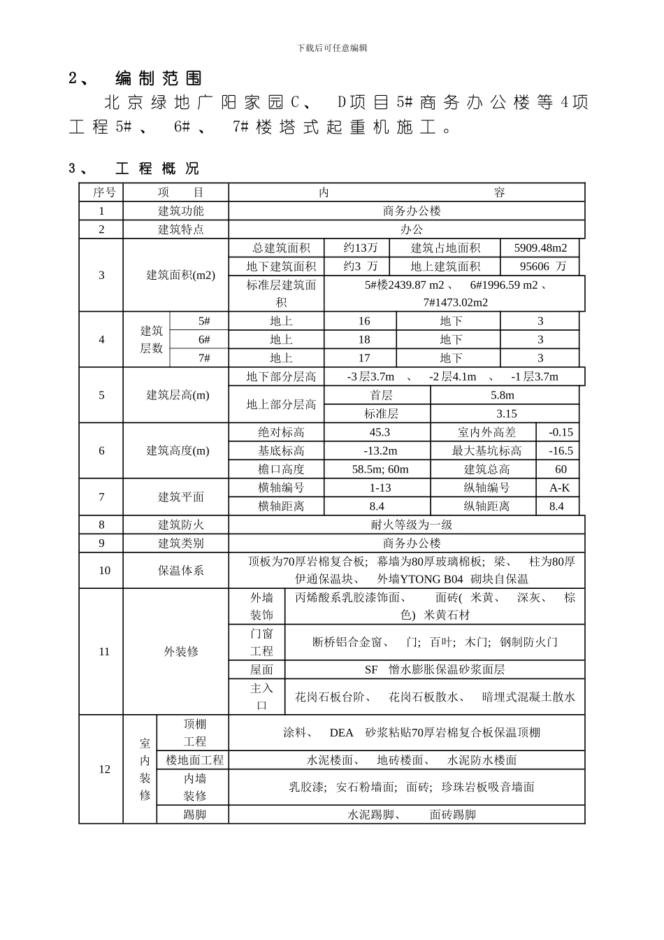
下载后可任意编辑目 录1 、 编 制 依 据 ....................................... 11.1. 相 关 技 术 资 料 ................................ 11.2. 相 关 标 准 、 法 律 规 范 ...................... 11.3 其 它 ............................................ 12 、 编 制 范 围 ....................................... 13 、 工 程 概 况 ....................................... 14 、 塔 机 位 置 布 置 .................................. 35 、 塔 吊 安 装 施 工 部 署 ............................ 56 、 塔 吊 安 装 ....................................... 67 、 拆 塔 安 排 ....................................... 88 、 群 塔 运 行 控 制 .................................. 89 、 安 全 施 工 技 术 措 施 ............................ 810 、 群 塔 作 业 安 全 技 术 措 施 ..................... 911 、 总 包 配 合 .................................... 1412 、 工 程 一 览 表 .................................. 15下载后可任意编辑1 、 编 制 依 据1.1. 相 关 技 术 资 料(1) 《 广 阳 家 园 C 、 D 项 目 5# 商 务 办 公 楼 等 4 项 施工 组 织 设 计 》(2) 《 广 阳 家 园 C 、 D 项 目 工 程 施 工 图 纸 》1.2. 相 关 标 准 、 法 律 规 范序 号名 称编 号1建 设 工 程 项 目 管 理 法 律 规范 编 制GB/T50326- 2工 程 测 量 法 律 规 范GB50026- 3建 筑 地 基 基 础 设 计 法 律 规范GB50007- 4建 筑 地 基 基 础 工 程 施 工 质量 验 收 法 律 规 范GB50202- 5混 凝 土 结 构 工 程 施 工 及 验收 法 律 规 范GB50204- 6建 筑 工 程 施 工 质 量 验 收 统一 标 准GBJ50300- 7钢 筋 焊 接 及 验 收 规 程JGJ18- 8建 筑 机 械 使 用 安 全 操 作 规程JGJ33- 9施 工 现 场 临 时 用 电 安 全 技术 法 律 规 范JGJ46- 10建 设 工 程 施 工 现 场 供 用 电安 全 法 律 规 范50104-9311建 筑 施 工 安 全 检 查 标 准JGJ59-9912高 空 作 业 机 械...

1、当您付费下载文档后,您只拥有了使用权限,并不意味着购买了版权,文档只能用于自身使用,不得用于其他商业用途(如 [转卖]进行直接盈利或[编辑后售卖]进行间接盈利)。
2、本站所有内容均由合作方或网友上传,本站不对文档的完整性、权威性及其观点立场正确性做任何保证或承诺!文档内容仅供研究参考,付费前请自行鉴别。
3、如文档内容存在违规,或者侵犯商业秘密、侵犯著作权等,请点击“违规举报”。

碎片内容

群塔施工方案模板

确认删除?
VIP
微信客服
  • 扫码咨询
会员Q群
  • 会员专属群点击这里加入QQ群
客服邮箱
回到顶部