电脑桌面
添加小米粒文库到电脑桌面
安装后可以在桌面快捷访问

质量管理体系与保证措施VIP专享

质量管理体系与保证措施_第1页
1/15
质量管理体系与保证措施_第2页
2/15
质量管理体系与保证措施_第3页
3/15
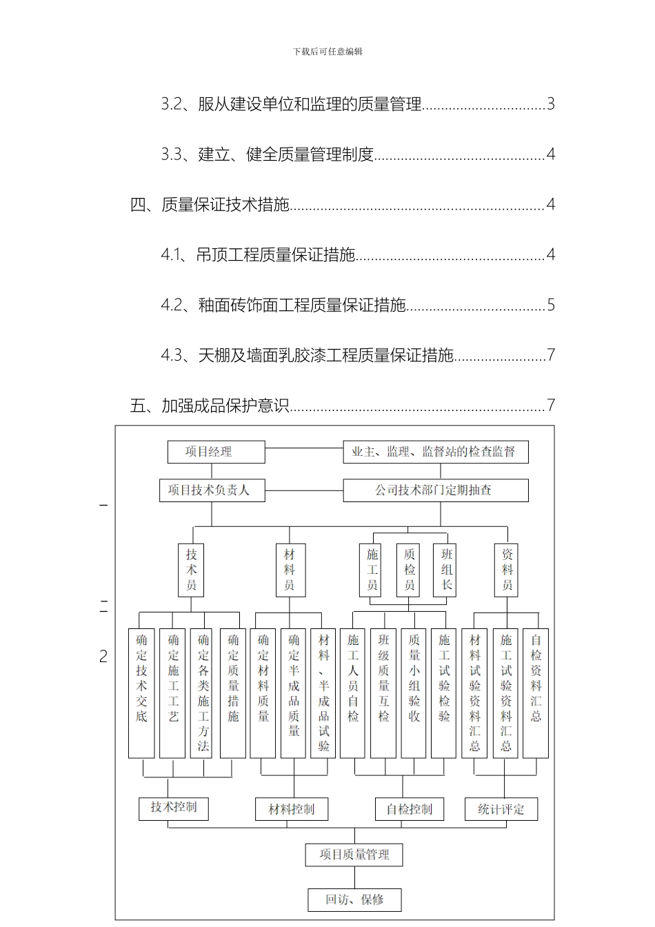
下载后可任意编辑质量管理体系与保证措施12024 年 4 月 19 日下载后可任意编辑第二章 质量管理体系与保证措施目 录一、质量控制目标...........................................................................1二、质量保证管理措施...................................................................12.1、建立项目质量保证体系..................................................12.2、建立健全工程质量管理制度.........................................12.3、建立技术工人等级考核制度........................................22.4、强化工程技术人员和职工质量意识............................22.5、严格执行三级检查验收制度........................................22.6、建立工程质量预控制度.................................................22.7、严格执行质量奖罚制度.................................................22.8、定期召开质量分析会议.................................................32.9、建立质量回访制度.........................................................3三、质量保证组织措施..................................................................33.1、精心组建施工队伍..........................................................302024 年 4 月 19 日下载后可任意编辑3.2、服从建设单位和监理的质量管理................................33.3、建立、健全质量管理制度............................................4四、质量保证技术措施..................................................................44.1、吊顶工程质量保证措施.................................................44.2、釉面砖饰面工程质量保证措施....................................54.3、天棚及墙面乳胶漆工程质量保证措施........................7五、加强成品保护意识..................................................................7六、对原有建筑构件的保护措施..................................................8一、质量控制目标质量目标:确保合格工程,争取优良工程。二、质量保证管理措施2.1、建立项目质量保证体系12024 年 4 月 19 日下载后可任意编辑2.2、建立健全工程质量管理制度成立以项目经理为组长,项目技术负责人为副组长,由技术员、专职质检员、施工员参...

1、当您付费下载文档后,您只拥有了使用权限,并不意味着购买了版权,文档只能用于自身使用,不得用于其他商业用途(如 [转卖]进行直接盈利或[编辑后售卖]进行间接盈利)。
2、本站所有内容均由合作方或网友上传,本站不对文档的完整性、权威性及其观点立场正确性做任何保证或承诺!文档内容仅供研究参考,付费前请自行鉴别。
3、如文档内容存在违规,或者侵犯商业秘密、侵犯著作权等,请点击“违规举报”。

碎片内容

质量管理体系与保证措施

MY shop+ 关注
实名认证
内容提供者

欢迎挑选适合自己的材料。

确认删除?
VIP
微信客服
  • 扫码咨询
会员Q群
  • 会员专属群点击这里加入QQ群
客服邮箱
回到顶部