电脑桌面
添加小米粒文库到电脑桌面
安装后可以在桌面快捷访问

外贸完整操作流程VIP专享

外贸完整操作流程_第1页
1/24
外贸完整操作流程_第2页
2/24
外贸完整操作流程_第3页
3/24
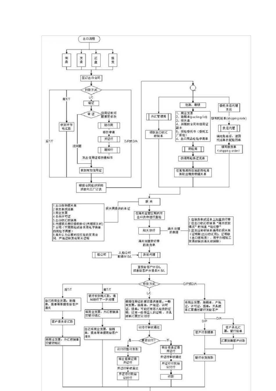
图解:进出口贸易流程图:进口运行程序对比出口运行程序,全局透视进出口贸易的操作 图解:出口交易成本费用示意图:显示出口交易中各项可能涉及到的成本 图解:外贸出口流程图:从联络外商发盘到收到货款退税完成每项出口操作细致流程图 图解:不同国家的包装偏好 图解:不同国家的颜色偏好 图解:订单处理及发货流程图 图解:信用证流程 图解:一般贸易通关流程图 图解:风险与海损 图解:汇票传递示意图 [/url] 图解:加工贸易业务审批流程图 图解: 出口企业或特准退税的企业在获得进出口经营权或特准退税业务发生后30 日内向主管出口退税的国税机关申请办理出口退税登记。 出口企业改变单位名称、法定代表人、经营地点、进出口经营范围、经营方式、开户银行及帐号等事项,自工商行政管理机关办理变更登记或者有关批准宣布变更之日起 30 日内,持变更登记的有关证明文件和原退税登记证件等资料到退税机关办理退税变更登记。 出口企业发生破产、解散、撤销以及其他依法应当终止退税事项的情况,须在批准撤并之日起 30 日内,向工商行政管理机关办理注销登记前,申报办理出口退税注销登记。 图解:海运进口单证操作流程图 图解:进出口报关流程图 图解:空运进口单证操作流程图 图解:出口集装箱流程图 1、出口集装箱进入港区后,港区向海关发送出口集装箱进场信息。 2、待货主作出口报关后,海关向港区发送出口集装箱查验或放行信息。 3、港区将形成的预配船图发送给船代和外理。 4、船代按预配船图形成出口舱单发送给海关。 5、外理按预配船图形成出口船图发送给海关。 图解:进口报关流程(公共保税库出库) 图解:堆场操作流程图之空箱出场流程 图解:堆场操作流程图之空箱进场流程 图解:进出口报关租船订舱流程 图解:生产企业出口退税流程图 图解:铁路运输清关流程图 图解:临时进口报关流程图 图解:货运业务流程图 图解: 海运流程操作 一、托运 1、托运人提供:(1)箱型(2)箱量(3)目的港(4)出运时间 (5)货物品名(美国线,必须报品名) 2、客户接收海运价后 若要委托装箱,货运公司向货主问明装箱方式。 (1)厂地装箱(托运人提供工厂地址) (2)仓库装箱(货运公司向托运人提供仓库地址) 3、货运公司向托运人索要报关资料。 二、定舱 货运公司把货物情况提供给船公司与船公司确定价格,向船公司定舱。船公司接收定舱后,告知船名、船期、提单号。 三、做箱 1、仓库...

1、当您付费下载文档后,您只拥有了使用权限,并不意味着购买了版权,文档只能用于自身使用,不得用于其他商业用途(如 [转卖]进行直接盈利或[编辑后售卖]进行间接盈利)。
2、本站所有内容均由合作方或网友上传,本站不对文档的完整性、权威性及其观点立场正确性做任何保证或承诺!文档内容仅供研究参考,付费前请自行鉴别。
3、如文档内容存在违规,或者侵犯商业秘密、侵犯著作权等,请点击“违规举报”。

碎片内容

外贸完整操作流程

确认删除?
VIP
微信客服
  • 扫码咨询
会员Q群
  • 会员专属群点击这里加入QQ群
客服邮箱
回到顶部