电脑桌面
添加小米粒文库到电脑桌面
安装后可以在桌面快捷访问

多功能厅设备清单

多功能厅设备清单_第1页
1/10
多功能厅设备清单_第2页
2/10
多功能厅设备清单_第3页
3/10
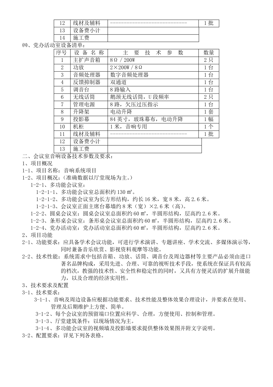
㈠、多功能会议室设备清单: 序号 设 备 名 称 主 要 技 术 参 数 数量 1 主扩声音箱 8Ω/40W 4 只 2 媒体扬声器 8Ω/100W 2 只 3 功放 4×250W/8Ω 1 台 4 音频处理器 数字音频处理器 1 台 5 反馈抑制器 双通道 1 台 6 调音台 机架式,10 路单声、2 路立体声 1 台 7 无线话筒 鹅颈无线话筒,U 段频率 2 只 8 会议话筒 1 个主席单元,21 个发言单元 1 套 9 管理电源 8 路,欠压过压指示 1 台 10 视频墙 主屏 133 英寸,16∶9,金属硬幕 1 套 11 投影墙 主屏 110 寸,16∶9,电动纤维幕布 1 套 12 升降架 电动升降 1 套 13 机柜 1 米,音响专用 1 个 14 线材及辅料 1 批 15 设备费小计 16 施工费 ㈡、圆桌会议室设备清单 序号 设 备 名 称 主 要 技 术 参 数 数量 1 主扩声音箱 8Ω/40W 4 只 2 功放 2×200W/8Ω 1 台 3 音频处理器 数字音频处理器 1 台 4 反馈抑制器 双通道 1 台 5 调音台 自动调音台,8 路输入 1 台 6 无线话筒 鹅颈无线话筒,U 段频率 8 只 7 管理电源 8 路,欠压过压指示 1 台 8 升降架 电动升降 1 套 9 投影幕 110 英寸,16∶9,纤维幕布,电动 1 幅 10 机柜 1 米,音响专用 1 个 11 线材及辅料 ---------------------------- 1 批 12 设备费小计 13 施工费 ㈢、条形桌会议室设备清单: 序号 设 备 名 称 主 要 技 术 参 数 数量 1 主扩声音箱 8Ω/40W 4 只 2 功放 2×200W/8Ω 1 台 3 音频处理器 数字音频处理器 1 台 4 反馈抑制器 双通道 1 台 5 调音台 自动调音台,8 路输入 1 台 6 无线话筒 鹅颈无线话筒,U 段频率 2 只 7 会议话筒 鹅颈话筒,电容式,单一指向 4 只 8 管理电源 8 路,欠压过压指示 1 台 9 升降架 电动升降 1 套 10 投影幕 84 英寸,玻珠幕布,电动升降 1 幅 11 机柜 1 米,音响专用 1 个 12 线材及辅料 ---------------------------- 1 批 13 设备费小计 14 施工费 ㈣、党办活动室设备清单: 序号 设 备 名 称 主 要 技 术 参 数 数量 1 主扩声音箱 8Ω/200W 2 只 2 功放 2×200W/8Ω 1 台 3 音频处理器 数字音频处理器 1 台 4 反馈抑制器 双通道 1 台 5 调音台 8 路输入 1 台 6...

1、当您付费下载文档后,您只拥有了使用权限,并不意味着购买了版权,文档只能用于自身使用,不得用于其他商业用途(如 [转卖]进行直接盈利或[编辑后售卖]进行间接盈利)。
2、本站所有内容均由合作方或网友上传,本站不对文档的完整性、权威性及其观点立场正确性做任何保证或承诺!文档内容仅供研究参考,付费前请自行鉴别。
3、如文档内容存在违规,或者侵犯商业秘密、侵犯著作权等,请点击“违规举报”。

碎片内容

多功能厅设备清单

小辰6+ 关注
实名认证
内容提供者

出售各种资料和文档

确认删除?
VIP
微信客服
  • 扫码咨询
会员Q群
  • 会员专属群点击这里加入QQ群
客服邮箱
回到顶部