电脑桌面
添加小米粒文库到电脑桌面
安装后可以在桌面快捷访问

保温一体板施工方案

保温一体板施工方案_第1页
1/9
保温一体板施工方案_第2页
2/9
保温一体板施工方案_第3页
3/9
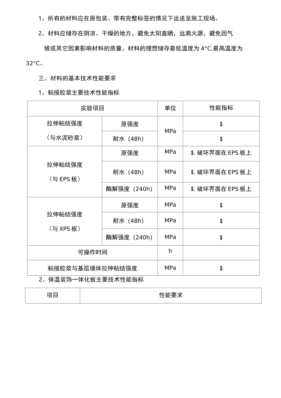
保温装饰一体化外墙外保温系统。保温装饰一体化外墙外保温系统是由专用粘接胶浆、一体化板、锚固件、硅酮耐候胶组成。专用粘接胶浆是由高分子聚合物材料和多种添加剂与普通硅酸盐水泥混合而成的改性砂浆,用以在基层墙体上粘结一体化板,具有良好的粘结力。一体化板具有良好的机械性能,能抵御骤冷骤热、温差变化引起的外饰面层龟裂;具有卓越的耐候功能,大大延长保温系统的使用寿命。硅酮耐候胶具有良好的弹性和耐候性,可吸收每块板热胀冷缩产生的内部应力和防止裂纹。这些材料配套使用,保证整个系统具有极佳的抗龟裂功能,以及高效的保温隔热性能、卓越的耐候性能,良好的防水和水蒸气渗透性能,是传统保温材料的升级换代产品。一、施工条件1、施工现场应做到通电、通水,并保持工作环境的清洁。2、外墙保温施工期间及完工后 24h 内,环境温度和基层墙体表面温度均不得低于 0°C。3、大风天气禁止施工,风速应不大于 5 级。4、为保证施工质量,夏季施工面应避免阳光暴晒,必要时,应在脚手架上搭设防晒布,遮挡施工墙面。5、雨天和空气湿度大于 85%的天气禁止施工,及时关注天气预报,保温抹面层未干燥之前应采取措施防止雨水冲刷。6、门窗框安装完毕,所有二次结构、砌体等全部完成施工。7、施工前土建墙面应平整垂直,垂直度误差在 30mm 之间,平整度在 5mm/m?。8、墙面穿墙洞孔全部封堵完毕。9、楼体周围 3m 内平整,具体以施工运料小车能正常通行为宜。10、送货车能进入施工现场卸货,有施工用裁板机场地及防护棚。裁板机施工棚二、材料的运输和储存1、所有的材料应在原包装、带有完整标签的情况下运送至施工现场。2、材料应储存在阴凉、干燥的地方,避免太阳直晒,远离火源,避免因气候或其它因素影响材料的质量。材料的理想储存最低温度为 4°C,最高温度为32°C。三、材料的基本技术性能要求1、粘接胶浆主要技术性能指标实验项目单位性能指标拉伸粘结强度(与水泥砂浆)原强度MPa$耐水(48h)$拉伸粘结强度(与 EPS 板)原强度MPa$,破坏界面在 EPS 板上耐水(48h)MPa$,破坏界面在 EPS 板上酶解强度(240h)MPa$,破坏界面在 EPS 板上拉伸粘结强度(与 XPS 板)原强度MPa$耐水(48h)MPa$酶解强度(240h)MPa$可操作时间h粘接胶浆与基层墙体拉伸粘结强度MPa$2、保温装饰一体化板主要技术性能指标项目性能要求耐候性表面无裂纹、粉化、起泡或剥落现象,保护层无空鼓或脱落现象等破坏,不得产生渗水裂缝。试验结束...

1、当您付费下载文档后,您只拥有了使用权限,并不意味着购买了版权,文档只能用于自身使用,不得用于其他商业用途(如 [转卖]进行直接盈利或[编辑后售卖]进行间接盈利)。
2、本站所有内容均由合作方或网友上传,本站不对文档的完整性、权威性及其观点立场正确性做任何保证或承诺!文档内容仅供研究参考,付费前请自行鉴别。
3、如文档内容存在违规,或者侵犯商业秘密、侵犯著作权等,请点击“违规举报”。

碎片内容

保温一体板施工方案

确认删除?
VIP
微信客服
  • 扫码咨询
会员Q群
  • 会员专属群点击这里加入QQ群
客服邮箱
回到顶部