电脑桌面
添加小米粒文库到电脑桌面
安装后可以在桌面快捷访问

物料提升机基础施工方案39018

物料提升机基础施工方案39018_第1页
1/11
物料提升机基础施工方案39018_第2页
2/11
物料提升机基础施工方案39018_第3页
3/11
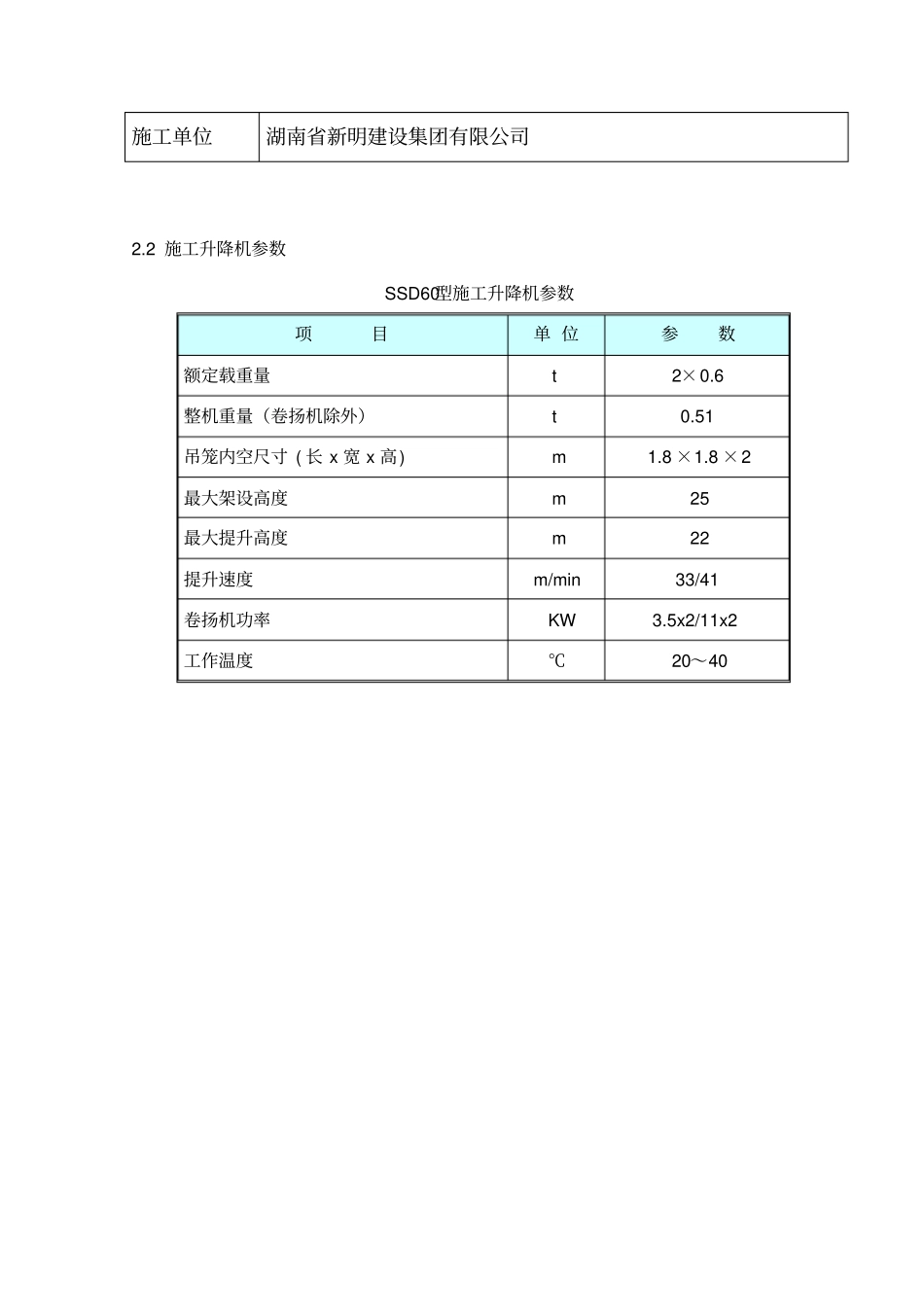
目录1. 编制依据2. 工程概况2.1 工程概况2.2 施工升降机参数3.施工升降机基础3.1 基础尺寸3.2 基础技术参数3.3 地质情况4.施工升降机基础位置布置5.基础施工工艺5.1 、施工升降机基础施工流程5.2 、基础施工6. 施工升降机自重及基础计算6.1 、自重计算6.2 、动荷载计算6.3 、基础自重计算6.4 、地基承载力验算1. 编制依据《湖南省黎托强制隔离戒毒所改扩建工程施工图》《施工现场设施安全设计计算手册》谢建民编著《建筑地基基础设计规范》GB50007-2011 《混凝土结构设计规范》 GB50010-2010 《建筑施工扣件式钢管脚手架安全技术规范》JGJ130-2011 《木结构设计规范》 GB50005-2003 《钢结构设计规范》 GB50017-2003 《砌体结构设计规范》 GB50003-2011 《井架及井架物料提升机安全技术规范》JGJ88-2010 《SSD60/60施工升降机使用说明》2. 工程概况2.1 工程概况工程名称工程类别建设地点建设单位湖南省黎托强制隔离戒毒所设计单位监理公司湖南建通工程管理有限公司施工单位湖南省新明建设集团有限公司2.2 施工升降机参数SSD60型施工升降机参数项目单 位参数额定载重量t 2×0.6 整机重量(卷扬机除外)t 0.51 吊笼内空尺寸 ( 长 x 宽 x 高) m 1.8 ×1.8 ×2 最大架设高度m 25 最大提升高度m 22 提升速度m/min 33/41 卷扬机功率KW 3.5x2/11x2 工作温度℃20~40 3.施工升降机基础3.1 基础尺寸图 3.1.1 基础尺寸及基础预埋件图 3.1.2 整体尺寸3.2 基础技术参数1、基础混凝土下的地基承载力不小于0.1Mpa;2、基础配筋为底筋单层双向B10@150mm;3、基础混凝土强度等级为C30;4、基础混凝土强度达到设计强度的75%时始准安装,强度达到100%时始准使用。3.3 地质情况为确保基础不下沉,我部对井架基础部分的回填土全部加大尺寸挖开至原土,并且回填碎砖渣,每 30cm压实一次并用细石粉填缝,直至达到基础垫层标高位置。4.施工升降机基础位置布置根据施工需要,施工升降机布置位置如下:三部施工升降机均设置在建筑物外侧,离开外悬挑梁边1600mm;C栋 1 轴交 M-N轴; D栋 1 轴交 X-B-X-C 轴; E 栋 15-16 轴交 X-A 轴5.基础施工工艺5.1 、施工升降机基础施工流程平整场地定位放线基础开挖基础换填垫层浇筑、定位放线钢筋绑扎预埋件安装、定位混凝土浇筑5.2 、基础施工用挖掘机将基础施工位置的场地平整完毕,用白灰洒出基础位置线, 然后开挖基坑。基础尺寸为 3600×...

1、当您付费下载文档后,您只拥有了使用权限,并不意味着购买了版权,文档只能用于自身使用,不得用于其他商业用途(如 [转卖]进行直接盈利或[编辑后售卖]进行间接盈利)。
2、本站所有内容均由合作方或网友上传,本站不对文档的完整性、权威性及其观点立场正确性做任何保证或承诺!文档内容仅供研究参考,付费前请自行鉴别。
3、如文档内容存在违规,或者侵犯商业秘密、侵犯著作权等,请点击“违规举报”。

碎片内容

物料提升机基础施工方案39018

确认删除?
VIP
微信客服
  • 扫码咨询
会员Q群
  • 会员专属群点击这里加入QQ群
客服邮箱
回到顶部