电脑桌面
添加小米粒文库到电脑桌面
安装后可以在桌面快捷访问

物流系统规划与设计案例分析一-43188

物流系统规划与设计案例分析一-43188_第1页
1/5
物流系统规划与设计案例分析一-43188_第2页
2/5
物流系统规划与设计案例分析一-43188_第3页
3/5
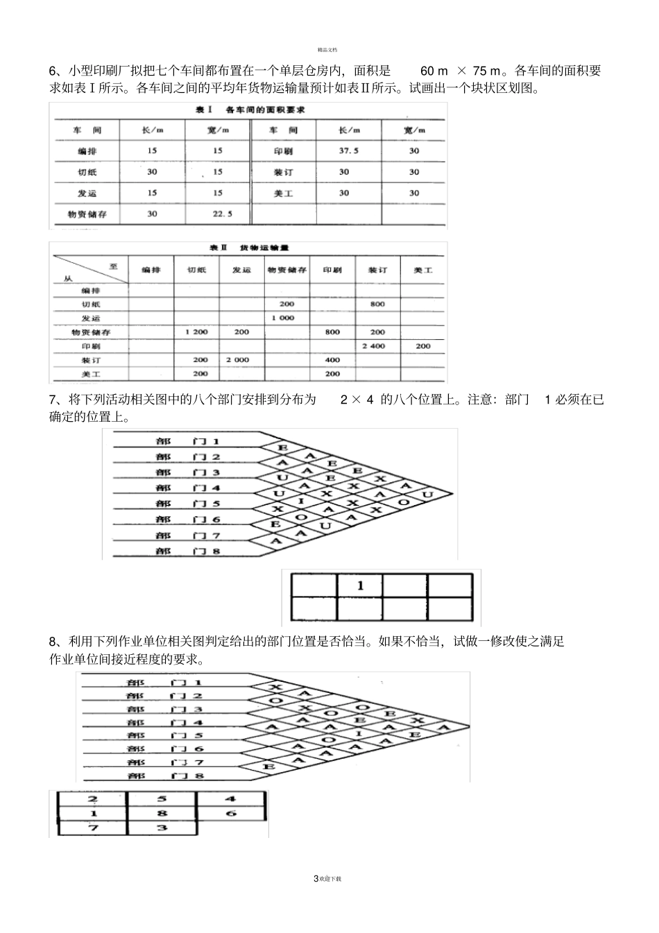
物流系统规划与设计案例分析一1、某工厂生产 10 种产品,设有六个部门,每种产品的月产量及其工艺流程如下表。试绘制多产品工艺过程图,计算出部门以每月产品数为单位的物流量,并画出表示物流量的从一至表。2、一所大学的咨询办公室有四个房间,每个房间都用于处理特定问题: A房间用于处理学生来函;B 房间用于日程安排咨询;C 房间用于处理年级申诉;D 房间用于处理学生咨询。办公室长40m、宽 10m,每个房间面积都是100 ㎡。目前房间按 A、B、C、D直线型布置。人流量表示一个房间中的每个咨询人员与其他房间咨询人员的接触次数。假设所有的咨询人员权重相等, 人流量 AB=10,AC=20,AD=30,BC=15,BD=10,CD=20。试求: ①根据物料搬运成本的方法评价该布置方式;②交换各房间的工作职能,以改进布置方式,并用与①同样的方法评价改进的程度。3、一个工厂生产的产品及产量如下表所示,试划分适宜采用的基本布置形式。4、Dorf 公司是比利时一家进行高质量玩具装配的小型企业,其原料和铁件均来自香港。公司目前的设施布局很随意,这也使得公司很难保证完成每天产出50 个玩具的目标,而该目标是基于对欧洲市场需求预测的结果。生产部经理Dorf 先生希望通过设施布局的改进来提高生产能力,以完成预定的生产目标。玩具的装配需要经过11 道作业,每道作业所需的时间见下表。该公司采用每周五天工作制,每天工作八小时。问题:分别用下列两种方法,确定优化的装配线布置方案,用工作流程的形式表示出来,并从理论上说明该方案的有效性。用“后面的任务最多”方式来进行分析,请注意考虑工序的前后顺序性。用“完成时间最长”的方式来进行分析,同样注意考虑工序的前后顺序性。5、某医院有七个部门,已经绘制了两个从一至表,表a 表示一般物品的物流量。表b 表示药品的物流量。已经确定药品流动的重要性是一般物品流动的一倍,试将两个从一至表综合为一个作业单位相关图。精品文档。3欢迎下载6、小型印刷厂拟把七个车间都布置在一个单层仓房内,面积是 60 m × 75 m。各车间的面积要求如表Ⅰ所示。各车间之间的平均年货物运输量预计如表Ⅱ所示。试画出一个块状区划图。7、将下列活动相关图中的八个部门安排到分布为 2 × 4 的八个位置上。注意:部门1 必须在已确定的位置上。8、利用下列作业单位相关图判定给出的部门位置是否恰当。如果不恰当,试做一修改使之满足作业单位间接近程度的要求。※9、案例与讨论 Des Monie...

1、当您付费下载文档后,您只拥有了使用权限,并不意味着购买了版权,文档只能用于自身使用,不得用于其他商业用途(如 [转卖]进行直接盈利或[编辑后售卖]进行间接盈利)。
2、本站所有内容均由合作方或网友上传,本站不对文档的完整性、权威性及其观点立场正确性做任何保证或承诺!文档内容仅供研究参考,付费前请自行鉴别。
3、如文档内容存在违规,或者侵犯商业秘密、侵犯著作权等,请点击“违规举报”。

碎片内容

物流系统规划与设计案例分析一-43188

您可能关注的文档

确认删除?
VIP
微信客服
  • 扫码咨询
会员Q群
  • 会员专属群点击这里加入QQ群
客服邮箱
回到顶部