电脑桌面
添加小米粒文库到电脑桌面
安装后可以在桌面快捷访问

特种设备使用单位现场安全监督检查项目表压力管道使用情况VIP专享

特种设备使用单位现场安全监督检查项目表压力管道使用情况_第1页
1/5
特种设备使用单位现场安全监督检查项目表压力管道使用情况_第2页
2/5
特种设备使用单位现场安全监督检查项目表压力管道使用情况_第3页
3/5
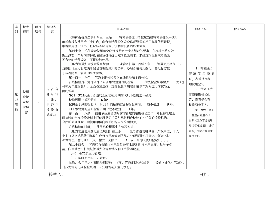
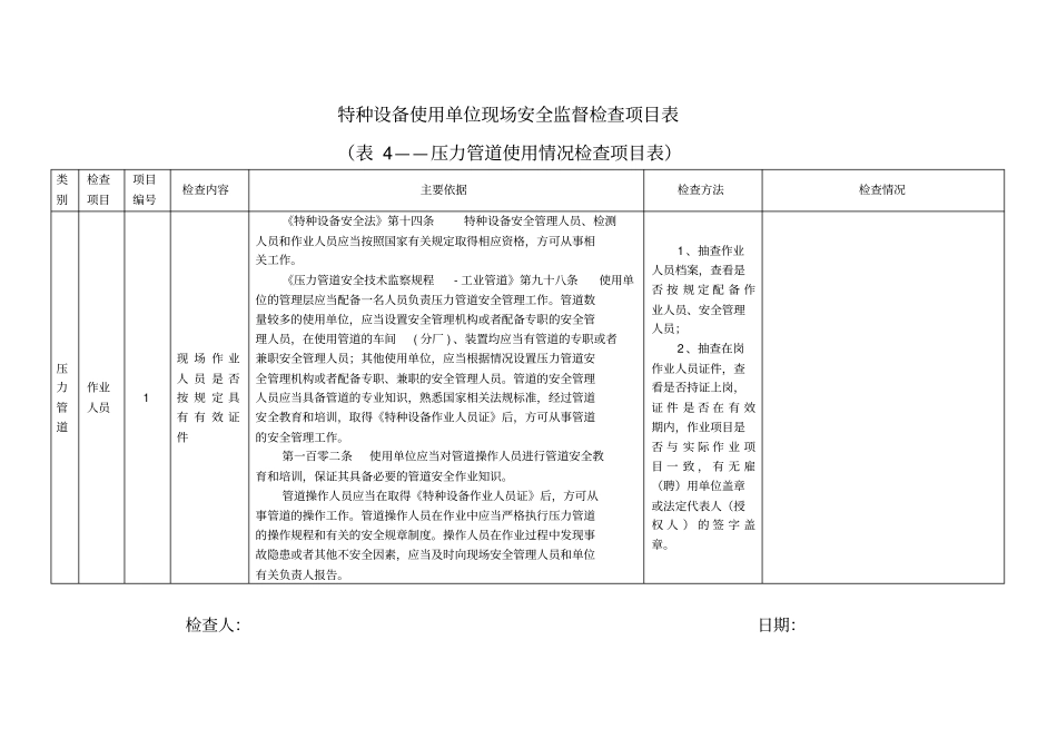
特种设备使用单位现场安全监督检查项目表(表 4——压力管道使用情况检查项目表)类别检查项目项目编号检查内容主要依据检查方法检查情况压力管道作业人员1 现 场 作 业人 员 是 否按 规 定 具有 有 效 证件《特种设备安全法》第十四条特种设备安全管理人员、检测人员和作业人员应当按照国家有关规定取得相应资格,方可从事相关工作。《压力管道安全技术监察规程- 工业管道》第九十八条使用单位的管理层应当配备一名人员负责压力管道安全管理工作。管道数量较多的使用单位,应当设置安全管理机构或者配备专职的安全管理人员,在使用管道的车间( 分厂 ) 、装置均应当有管道的专职或者兼职安全管理人员;其他使用单位,应当根据情况设置压力管道安全管理机构或者配备专职、兼职的安全管理人员。管道的安全管理人员应当具备管道的专业知识,熟悉国家相关法规标准,经过管道安全教育和培训,取得《特种设备作业人员证》后,方可从事管道的安全管理工作。第一百零二条使用单位应当对管道操作人员进行管道安全教育和培训,保证其具备必要的管道安全作业知识。管道操作人员应当在取得《特种设备作业人员证》后,方可从事管道的操作工作。管道操作人员在作业中应当严格执行压力管道的操作规程和有关的安全规章制度。操作人员在作业过程中发现事故隐患或者其他不安全因素,应当及时向现场安全管理人员和单位有关负责人报告。1 、抽查作业人员档案,查看是否 按 规 定 配 备 作业人员、安全管理人员;2 、抽查在岗作业人员证件,查看是否持证上岗,证 件 是 否 在 有 效期内,作业项目是否 与 实 际 作 业 项目 一 致 , 有 无 雇(聘)用单位盖章或法定代表人(授权 人 ) 的 签 字 盖章。检查人:日期:类别检查项目项目编号检查内容主要依据检查方法检查情况压力管道使用登记及检验标志2 是 否 有使 用 登记 证 ,是 否 在检 验 有效期内《特种设备安全法》第三十三条特种设备使用单位应当在特种设备投入使用前或者投入使用后三十日内,向负责特种设备安全监督管理的部门办理使用登记,取得使用登记证书。登记标志应当置于该特种设备的显著位置。第四十条特种设备使用单位应当按照安全技术规范的要求,在检验合格有效期届满前一个月向特种设备检验机构提出定期检验要求。未经定期检验或者检验不合格的特种设备,不得继续使用。《压力管道安全技术监察规程- 工业管道》第一百零四条管道使用...

1、当您付费下载文档后,您只拥有了使用权限,并不意味着购买了版权,文档只能用于自身使用,不得用于其他商业用途(如 [转卖]进行直接盈利或[编辑后售卖]进行间接盈利)。
2、本站所有内容均由合作方或网友上传,本站不对文档的完整性、权威性及其观点立场正确性做任何保证或承诺!文档内容仅供研究参考,付费前请自行鉴别。
3、如文档内容存在违规,或者侵犯商业秘密、侵犯著作权等,请点击“违规举报”。

碎片内容

特种设备使用单位现场安全监督检查项目表压力管道使用情况

爱的疯狂+ 关注
实名认证
内容提供者

该用户很懒,什么也没介绍

确认删除?
VIP
微信客服
  • 扫码咨询
会员Q群
  • 会员专属群点击这里加入QQ群
客服邮箱
回到顶部