电脑桌面
添加小米粒文库到电脑桌面
安装后可以在桌面快捷访问

特种设备使用单位现场安全监督检查项目表锅炉使用情况VIP专享

特种设备使用单位现场安全监督检查项目表锅炉使用情况_第1页
1/5
特种设备使用单位现场安全监督检查项目表锅炉使用情况_第2页
2/5
特种设备使用单位现场安全监督检查项目表锅炉使用情况_第3页
3/5
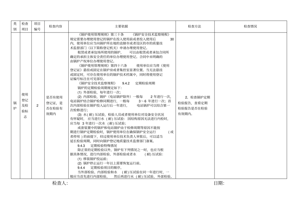
特种设备使用单位现场安全监督检查项目表(表 2——锅炉使用情况检查项目表)类别检查项目项目编号检查内容主要依据检查方法检查情况锅炉作业人员1 现场作业人员是否具有有效证件《特种设备安全法》第十四条特种设备安全管理人员、检测人员和作业人员应当按照国家有关规定取得相应资格,方可从事相关工作。《锅炉使用管理规则》第十八条使用单位应当根据本单位锅炉数量和特性,配备锅炉作业人员,并且保证在岗操作人员持证上岗。B 级以下 (含 B级)全自动锅炉可以不设跟班锅炉作业人员,但是应当建立定期巡回检查制度。《锅炉安全技术监察规程》8.1.3 安全管理和操作人员锅炉使用单位应当配备锅炉安全管理人员。锅炉运行操作人员和锅炉水处理作业人员应当按照国家质检总局颁发的《特种设备作业人员监督管理办法》的规定持证上岗,按章操作,发现隐患及时处置或者报告。B 级及以下全自动锅炉可以不设跟班锅炉运行操作人员,但是应当建立定期巡回检查制度。1、抽查作业人员档案,查看是否按规定配备锅炉运行操作人员、水处理操作人员、安全管理人员。2、抽查在岗作业人员证件,查看是否持证上岗,证件是否在有效期内,作业项目是否与实际作业项目一致,有无雇(聘)用单位盖章或法定代表人(授权人)的签字盖章。使用登记及检验标志2 是否有使用登记证,是否在检验有效期内《特种设备安全法》第三十三条特种设备使用单位应当在特种设备投入使用前或者投入使用后三十日内,向负责特种设备安全监督管理的部门办理使用登记,取得使用登记证书。登记标志应当置于该特种设备的显著位置。第四十条特种设备使用单位应当按照安全技术规范的要求,在检验合格有效期届满前一个月向特种设备检验机构提出定期检验要求。未经定期检验或者检验不合格的特种设备,不得继续使用。《锅炉安全技术监察规程》8.1.1 使用登记锅炉的使用单位,在锅炉投入使用前或者投入使用后30 日内,应当按照要求到设区的市的质量技术监督部门逐台办理登记手续。1、抽查锅炉使用登记证查看是否有办理使用登记,查看注册单位与实际使用单位是否一致,发生产权转移、名称变更、地点变更是否及时办理相关手续。检查人:日期:类别检查项目项目编号检查内容主要依据检查方法检查情况锅炉使用登记及检验标志2 是否有使用登记证,是否在检验有效期内《锅炉使用管理规则》第三十条《锅炉安全技术监察规程》规定需要办理使用登记的锅炉在投入使用前或者投入使用后30内,使用单位应当...

1、当您付费下载文档后,您只拥有了使用权限,并不意味着购买了版权,文档只能用于自身使用,不得用于其他商业用途(如 [转卖]进行直接盈利或[编辑后售卖]进行间接盈利)。
2、本站所有内容均由合作方或网友上传,本站不对文档的完整性、权威性及其观点立场正确性做任何保证或承诺!文档内容仅供研究参考,付费前请自行鉴别。
3、如文档内容存在违规,或者侵犯商业秘密、侵犯著作权等,请点击“违规举报”。

碎片内容

特种设备使用单位现场安全监督检查项目表锅炉使用情况

爱的疯狂+ 关注
实名认证
内容提供者

该用户很懒,什么也没介绍

确认删除?
VIP
微信客服
  • 扫码咨询
会员Q群
  • 会员专属群点击这里加入QQ群
客服邮箱
回到顶部