电脑桌面
添加小米粒文库到电脑桌面
安装后可以在桌面快捷访问

单位工程施工组织设计实例样本

单位工程施工组织设计实例样本_第1页
1/23
单位工程施工组织设计实例样本_第2页
2/23
单位工程施工组织设计实例样本_第3页
3/23
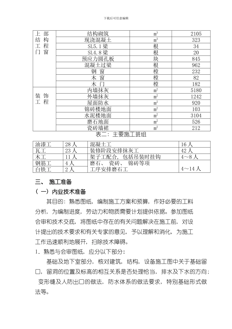
下载后可任意编辑单位工程施工组织设计实例一、 编制说明1、 本施工组织设计以工程的基础、 框架主体、 装饰工程为重点, 对其施工技术, 施工质量, 施工进度及其施工工艺流程均作了严格的控制和要求, 并制定了切实可行的质量, 进度, 安全等保证系统, 对施工机械设备的选用, 各工种劳动力的安排, 现场项目经理部的组织及现场文明施工都作了详细的部署和安排。2、 根据本工程结构、 层数、 基础形式、 内外装饰基本一致, 故在编撰施工方案时, 实行合理的施工方法, 安排合理的施工进度, 成立一个项目经理部, 对工程进行控制个管理, 使各工种、 各管理机构密切配合, 尽量缩短工期, 提高生产效率, 保质量、 保安全、 保进度, 全面完成建设任务。3、 本施工组织设计, 对此项目的工期安排是根据建设单位的要求及本地施工条件和我公司的施工技术管理水平编制, 工程施工尽量做到不扰民, 全封闭, 争创安全文明标准化现场。 二、 工程概况1、 主体结构某小区内 4#住宅楼工程, 框架结构 6 层, 外墙为混凝土小型空心砌块, 总建筑面积 3960 平方米, 东西总长 55 米, 南北总宽12 米, 其中住宅建筑面积为 3896.52 平方米。半地下室建筑面积749.4 平方米。工程的北外墙距已建住宅楼 12.5m, 南端距道路23.6 m, 楼西侧空地宽 25 m, 东侧宽 58m。建筑高度 19.6m, 层高2.8m, 设有半地下室做为车库, 层高 2.8m。2、 装饰工程楼地面为水泥拉毛地面, 乳胶漆墙裙; 内墙为混合灰面墙, 立面采纳高档涂料装饰。顶棚为刮腻子喷浆。钢外窗、 预制磨窗台板, 其余均为木门窗。屋顶作法为水泥焦渣找坡, 200mm 厚加气混凝土保下载后可任意编辑温、 二毡三油一砂防水作法。外墙以清水勾缝墙面为主, 六层部分与山墙为粘刷石, 水泥窗套用白色涂料。3、 基础工程基础埋深-2.80 m( 绝对标高 45.80 m) 。据勘察报告, 地下水位为( 45.80~46.20) m, 基底为轻压粘土和压粘土, 局部可能有淤泥, 地下水无侵蚀性。设计要求基底落在老土上, [f]=130KN/m2。基础垫层为 C15 混凝土, 厚 300 mm, 宽 2.2~1.5 m, 按构造配筋。经与设计商洽, 下加 300 mm 厚级配砂石, 作为压淤, 排水和分散压力措施。砖放大脚, 基础墙 360 mm 宽, -2.12 m 及-0.06 m 处各有 360mm×120mm钢筋混凝土圈梁, 强度等级为 C20。构造柱筋锚于-2.12 m 圈梁内。4、 主体结构工程结构按 7 度抗震设...

1、当您付费下载文档后,您只拥有了使用权限,并不意味着购买了版权,文档只能用于自身使用,不得用于其他商业用途(如 [转卖]进行直接盈利或[编辑后售卖]进行间接盈利)。
2、本站所有内容均由合作方或网友上传,本站不对文档的完整性、权威性及其观点立场正确性做任何保证或承诺!文档内容仅供研究参考,付费前请自行鉴别。
3、如文档内容存在违规,或者侵犯商业秘密、侵犯著作权等,请点击“违规举报”。

碎片内容

单位工程施工组织设计实例样本

阳光书坊+ 关注
实名认证
内容提供者

阳光书坊,传播未来

确认删除?
VIP
微信客服
  • 扫码咨询
会员Q群
  • 会员专属群点击这里加入QQ群
客服邮箱
回到顶部