电脑桌面
添加小米粒文库到电脑桌面
安装后可以在桌面快捷访问

吸上线作业指导书样本

吸上线作业指导书样本_第1页
1/5
吸上线作业指导书样本_第2页
2/5
吸上线作业指导书样本_第3页
3/5
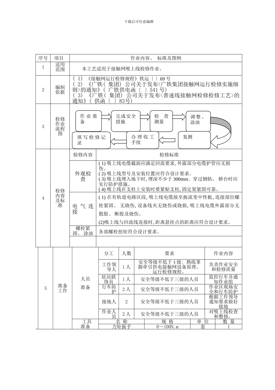
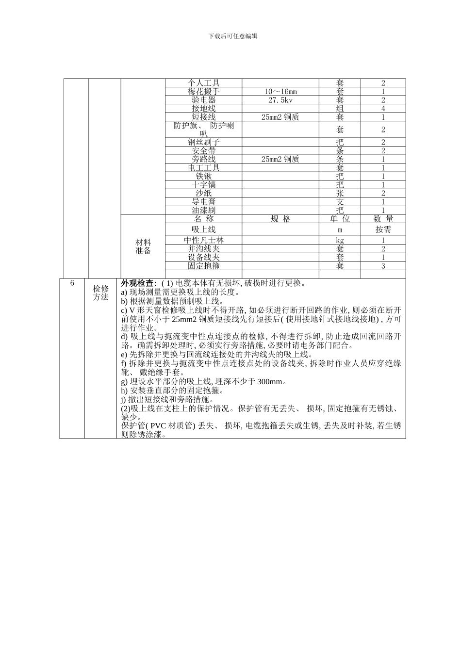
下载后可任意编辑吸上线检修作业指导书下载后可任意编辑序号项目作业内容、 标准及图例1适用范围本工艺适用于接触网吸上线检修作业。2编制依据( 1) 《接触网运行检修规程》铁运〔 〕69 号( 2) 《广铁( 集团) 公司关于发布<广铁集团接触网运行检修实施细则>的通知》( 广铁供电函〔 〕541 号) ( 3) 《广铁( 集团) 公司关于发布<普速线接触网检修检修工艺>的通知》( 供函〔 〕83号) 3检修作业流程图 4检修内容及标准检修内容检修标准外观检查( 1) 吸上线电缆截面应满足回流要求, 外露部分电缆护管应无损伤。( 2) 吸上线型号及安装位置应符合设计要求。( 3) 吸上线埋入地下时, 埋深不少于 300mm。穿过钢轨、 桥台时应实行防护措施。( 4) 吸上线在支柱上安装时要紧贴支柱, 固定架紧固可靠。电 气 连接( 1) 在有轨道电路区段, 吸上线电缆接至扼流变中性板, 连接部位螺栓紧固、 无烧伤, 设备线夹无烧伤或烧损, 吸上线电缆外露部分无散股、 断股及烧伤。(2)吸上线与回流线连接时, 距离悬挂点的距离应符合设计要求。螺栓紧固、 涂油各部螺栓扭矩符合设计要求。5准备工作人员准备分工人数要求作业内容工作领导人1 人安全等级不低于 4 级; 熟练掌握牵引供电接触网设备原理、 运行检修规程。负责作业安全和检修质量驻站联络员1 人安全等级不低于三级的人员监控行车并通知作业组行车防护2 人安全等级不低于三级的人员作业区现场安全和行车防护接地人2安全等级不低于三级的人员根据工作领导通知要求做好接地作业人员2 人安全等级不低于三级的人员对吸上线检查和整修。工具准备名 称规 格单 位数 量力矩扳手0~100N.m套1作 业 准备完成安全措施检查测量调 整 、 涂油填 写 检 修 记录办 理 收 工手续复测下载后可任意编辑个人工具套2梅花搬手10~16mm套1验电器27.5kv套2接地线组4短接线25mm2 铜质套1防护旗、 防护喇叭套2钢丝刷子把2安全带条2旁路线25mm2 铜质条1电工工具套1铁锹把1十字镐把1沙纸张2导电膏支1油漆刷把1材料准备名 称规 格单 位数 量吸上线m按需中性凡士林kg1并沟线夹套2设备线夹套1固定抱箍套36检修方法外观检查: ( 1) 电缆本体有无损坏, 破损时进行更换。a) 现场测量需更换吸上线的长度。b) 根据测量数据预制吸上线。c) V 形天窗检修吸上线时不得开路, 如必须进行断开回路的作业, 则必须在断开前使用不小于 25mm2 铜质短接线先行短接后( 使用接地针...

1、当您付费下载文档后,您只拥有了使用权限,并不意味着购买了版权,文档只能用于自身使用,不得用于其他商业用途(如 [转卖]进行直接盈利或[编辑后售卖]进行间接盈利)。
2、本站所有内容均由合作方或网友上传,本站不对文档的完整性、权威性及其观点立场正确性做任何保证或承诺!文档内容仅供研究参考,付费前请自行鉴别。
3、如文档内容存在违规,或者侵犯商业秘密、侵犯著作权等,请点击“违规举报”。

碎片内容

吸上线作业指导书样本

您可能关注的文档

雏圣文化+ 关注
实名认证
内容提供者

欢迎光临,大量办公文档供您挑选。

确认删除?
VIP
微信客服
  • 扫码咨询
会员Q群
  • 会员专属群点击这里加入QQ群
客服邮箱
回到顶部