电脑桌面
添加小米粒文库到电脑桌面
安装后可以在桌面快捷访问

嘉兴市区污水管网专项普查技术标准样本

嘉兴市区污水管网专项普查技术标准样本_第1页
1/22
嘉兴市区污水管网专项普查技术标准样本_第2页
2/22
嘉兴市区污水管网专项普查技术标准样本_第3页
3/22
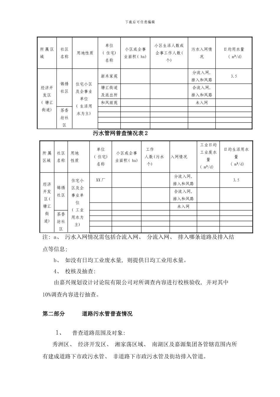
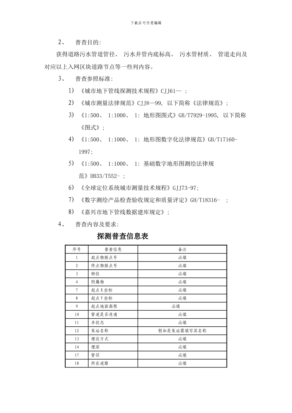
下载后可任意编辑嘉兴市区污水管网专项普查技术标准为了提高污水收集管网建设的有效性并确保高效、 及时收集和输送纳管污水, 我市将开展市区污水管网专项普查。当前, 嘉源集团已经启动了普查工作, 南湖区将要开始普查, 其它各区也都在积极准备中。为满足本次污水管网专项普查, 并与嘉兴市综合地下管线信息系统对接, 保证各区提交数据的一致性、 标准性, 特制定了本技术标准, 原则上不根据此规定实施的普查不予验收。本次普查坐标系采纳嘉兴城市坐标系, 高程采纳 1985 国家高程基准。普查法律规范参照市建委发布的综合地下管线数据入库规定( -09-20 发布) 以及本次污水管网专项普查通知, 不一致处以本规定为准。普查工作分三部分内容: 第一部分区块污水入网普查情况, 第二部分道路污水管普查情况, 第三部分成果资料。第一部分区块污水入网普查情况1、 普查区块范围及对象: 秀洲区、 经济开发区、 湘家荡区域、 南湖区及嘉源集团各管辖范围内企事业单位( 其中包括办公楼、 写字楼等) 、 住宅小区、 工业厂房污水情况; 2、 普查目的: a、 获得普查对象的污水入网情况( 雨污分流入网、 雨污合流入网或未入网) , 污水入网面积情况; b、 获得普查对象住宅小区生活人数、 企事业单位( 其中包括办公楼、 写字楼等) 办公人员人数、 工厂厂房工作人员人数情况; 及这些单位、 住宅的日均生活用水水量、 工业日均用水量。( 主要采纳以上数据进行综合整理、 分析, 得出嘉兴市城市污水入网率、 当前存在情况等问题。) 3、 普查内容及要求: 污水管网普查情况表 1 下载后可任意编辑所 属 区域社区名称用地性质单位( 住宅) 名称小区或企事业面积( ha) 小区生活人数或企事工作人数( 个) 污水入网情况日均用水量 ( m³/d) 经济开发区( 塘汇街道) 锦绣社区住宅小区及企事业单位( 生活用水为主) 新禾家苑分流入网, 排入和风路3.5塘汇街道及派出所合流入网, 排入和风路和风丽苑未入网茶香坊社区污水管网普查情况表 2 所 属区域社区名称用地性质单位( 住宅) 名称小区或企事业面积( ha) 工作人数( 个) 污水 入网情况工业日均工业废水量 ( m³/d) 日均生活用水量 ( m³/d) 经济开发区( 塘汇街道) 锦绣社区住宅小区及企事业单位( 工业用水为主) XX 厂分流入网, 排入和风路3.5合流入网, 排入和风路未入网茶香坊社区注: a、 污水入网情况需包括合流入网、 分流入网、 排...

1、当您付费下载文档后,您只拥有了使用权限,并不意味着购买了版权,文档只能用于自身使用,不得用于其他商业用途(如 [转卖]进行直接盈利或[编辑后售卖]进行间接盈利)。
2、本站所有内容均由合作方或网友上传,本站不对文档的完整性、权威性及其观点立场正确性做任何保证或承诺!文档内容仅供研究参考,付费前请自行鉴别。
3、如文档内容存在违规,或者侵犯商业秘密、侵犯著作权等,请点击“违规举报”。

碎片内容

嘉兴市区污水管网专项普查技术标准样本

确认删除?
VIP
微信客服
  • 扫码咨询
会员Q群
  • 会员专属群点击这里加入QQ群
客服邮箱
回到顶部