电脑桌面
添加小米粒文库到电脑桌面
安装后可以在桌面快捷访问

四餐具模板方案样本

四餐具模板方案样本_第1页
1/12
四餐具模板方案样本_第2页
2/12
四餐具模板方案样本_第3页
3/12
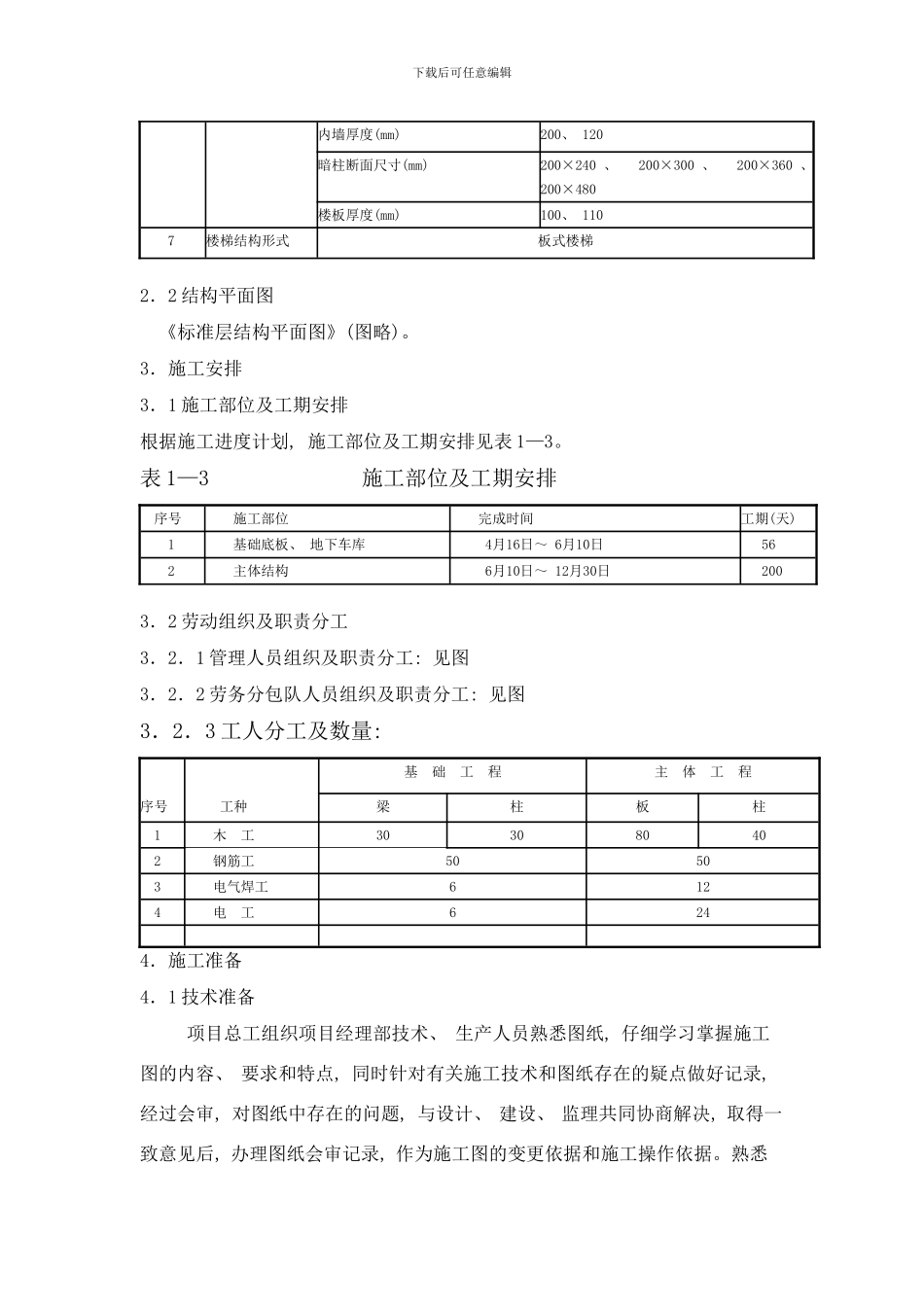
下载后可任意编辑四餐具还迁住宅 6#7#8#楼模板工程施工方案1.编制依据 . 主要依据施工图纸、 施工组织设计、 法律规范和规程, 具体见表 1-1。表 1-1 模板编制的主要依据 序号 名 称 编 号 备 注 建施1--10, 建施15--20 1四 餐 具 还 迁 住宅6#7#8#楼工程施工图纸结施2--14天津市建筑。 设计院设计 2四餐具还迁住宅6#7#8#楼工程施工组织设计 编制人: 孟德力 3规 程 、 法 律规范混凝土结构工程施工质量验收法律规范 GB50204- 2.工程概况2.1 设计概况表见表 1-2。表 1-2 设计概况表 序号 项 目 内 容 总建筑面积 43686 1建筑面积(m2) 占地面积1561 标准层面积 520 2 层数(层) 地下∕地上1∕26层 3层高( m) 2.8 结构基础结构形式桩筏基础 4 形式主体结构形式剪力墙 5 防水混凝土自防水4厚BAC双面自粘防水卷材 序号 项目 内 容外墙厚度(mm)300下载后可任意编辑内墙厚度(mm)200、 120暗柱断面尺寸(mm)200×240 、 200×300 、 200×360 、 200×480楼板厚度(mm)100、 110 7楼梯结构形式板式楼梯2.2 结构平面图 《标准层结构平面图》(图略)。3.施工安排3.1 施工部位及工期安排根据施工进度计划, 施工部位及工期安排见表 1—3。表 1—3 施工部位及工期安排 序号 施工部位 完成时间工期(天) 1 基础底板、 地下车库 4月16日~ 6月10日 56 2 主体结构 6月10日~ 12月30日 2003.2 劳动组织及职责分工3.2.1 管理人员组织及职责分工: 见图3.2.2 劳务分包队人员组织及职责分工: 见图3.2.3 工人分工及数量: 基 础 工 程主 体 工 程序号工种梁柱板柱 1 木 工303080402 钢筋工50503 电气焊工612 4 电 工6244.施工准备4.1 技术准备 项目总工组织项目经理部技术、 生产人员熟悉图纸, 仔细学习掌握施工图的内容、 要求和特点, 同时针对有关施工技术和图纸存在的疑点做好记录, 经过会审, 对图纸中存在的问题, 与设计、 建设、 监理共同协商解决, 取得一致意见后, 办理图纸会审记录, 作为施工图的变更依据和施工操作依据。熟悉下载后可任意编辑各部位截面尺寸、 标高, 制定模板初步设计方案。4.2 机具准备主要机具及工具准备详见表 1—5: 表 1—5 机具及工具准备一览表 名称 规格 功率 数量锤子重量0.25、 0.5kg 50个单头扳手开口宽(mitt): 17~19、 22~2420把圆盘锯MJ——106 3kW 3台手电钻3把...

1、当您付费下载文档后,您只拥有了使用权限,并不意味着购买了版权,文档只能用于自身使用,不得用于其他商业用途(如 [转卖]进行直接盈利或[编辑后售卖]进行间接盈利)。
2、本站所有内容均由合作方或网友上传,本站不对文档的完整性、权威性及其观点立场正确性做任何保证或承诺!文档内容仅供研究参考,付费前请自行鉴别。
3、如文档内容存在违规,或者侵犯商业秘密、侵犯著作权等,请点击“违规举报”。

碎片内容

四餐具模板方案样本

确认删除?
VIP
微信客服
  • 扫码咨询
会员Q群
  • 会员专属群点击这里加入QQ群
客服邮箱
回到顶部