电脑桌面
添加小米粒文库到电脑桌面
安装后可以在桌面快捷访问

化学与技术-(修复的)VIP免费

化学与技术-(修复的)_第1页
1/10
化学与技术-(修复的)_第2页
2/10
化学与技术-(修复的)_第3页
3/10
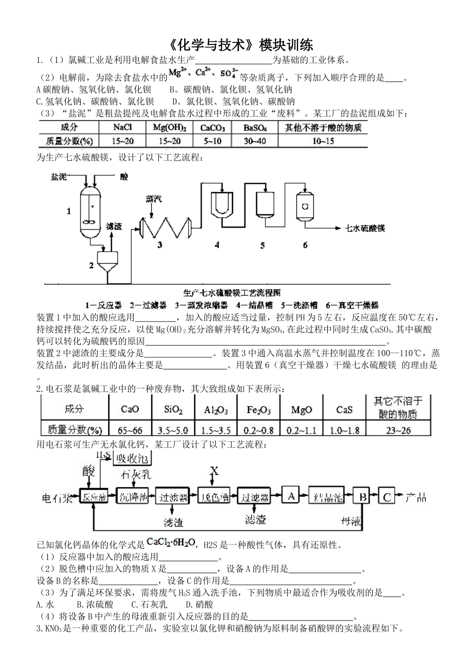
《化学与技术》模块训练1.(1)氯碱工业是利用电解食盐水生产为基础的工业体系。(2)电解前,为除去食盐水中的等杂质离子,下列加入顺序合理的是。A碳酸钠、氢氧化钠、氯化钡B。碳酸钠、氯化钡、氢氧化钠C.氢氧化钠、碳酸钠、氯化钡D。氯化钡、氢氧化钠、碳酸钠(3)“盐泥”是粗盐提纯及电解食盐水过程中形成的工业“废料”。某工厂的盐泥组成如下:为生产七水硫酸镁,设计了以下工艺流程:装置1中加入的酸应选用,加入的酸应适当过量,控制PH为5左右,反应温度在50℃左右,持续搅拌使之充分反应,以使Mg(OH)2充分溶解并转化为MgSO4,在此过程中同时生成CaSO4.其中碳酸钙可以转化为硫酸钙的原因。装置2中滤渣的主要成分是。装置3中通入高温水蒸气并控制温度在100--110℃,蒸发结晶,此时析出的晶体主要是。用装置6(真空干燥器)干燥七水硫酸镁的理由是。2.电石浆是氯碱工业中的一种废弃物,其大致组成如下表所示:用电石浆可生产无水氯化钙,某工厂设计了以下工艺流程:已知氯化钙晶体的化学式是,H2S是一种酸性气体,具有还原性。(1)反应器中加入的酸应选用。(2)脱色槽中应加入的物质X是,设备A的作用是。设备B的名称是,设备C的作用是。(3)为了满足环保要求,需将废气H2S通入洗手池,下列物质中最适合作为吸收剂的是。A.水B.浓硫酸C.石灰乳D.硝酸(4)将设备B中产生的母液重新引入反应器的目的是。3.KNO3是一种重要的化工产品,实验室以氯化钾和硝酸钠为原料制备硝酸钾的实验流程如下。硝酸钾等四种物质的溶解度随温度变化如图所示。回答下列问题。(1)为了加速固体溶解,可采取的措施有。(写两种即可)(2)如果用水来洗涤产品,应该用(填“冷水”、“热水”)。(3)制得的KNO3产品中常含NaCL,进一步提纯的方法是。工业上制备硝酸钾的方法较多,常见的有下列两种方法:方法一。将硝酸与浓的KCL溶液混合,可以得到一种黄绿色气体A和另一种气体B。KNO3是一种副产品。B分子由三种非金属元素组成,构成此分子的各原子其最外层电子数是等差数列,且B分子中电子数不超过34,B与O2反应又可以生成A和红棕色气体C.(1)硝酸与浓KCL反应的化学方程式。(2)B与O2反应的化学方程式。方法二。用固态的KCL同硝酸的有机溶剂(如丁醇或乙醚,均用ROR表示)稀溶液发生反应,可使反应物中的NO3-转化率达到100%。(1)该反应的化学方程式为。(2)此反应中NO3-转化率能达到100%的理由是。(3)比较上述两种方法,方法更好,原因是。4.锂被誉为“高能金属”。工业上用硫酸与和少量钙镁杂质)在250~300℃反应,生成Li2SO4以及硅铝化合物、MgSO4等,其工业生产流程如下:(1)LiALSi2O6的组成用氧化物的形式表示为。(2)沉淀X的重要成分是(写化学式)。(3)请解释流程中前后两次使用的Na2CO3溶液浓度不同的原因。(4)将盐酸于Li2CO3完全反应后的溶液,加热蒸干得到固体,再将其熔融点解生产锂。电解时产生的氯气中会混有少量氧气,请解释混有氧气的原因。(5)金属锂是一种重要的储氢材料,请写出锂吸氢和放氢(有水参加)的化学方程式。5.金属镁和镁合金在航空、汽车制造和电子工业等领域具有广泛的用途,金属镁的冶炼有多种方法,其中之一为皮江法。该方法是以白云石(CaCO3.MgCO3)为原料,经高温煅烧生成氧化物(CaO.MgO),氧化物在还原炉中经1200℃真空条件下用硅铁(硅铁含硅量达95%-99%)还原生成镁蒸汽(铁在反应中化合价不变),镁蒸汽经冷凝器冷聚为粗镁,粗镁再经精炼、铸锭得到成品金属镁。反应工艺流程如下图:(1)写出还原炉中硅铁还原氧化镁发生置换反应的化学方程式。(2)在冶炼过程中反应的温度对生成金属镁的影响如图。从图中分析,该还原反应属于(填“吸热”或“放热”),理由是。(3)还原炉需要再1200℃真空条件下反应,反应达到平衡时的温度与压强关系如表。真空条件对制备金属镁来讲,可以达到两个目的:。(4)含镁矿物常见的有菱镁矿(MgCO3)、白云石和光卤石,其中属于。A.盐B.混合物(5)写出煅烧白云石的反应的化学方程式。6.由熔盐电解法获得的粗铝含一定量的金属钠和氢气,这些杂质可以采用吹气精炼法除去,产生的尾气经处理后可用于钢材镀铝。工...

1、当您付费下载文档后,您只拥有了使用权限,并不意味着购买了版权,文档只能用于自身使用,不得用于其他商业用途(如 [转卖]进行直接盈利或[编辑后售卖]进行间接盈利)。
2、本站所有内容均由合作方或网友上传,本站不对文档的完整性、权威性及其观点立场正确性做任何保证或承诺!文档内容仅供研究参考,付费前请自行鉴别。
3、如文档内容存在违规,或者侵犯商业秘密、侵犯著作权等,请点击“违规举报”。

碎片内容

化学与技术-(修复的)

文章天下+ 关注
实名认证
内容提供者

各种文档应有尽有

确认删除?
VIP
微信客服
  • 扫码咨询
会员Q群
  • 会员专属群点击这里加入QQ群
客服邮箱
回到顶部