电脑桌面
添加小米粒文库到电脑桌面
安装后可以在桌面快捷访问

砂石加工系统施工方案

砂石加工系统施工方案_第1页
1/6
砂石加工系统施工方案_第2页
2/6
砂石加工系统施工方案_第3页
3/6
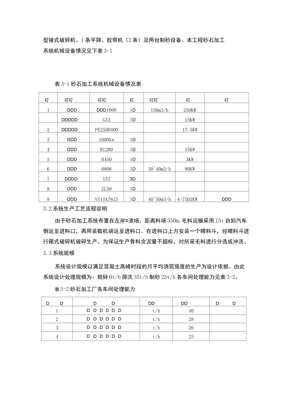
河头上水库位于赫章县白果镇河头上村,所在河流为长江流域乌江水系六冲河上源右支后河支流前河的小支流上。水库工程主要任务是承担赫章县城白果片区 3.8 万居民生活用水。本工程为水库大坝枢纽工程,水库规模属小(1)型,坝体为碾压混凝土重力坝,大坝坝高 62.5m。本工程原定砂石料场因地方政策变化、移民征地等问题不能按约定提供招标阶段所规划指定的砂石料场,在此情况下经综合考虑利用左坝肩修建管理房其场平开挖出的有用料进行加工砂石料,用于河头上水库工程施工。2. 砂石骨料需求情况根据招投标文件,本工程混凝土总量为 12.24 万 m3,混凝土高峰浇筑强度约 2.6 万m□/月,平均强度为 2 万 m□/月,主要为二、三级配混凝土。粗骨料大石粒径为 80〜40mm,中石为 40〜20mm,小石为 20〜5m 叫砂为 W5m 叫粗骨料同级别内要求粒径分布均匀,不得断挡,需满足 DL/T5151-2014《水工混凝土砂石骨料试验规程》要求。为保证砂石骨料均衡生产,提高设备利用能力,拟采用“全年开采、闲时备料”的运行方式,高峰期利用闲时储备料应急补充,因此,系统生产能力按照平均需求能力进行设计。根据毕节市勘测设计研究院提供的碾压混凝土施工技术要求配合比计算,总计需生产成品砂石骨料 18.36 万 m3。3. 砂石系统组成情况3.1 系统组成根据砂石骨料需求情况,以及骨料质量要求,本系统拟设置开采区、上料区、破碎车间、筛分车间、成品料场等。主要构筑物有:喂料回车平台、箱型锤式破碎机、1 条平筛、胶带机(2 条)及两台制砂设备。本工程砂石加工系统机械设备情况见下表 3-1表 3-1 砂石加工系统机械设备情况表叮叮叮叮叮叮叮叮叮叮1DDDDDD16001D150m3/h250KWDDDDDGZ31D15KW2DDDDDPE250D40017.5KW3DDD1000kw1D4DDDB12001D15KW5DDDB4501D3KW6DDD08081D30~40m3/h90KW7DDDD15T3D8DDDZL501D9DDDVSI5X76151D40~50m3/h4-75D2KWDDD3.2 系统生产工艺流程说明由于砂石加工系统布置在左岸#渣场,距离料场 350m,毛料运输采用 15t 自卸汽车倒运至进料口,再用装载机端运至进料口。在进料口上方安装一个喂料斗,经喂料斗进行箱式破碎机破碎生产。为保证生产骨料含泥量不超标,对所采毛料进行分选或冲洗。3.3 系统规模系统设计规模以满足混凝土高峰时段的月平均浇筑强度的生产为设计依据。由此系统设计处理规模为:粗碎 0t/h 筛洗 35t/h 制砂 25t/h 各车间处理能力见表 3-2。表 3-2 砂石加工厂各车间处理能力DDDDDDDDDD1D D D...

1、当您付费下载文档后,您只拥有了使用权限,并不意味着购买了版权,文档只能用于自身使用,不得用于其他商业用途(如 [转卖]进行直接盈利或[编辑后售卖]进行间接盈利)。
2、本站所有内容均由合作方或网友上传,本站不对文档的完整性、权威性及其观点立场正确性做任何保证或承诺!文档内容仅供研究参考,付费前请自行鉴别。
3、如文档内容存在违规,或者侵犯商业秘密、侵犯著作权等,请点击“违规举报”。

碎片内容

砂石加工系统施工方案

您可能关注的文档

确认删除?
VIP
微信客服
  • 扫码咨询
会员Q群
  • 会员专属群点击这里加入QQ群
客服邮箱
回到顶部