电脑桌面
添加小米粒文库到电脑桌面
安装后可以在桌面快捷访问

泡沫罐说明书

泡沫罐说明书_第1页
1/21
泡沫罐说明书_第2页
2/21
泡沫罐说明书_第3页
3/21
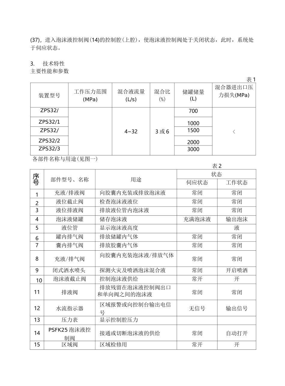
1.概述ZPS 系列闭式泡沫一水喷淋联用自动灭火装置(以下简称装置)是一种灭火效能高,应用范围广的固定式灭火设备。适用于可安装水喷淋保护系统的有可燃液体存在的建筑物和构筑物内,如:危险品仓库、车库、飞机库、停车场、化工厂、锅炉房、石化企业、冶金企业等。另外,对常见物质的 A 类火灾,以及橡胶、塑料、合成纤维等物质的火灾也有很好的扑灭效果。本装置使用水成膜类泡沫液(以下简称泡沫液)。产品执行标准 GB20031—2005《泡沫灭火系统及部件通用技术条件》装置型号及含意泡沫液储罐储量,单位为 L最大混合液流量 32L/s泡沫一水喷淋联用装置自动灭火设备如:ZPS32/1 表示泡沫液储罐储量为 1000L。常用规格有:ZPS32/、ZPS32/1、ZPS32/、ZPS32/2、ZPS32/3。2.结构特征与工作原理装置组成本装置主要由泡沫液储罐、泡沫比例混合器、压力泄放阀、泡沫液控制阀、湿式报警阀、水流指示器(选用件)、闭式洒水喷头(选用件)和管道及配件组成。结构特征本装置是由湿式自动喷水灭火系统和压力式(胶囊)泡沫比例混合装置,通过自动控制阀一压力泄放阀、泡沫液控制阀组合而成。其中主管道与泡沫罐连接的供水管路、泡沫液控制阀的控制管路及连接压力泄放阀的报警泄压管路,均装有控制阀门(手动),便于对各部件的维修和保养。亦可切断泡沫液供给管路使湿式系统独立使用。工作原理(见图一)2.3.1 工作原理系统保护区域内的环境温度由于火灾而升高,达到闭式洒水喷头(9)动作温度而使喷头开启喷水,水流指示器(12)动作,湿式报警阀(20)开启,压力水通过报警截止阀(24)、经延迟器(42),进入报警泄压管路(21),水力警铃(23)开始报警,压力开关(41)动作,启动消防水泵,向系统管网加压供水。同时,压力水经过压力泄放阀的供水阀(35),打开压力泄放阀(36),使控制管路(37)中的压力水泄压,泡沫液控制阀(14)自动开启。带胶囊的泡沫罐(4)由于来自型号:a~3I■*3rio2-23C329图泡沫罐供水管路(34)的压力水挤压,使囊内泡沫液经泡沫液控制阀(14)和从主管路(22)进入泡沫比例混合器(19)的水混合,形成泡沫混合液,经由开启的洒水喷头(9)喷出,进行灭火。2.3.2 伺应状态在伺应状态下,管网内由系统高位水箱充满稳定的压力水。系统压力水通过泡沫罐供水管路(34)和供水控制阀(33),进入泡沫液储罐(4)和胶囊之间,胶囊内的泡沫液在系统压力水的作用下,通过泡沫液截止阀(10),进入泡沫液控制阀(14)的进口...

1、当您付费下载文档后,您只拥有了使用权限,并不意味着购买了版权,文档只能用于自身使用,不得用于其他商业用途(如 [转卖]进行直接盈利或[编辑后售卖]进行间接盈利)。
2、本站所有内容均由合作方或网友上传,本站不对文档的完整性、权威性及其观点立场正确性做任何保证或承诺!文档内容仅供研究参考,付费前请自行鉴别。
3、如文档内容存在违规,或者侵犯商业秘密、侵犯著作权等,请点击“违规举报”。

碎片内容

泡沫罐说明书

您可能关注的文档

确认删除?
VIP
微信客服
  • 扫码咨询
会员Q群
  • 会员专属群点击这里加入QQ群
客服邮箱
回到顶部