电脑桌面
添加小米粒文库到电脑桌面
安装后可以在桌面快捷访问

安全环保两大体系范本实例样本

安全环保两大体系范本实例样本_第1页
1/15
安全环保两大体系范本实例样本_第2页
2/15
安全环保两大体系范本实例样本_第3页
3/15
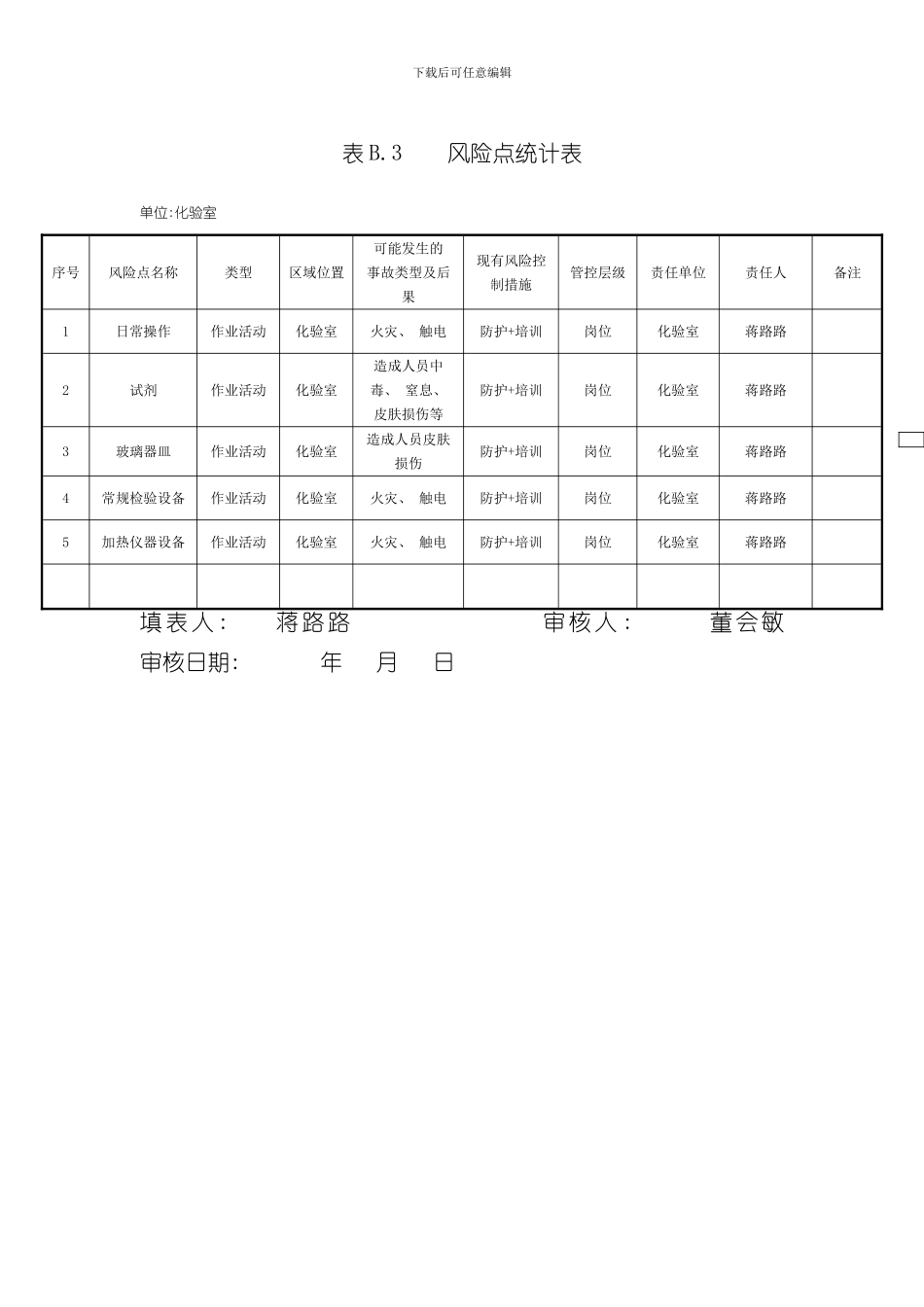
下载后可任意编辑表 B.3 风险点统计表单位:化验室 序号风险点名称类型区域位置可能发生的事故类型及后果现有风险控制措施管控层级责任单位责任人备注1日常操作作业活动化验室火灾、 触电防护+培训岗位化验室蒋路路2试剂作业活动化验室造成人员中毒、 窒息、 皮肤损伤等防护+培训岗位化验室蒋路路3玻璃器皿作业活动化验室造成人员皮肤损伤防护+培训岗位化验室蒋路路4常规检验设备作业活动化验室火灾、 触电防护+培训岗位化验室蒋路路5加热仪器设备作业活动化验室火灾、 触电防护+培训岗位化验室蒋路路填表人 : 蒋路路 审核人 : 董会敏 审核日期: 年 月 日下载后可任意编辑下载后可任意编辑表 B.1 作业活动风险分级管控清单单位: 化验室风险点作业步骤( 危险源) 危 险 源或 潜 在事件评价级别管控级别主要后果管控措施管控层级责任单位责任人备注编号类型名称序号名称工程技术管理措施培训教育个体防护应急处理1作业活动仪器操作1仪 器操作损 坏 仪器 , 严重 的 引起 火 灾或 者 触电轻度危险蓝灼烫1、 机械设备增设安全防护及联锁装置和断电保护装置; 设备的受应力零部件必须经过严格检验, 同时在规定的使用寿命内进行更换; 2、 加强对高温容器、 或设备的日常点检。1、 上岗前首先检查劳动防护用品配备管理人员不定期检查岗位人员2、 制定相关的安全操作规程及规章制度, 禁止违章操作及违章指挥1、 新员工入职三级安全教育2、 岗位人员再培训3、 设置现场安全警示标识1 、 正 确使 用 和 穿戴 劳 动 防护用品2 、 防 护用 品 轻 便易 佩 带 不影响操作1.立即断电使机械停止运转; 轻度: 灼伤处先用冷水冲、 浸泡或冷敷; 起水泡时勿刺破、 挤破, 以防感染。重度: 若衣服着火, 可倒在地上滚动, 用水泼着火处或用外套毛毯来覆盖扑灭; 向上级报告, 并拨打 120 急救电话, 送医院医治。岗位化验室化验室主任2作业活动试剂1试 剂配置造 成 人员中毒、 窒息、 皮肤 损 伤等轻度危险蓝皮肤损伤1、 机械设备增设安全防护及联锁装置和断电保护装置; 设备的受应力零部件必须经过严格检验, 同时在规定的使用寿命内1.上岗前首先检查劳动防护用品配备管理人员不定期检查岗位人员2.制定相关的安全操作规程及规章制新员工入职三级安全教育岗位人员再培训设置现场安全警示标识正 确 使 用和 穿 戴 劳动 防 护 用品防 护 用 品轻 便 易 佩1.立即断电使机械...

1、当您付费下载文档后,您只拥有了使用权限,并不意味着购买了版权,文档只能用于自身使用,不得用于其他商业用途(如 [转卖]进行直接盈利或[编辑后售卖]进行间接盈利)。
2、本站所有内容均由合作方或网友上传,本站不对文档的完整性、权威性及其观点立场正确性做任何保证或承诺!文档内容仅供研究参考,付费前请自行鉴别。
3、如文档内容存在违规,或者侵犯商业秘密、侵犯著作权等,请点击“违规举报”。

碎片内容

安全环保两大体系范本实例样本

文旅传媒+ 关注
实名认证
内容提供者

传播文化,成就未来

确认删除?
VIP
微信客服
  • 扫码咨询
会员Q群
  • 会员专属群点击这里加入QQ群
客服邮箱
回到顶部