电脑桌面
添加小米粒文库到电脑桌面
安装后可以在桌面快捷访问

安全生产管理体系及保证措施

安全生产管理体系及保证措施_第1页
1/9
安全生产管理体系及保证措施_第2页
2/9
安全生产管理体系及保证措施_第3页
3/9
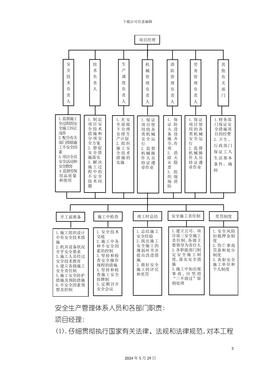
下载后可任意编辑安全生产管理体系及保证措施12024 年 5 月 29 日下载后可任意编辑安全生产管理体系及保证措施(一)、安全生产管理体系根据项目部安全生产责任制的规定,成立以项目经理为第一责任人、项目副经理为分项安全责任人的安全保证体系,监督和指导各职能部室的安全生产行为。安全生产管理体系实行项目经理负责制,设置专管安全的项目副经理,领导各级生产指挥人员贯彻、落实安全生产方面的各项规章制度和保证措施,确保安全生产。安全生产的日常工作由安全副经理、安全员负责。在安全副经理、安全员的指导下,组织全体上岗人员进行岗前安全教育,特种作业人员必须经过培训合格后,持有效证件上岗,杜绝盲目指挥冒险作业。安全生产管理体系图:22024 年 5 月 29 日下载后可任意编辑 项目经理 安全技术负责人 技术负责人 生产调度负责人 机械管理负责人 消防管理负责人 劳务管理负责人 其他有关部门 1.监督施工全过程的安全施工纠正违章 2.配合有关部门排除施工不安全因素 3.项目全员安全活动和安全教育 4.监督劳保用品质量和使用 1. 制 定项 目 安全 技 术措 施 和分 项 安全方案 2. 督 促安 全 措施落实 3. 解 决施 工 过程 中 的不 安 全技 术 问题 1. 在 安全 前 提下 合 理安 排 生产计划 2. 组 织施 工 安全 技 术措 施 的实施 1. 保 证项 目 使用 的 各类 机 械安 全 运行 2. 监 督机 械 操作 人 员持 证 遵章作业 1. 保证 防火 设备 设施 齐全、有效 2. 消除 火灾 隐患 3. 组织 现场 消防 1. 保 证项 目 使用 的 各类 机 械安 全 运行 2. 监 督机 械 操作 人 员持 证 遵章作业 1.财务部门保证安全措施项目的经费 2.卫生、行政部门保证工人生活基本条件,确阿 开工前准备 施工中检查 竣工时总结 安全施工责任制 奖罚制度 1.施工组织设计中有安全技术措施 2.机具设备状况全乎安全要求 3.施工人员经过安全技术教育 4.建立各级施工安全责任制 5.施工安全防护措施及预防措施 6.不安全因素预想及控制 1.安全技术交底 2.施工中各种不安全因素的控制 3.坚持和检查安全操作规程的措施 4.坚持和检查施工安全挂牌制 5.定期召开安全会议 1.总结施工安全经验 2.找出施工安全施工的薄弱环节并提出改进措施 3.做好安全施工的评比和奖罚 1.建立公司、项目部三安全施工责任制,各级主要领导为责任人 2.各职能...

1、当您付费下载文档后,您只拥有了使用权限,并不意味着购买了版权,文档只能用于自身使用,不得用于其他商业用途(如 [转卖]进行直接盈利或[编辑后售卖]进行间接盈利)。
2、本站所有内容均由合作方或网友上传,本站不对文档的完整性、权威性及其观点立场正确性做任何保证或承诺!文档内容仅供研究参考,付费前请自行鉴别。
3、如文档内容存在违规,或者侵犯商业秘密、侵犯著作权等,请点击“违规举报”。

碎片内容

安全生产管理体系及保证措施

您可能关注的文档

确认删除?
VIP
微信客服
  • 扫码咨询
会员Q群
  • 会员专属群点击这里加入QQ群
客服邮箱
回到顶部