电脑桌面
添加小米粒文库到电脑桌面
安装后可以在桌面快捷访问

安高广场屋顶构架模板方案样本

安高广场屋顶构架模板方案样本_第1页
1/43
安高广场屋顶构架模板方案样本_第2页
2/43
安高广场屋顶构架模板方案样本_第3页
3/43
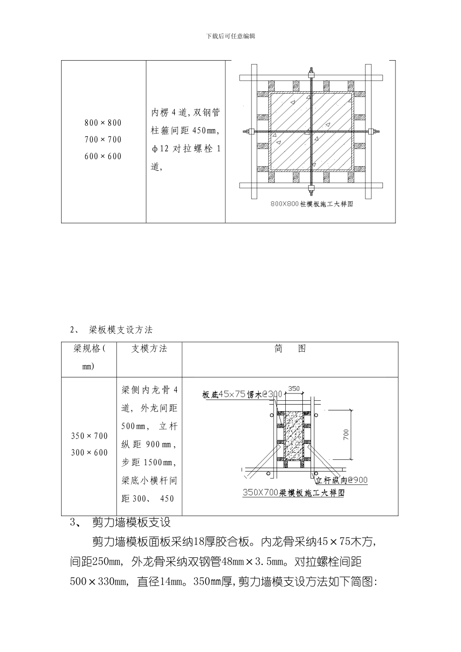
安徽建工集团有限公司二 00 九年八月一日下载后可任意编辑安高广场工程上部结构模板设计方案一、 工程概况安高广场( 安高·城市天地三期) 工程位于合肥市望江西路99 号, 本工程为一类高层工程, 结构形式为框架剪力墙结构, 主楼抗震等级为二级, 裙房与主楼相连部位抗震等级为二级, 其余为三级; 耐火等级为一级, 建筑物安全等级为二级, 抗震设防烈度为七度, 建筑场地为二类, 设计使用年限为 50 年。本工程分酒店、 办公楼两栋塔楼, 塔楼构架顶标高分别为96.2 米和 106.5 米。柱高分别为 6.8 米和 7.6 米( 待机房顶墙柱浇筑完成后施工净高分别为 2.5m、 1.9 米) 。框架柱截面有600×600、 700×700、 800×800㎜, 构架梁截面有 350×700、 300×600㎜, 剪力墙厚度为 350㎜。二、 设计思路 本工程模板体系采纳钢管支撑系统。梁底支撑架单独计算。三、 各柱、 墙、 梁板支设方法1、 柱模支设方法柱模板面板采纳 18 厚胶板、 内楞采纳 45×75 木方, 采纳双钢管抱箍加固体系, 柱箍间距 450 mm, 柱截面小于 800㎜的采纳 1道对拉螺栓加固, 内楞根据截面大小布置 3-4 根。各截面柱支设如下图: 下载后可任意编辑800×800700×700600×600内楞 4 道,双钢管柱箍间距 450㎜, φ12 对拉螺栓 1道,2、 梁板模支设方法梁规格( ㎜) 支模方法简 图350×700300×600梁侧内龙骨 4道, 外龙间距500㎜, 立杆纵 距 900 ㎜ , 步距 1500㎜, 梁底小横杆间距 300、 4503、 剪力墙模板支设剪力墙模板面板采纳18厚胶合板。内龙骨采纳45×75木方, 间距250mm, 外龙骨采纳双钢管48mm×3.5mm。对拉螺栓间距500×330mm, 直径14mm。350㎜厚,剪力墙模支设方法如下简图: 下载后可任意编辑整体方案设计分: 柱模板设计计算、 梁模板设计计算、 剪刀撑布设计及架体构造要求、 承荷楼板的加固支撑、 混凝土浇筑及其它几个方面。四、 模板及支撑架设计计算本方案的计算依据为: 《建筑结构荷载法律规范》(GB 50009- )、 《混凝土结构设计法律规范》GB50010- 《钢结构设计法律规范》(GB 50017- )《建筑施工扣件式钢管脚手架安全技术法律规范》( JGJ130- ) 中国建筑科学讨论院研制开发的 PKPM 应用软件中国建筑工业出版社出版的《建筑施工手册》( 第四版) (一)柱模板设计计算柱模板的背部支撑由两层( 木楞和钢楞) 组成, 第一层下载后可任意编辑为直接支撑模板的竖楞, 用以支撑...

1、当您付费下载文档后,您只拥有了使用权限,并不意味着购买了版权,文档只能用于自身使用,不得用于其他商业用途(如 [转卖]进行直接盈利或[编辑后售卖]进行间接盈利)。
2、本站所有内容均由合作方或网友上传,本站不对文档的完整性、权威性及其观点立场正确性做任何保证或承诺!文档内容仅供研究参考,付费前请自行鉴别。
3、如文档内容存在违规,或者侵犯商业秘密、侵犯著作权等,请点击“违规举报”。

碎片内容

安高广场屋顶构架模板方案样本

您可能关注的文档

确认删除?
VIP
微信客服
  • 扫码咨询
会员Q群
  • 会员专属群点击这里加入QQ群
客服邮箱
回到顶部