电脑桌面
添加小米粒文库到电脑桌面
安装后可以在桌面快捷访问

广东别墅住宅软土地基处理施工组织设计投标样本

广东别墅住宅软土地基处理施工组织设计投标样本_第1页
1/76
广东别墅住宅软土地基处理施工组织设计投标样本_第2页
2/76
广东别墅住宅软土地基处理施工组织设计投标样本_第3页
3/76
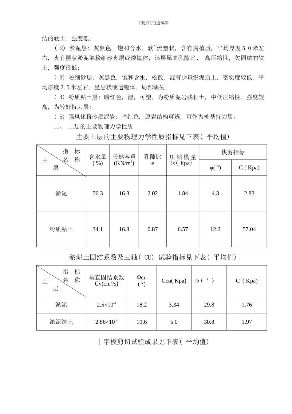
下载后可任意编辑第一章 工程施工奋斗目标及编制依据第一节 工程施工奋斗目标在本工程的施工中将充分发挥我局的技术、 设备优势和成熟的施工管理经验, 科学地组织交叉流水作业, 精心施工, 严格履行合同, 以一流的项目管理、 一流的工程质量、 一流的文明施工、 一流的安全措施、 一流的效率、 一流的服务 , 确保实现如下目标: 1、 工程质量目标: 确保工程质量达到优良等级标准。2、 施工工期目标: 确保 225 个日历天( 其中: 堆载前期工作 45 天, 堆载 180 个日历天) 内完成合同范围规定的施工任务。3、 安全施工目标: 实行有效措施,杜绝重大伤亡事故, 将月轻伤频率控制在1.2‰以下。4、 文明施工目标: 确保达到市”文明施工施工场地”标准, 力争达到市”文明施工样板施工场地”标准。第二节 编制依据1、 中建深圳设计公司设计的施工图纸。2、 国家和行业颁布的有关现行施工法律规范和标准。3、 中国建筑工业出版社出版的《建筑施工手册》。4、 建设部颁发的《建筑工程施工现场管理规定》。5、 广州市有关法律、 法规及标准。6、 工程测量法律规范( GB50026-93) 7、 建设工程施工现场供电用电安全法律规范( GB50194-93) 8、 建筑工程施工质量验收统一标准( GBS0300- ) 9、 工程网络计划技术规程( JGJ/T121-99) 10、 公路工程质量检验评定标准 JTJ071-9811、 公路软土地基路堤设计与施工技术法律规范 JTJ017-96) 12、 重庆市现行关于工程责任的规定13、 施工现场临时用电安全技术法律规范( JGJ46-88) 14、 建筑机械使用安全技术规程( JGS33- ) 15、 业主提供的招标文件和答疑文件下载后可任意编辑第二章 工程简介第一节 工程概况和黄番禺大石项目位于珠江南侧, 北临珠江, 南临海珠路, 东接三角洲化工石油公司油库, 西侧为一排水河渠, 占地面积 425413 平方米, 总建筑面积 65682 平方米, 其中建筑用地面积 331822 平方米, 道路用地 45519 平方米, 公共绿地 48072 平方米。项目规划分若干组团, 包括低层建筑( 别墅、 会所等) 、 多层建筑( 7~9 层) 、 小高层建筑( 12~18 层) 、 高层建筑( 32 层) 等。本次处理的内容为区内道路的软土地基处理及沉降观测。第二节 场地岩土工程特征一、 地质情况根据广东省地质物探工程勘察院提供的中间性场地普查资料, 主要土层自上而下为: ( 1) 吹填土层, 由珠江河床含淤泥质的砂土吹填至场内, 平...

1、当您付费下载文档后,您只拥有了使用权限,并不意味着购买了版权,文档只能用于自身使用,不得用于其他商业用途(如 [转卖]进行直接盈利或[编辑后售卖]进行间接盈利)。
2、本站所有内容均由合作方或网友上传,本站不对文档的完整性、权威性及其观点立场正确性做任何保证或承诺!文档内容仅供研究参考,付费前请自行鉴别。
3、如文档内容存在违规,或者侵犯商业秘密、侵犯著作权等,请点击“违规举报”。

碎片内容

广东别墅住宅软土地基处理施工组织设计投标样本

您可能关注的文档

确认删除?
VIP
微信客服
  • 扫码咨询
会员Q群
  • 会员专属群点击这里加入QQ群
客服邮箱
回到顶部