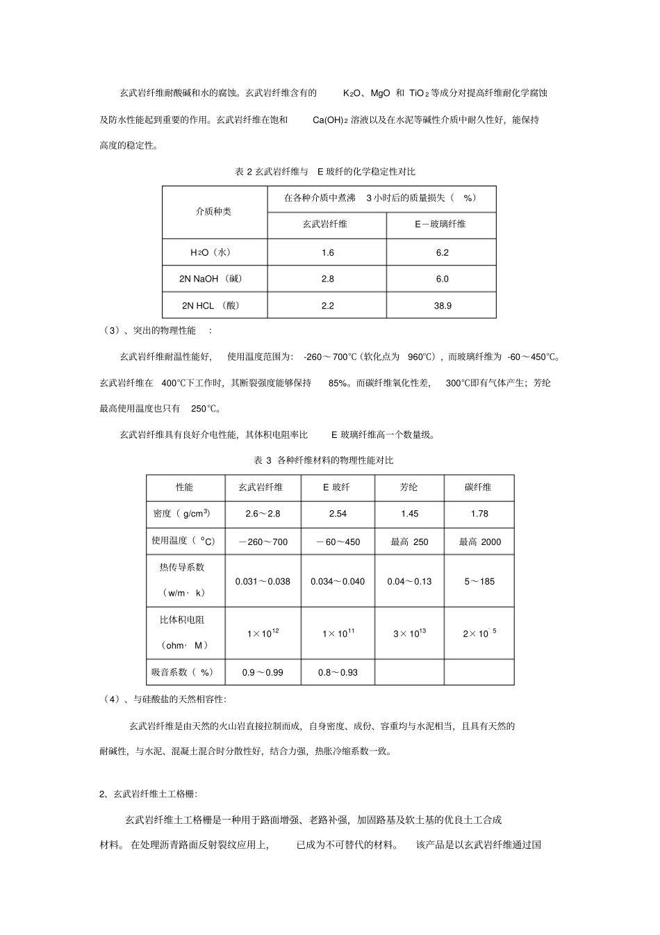
电脑桌面
添加小米粒文库到电脑桌面
安装后可以在桌面快捷访问

玄武岩纤维土工格栅技术手册

玄武岩纤维土工格栅技术手册_第1页
1/6
玄武岩纤维土工格栅技术手册_第2页
2/6
玄武岩纤维土工格栅技术手册_第3页
3/6
拓欣玄武岩土工格栅---------Basalt Geogrid 技术手册郑州登电玄武石纤有限公司一、 公司简介郑州登电玄武石纤有限公司于 2015 年 5 月成立,是以研发、生产、销售高性能玄武岩连续纤维及后制品为主的高新技术企业,由登封电厂集团有限公司控股60%共同合资兴建,厂址位于登封市三里庄高新技术工业园区,项目建设拟分三期进行,拟总投资25 亿元,形成年产30 万吨玄武岩连续纤维及其制品加工能力,实现年销售收入39 亿元,利税9.75 亿元。建设规模分别为 :一期工程年产10000 吨,二期工程年产50000 吨,三期工程年产240000 吨。目前一期工程投资1.5 亿元,预计可实现年销售收入1.3 亿元,利税3250 万元,经济、社会效益显著。玄武岩连续纤维属于国家鼓励发展的战略性新兴产业,它是继碳纤维、芳伦、超高分子量聚乙烯纤维之后的又一种高技术纤维,被誉为“ 21 世纪的绿色环保新材料” 。玄武岩连续纤维已被列入国家“863”计划和国家“十二五”发展规划,特别是【新材料产业“十三五”发展规划】、《中国制造2025》已明确将新材料行业中高性能纤维作为新兴产业重要组成部分,列入国家重点专项规划,成为引领产业转型升级重要指引。本项目一期工程1#年产 1000 吨玄武岩纤维生产线自2015 年 6 月正式开工建设,全部为自主研发,采用国际首创的多层电极深液面全电熔大型池窑法生产工艺技术,单台窑炉产量达到3 吨/日以上, 是国内乃于世界同行业先进企业单元窑日产量的8-10 倍,名副其实世界第一,具有国际领先水平, 已于 2016年 1 月 1 日正式点火投运并试产成功,是登封电厂集团有限公司加快实现产业转型升级的重要路径,标志着中国玄武岩纤维产业发展的新的里程碑,必将为中国玄武岩纤维产业发展注入新的增长动力,也是登封电厂集团有限公司大力发展新兴产业、培育新的增长点的重要载体。二、 产品介绍1、玄武岩纤维介绍玄武岩连续纤维材料被誉为“21 世纪的新材料” ,以玄武岩矿石为原料,将矿石破碎后加入熔炉中,在 1450 ℃~1500℃熔融后, 将均匀的熔融物通过拉丝漏板先拉成粗纤维,然后粗纤维由拉丝机拉制成各种规格的连续纤维,并根据后续用途采用不同的浸润剂进行浸润处理,加工形成最终产品。与玻璃纤维、碳纤维、芳纶等其它高性能纤维相比,玄武岩纤维不仅力学性能佳,而且具有很多优异功能性, 如耐高温性能好, 可在 -260~ 700℃范围内连续工作;耐酸耐碱, 抗紫外线性能强, 吸湿性低...

1、当您付费下载文档后,您只拥有了使用权限,并不意味着购买了版权,文档只能用于自身使用,不得用于其他商业用途(如 [转卖]进行直接盈利或[编辑后售卖]进行间接盈利)。
2、本站所有内容均由合作方或网友上传,本站不对文档的完整性、权威性及其观点立场正确性做任何保证或承诺!文档内容仅供研究参考,付费前请自行鉴别。
3、如文档内容存在违规,或者侵犯商业秘密、侵犯著作权等,请点击“违规举报”。

碎片内容

玄武岩纤维土工格栅技术手册

确认删除?
VIP
微信客服
  • 扫码咨询
会员Q群
  • 会员专属群点击这里加入QQ群
客服邮箱
回到顶部