电脑桌面
添加小米粒文库到电脑桌面
安装后可以在桌面快捷访问

建筑升降机专业资料模板

建筑升降机专业资料模板_第1页
1/15
建筑升降机专业资料模板_第2页
2/15
建筑升降机专业资料模板_第3页
3/15
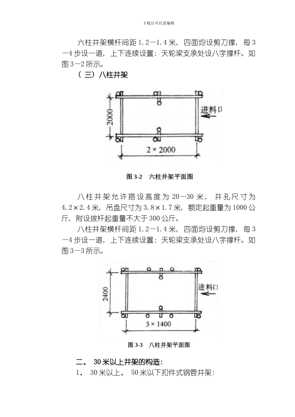
下载后可任意编辑第三章 建筑升降机 建筑升降机是在建筑施工过程中承担垂直运输的一种施工机械。由于建筑升降机构造简单, 价格低廉, 使用维护方便, 运送物料速度快, 各楼层停靠就位迅速准确, 因此, 被广泛地应用于建筑施工施工场地。建筑升降机是由支架、 导杆、 吊盘( 料斗) 、 钢丝绳滑轮组和卷扬机组成, 根据其构造不同, 一般可分为以下三类: 一、 井筒式升降机井筒式升降机俗称井字架, 由钢管或型钢制作而成, 其中以扣件式钢管制造的井字架较为多见。扣件式钢管井字架最显著的特点是结构简单、 制作方便, 具有良好的稳定性, 升降物料数量较大, 可搭设较高的高度。美中不足的是, 因其运送物料的吊盘是在井架内升降, 故运送物料的体积受到明显的限制, 因此, 只能用来运送混凝土、 灰浆、 粘土砖、 小型砌块等建筑装饰材料。二、 门式升降机门式升降机亦称龙门架, 由钢管或型钢制作而成。龙门架的特点是构造简单、 制作容易、 拆装运输方便。特别是龙门架的运物吊盘是在两组构架之间升降, 吊盘的平面尺寸较大, 因此, 能够运送较大尺寸的物料, 是当前建筑施工场地使用较多的垂直运输机械。三、 导杆式升降机导杆式升降机是一种轻型的垂直运输机械。它的装料平台在导杆的一侧。当前建筑施工场地使用的多为双导杆式升降机。因为这种升降机装有两根导杆, 能够自升平衡, 因此一般都将这种升降机制作成移动式, 广泛应用于中小型施工建筑施工场地。下载后可任意编辑第一节 扣件式钢管井架扣件式钢管井架根据其架设高度, 可分为单管构造井架和双管构造井架两种。架设高度在 30 米以下的可采纳单管构造井架; 架设高度在 30 米以上时, 必须采纳双管构造井架。一、 30 米以下井架的构造扣件式钢管构造井架根据其使用要求不同, 可搭设成四柱、 六柱和八柱三种不同形式的井架。( 一) 四柱井架四柱井架允许搭设高度为 20~30 米, 井孔尺寸为 1.9 米×1.9 米, 吊盘尺寸为 1.5 米×1.2 米, 额定起重量为 500 公斤, 附设拔杆起重量不大于 300kg。四柱井架横杆间距为 1.2—1.4 米, 四面均设剪刀撑, 每3—4 步设一道, 上下连续设置; 天轮梁对角设置或在支承处设八字撑杆。如图 3—1 所示。( 二) 六柱井架六柱井架允许搭设高度为 20—25 米, 井孔尺寸为 4 米×2米, 吊盘尺寸为 3.6 米×1.3 米, 额定起重量为 1000 公斤, 附设拔杆起重量不大于 300 公斤。下载后可任...

1、当您付费下载文档后,您只拥有了使用权限,并不意味着购买了版权,文档只能用于自身使用,不得用于其他商业用途(如 [转卖]进行直接盈利或[编辑后售卖]进行间接盈利)。
2、本站所有内容均由合作方或网友上传,本站不对文档的完整性、权威性及其观点立场正确性做任何保证或承诺!文档内容仅供研究参考,付费前请自行鉴别。
3、如文档内容存在违规,或者侵犯商业秘密、侵犯著作权等,请点击“违规举报”。

碎片内容

建筑升降机专业资料模板

您可能关注的文档

确认删除?
VIP
微信客服
  • 扫码咨询
会员Q群
  • 会员专属群点击这里加入QQ群
客服邮箱
回到顶部