电脑桌面
添加小米粒文库到电脑桌面
安装后可以在桌面快捷访问

瓦斯地层隧道施工

瓦斯地层隧道施工_第1页
1/10
瓦斯地层隧道施工_第2页
2/10
瓦斯地层隧道施工_第3页
3/10
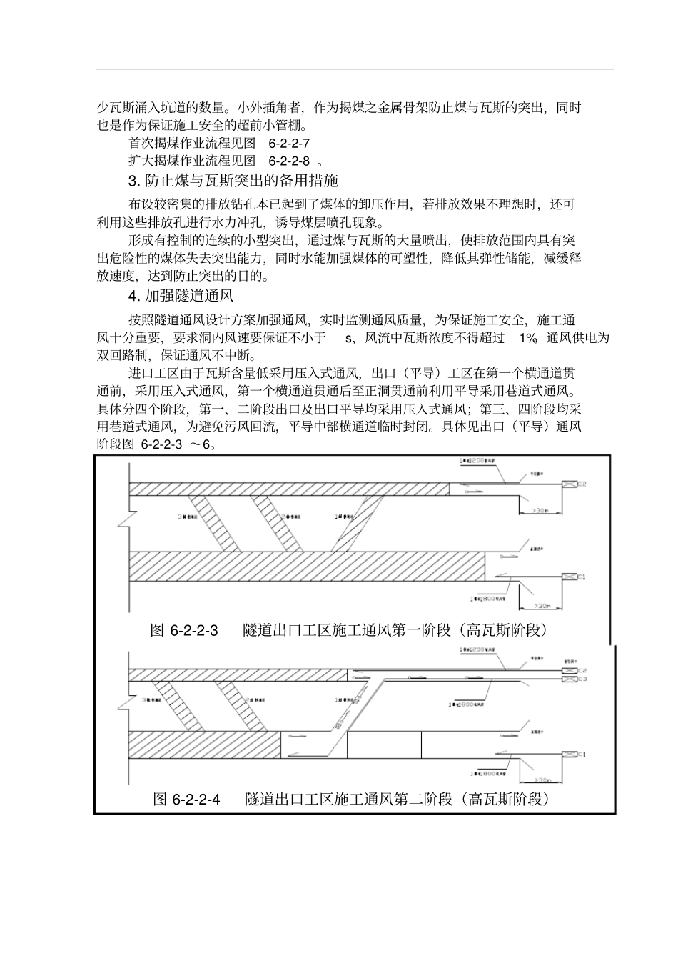
一、瓦斯地层的施工猫鲁寺隧道在 D1K215+100~D1K216+900段(对应平导里程PD1K215+000~PD1K216+910段)穿越含煤或炭质页岩地层,为高瓦斯地段,瓦斯涌出量为min、隧道所有施工机电设备均采用防爆型,爆破材料采用煤矿专用炸药及电雷管起爆,按瓦斯隧道相关要求组织施工,并建立健全安检制度,制定各种应急预案。(一)煤层探测及煤与瓦斯突出预测煤层探测及煤与瓦斯突出的研究表明,煤层畸变、分岔、煤厚突变处是最易发生突出现象的部位,而施工中若误揭煤层则会诱发灾难性事故。因此,了解煤层的赋存形态,通过标志层判定煤层就尤为重要。在掌子面距预测煤层位置10m以外,于上部导坑打 3 孔超前钻孔,详细记录岩芯,寻找标志层,确定煤层编号,及记录煤层空间位置及煤层厚度。根据煤炭行业规范规定,超前钻孔必须穿透煤层全厚并进入底板岩层(底板标志层)不小于,其终孔位置应控制在开挖轮廓外5m左右。为掌握煤层变化情况,隧道下部导坑也需打1~2 孔超前钻孔,与上部导坑之钻孔相互印证。开挖面掘进至已定位煤层净距为5m时,首次揭煤前作2 个预测孔,对煤与瓦斯赋存条件、突出程度进行预测,以确定防突措施。通常首次预测确定煤层具有突出性后,该层煤即为突出煤层。由于煤与瓦斯突出的机理十分复杂,因此,在其它部位施工时,仍应进行检验性预测孔预测。常用的是钻屑指标法,钻屑指标法临界值见表6-2-2-10 。此外,在钻孔时利用所测瓦斯涌出初速度gh· k 及利用每米钻孔最大钻屑量、最大瓦斯涌出初速度确定的R值,也可作为预测突出的指标。表 6-2-2-10 钻屑指标法临界值表最大钻屑量SK钻屑解析指标突出危险性Kg/mL/m△hzk (Pa)Ck(Ml/g ·min1/2)f>f<>6>>200>>>突出危险<6<<200<<<突出威胁(二)防止煤与瓦斯突出的措施1. 瓦斯排放排放范围为隧道开挖轮廓以外5m。排放步骤与隧道开挖步骤相适应,由距煤层净距 5m处掌子面施作排放钻孔,排放钻孔的数量跟据检测瓦斯数量,施工通风情况进行设置。实际上,若考虑先揭煤之施工部分开挖面的排放钻孔,则排放钻孔可减少10%以上。排放至瓦斯压力小于本矿区最小突出瓦斯压力值后,即可采取揭煤措施。2. 瓦斯揭煤工程措施揭煤采用金属骨架支护,震动放炮揭开石门,争取一次揭开煤层。首次揭煤应引起高度重视。而在煤层中掘进,煤与瓦斯的动力现象多为小型突出或压出、倾出为主。由于掘进过程中破坏了原有应力场,二次应力的产生及集中作用,岩体受爆破影响后的弱化作用,都为煤层弹性储...

1、当您付费下载文档后,您只拥有了使用权限,并不意味着购买了版权,文档只能用于自身使用,不得用于其他商业用途(如 [转卖]进行直接盈利或[编辑后售卖]进行间接盈利)。
2、本站所有内容均由合作方或网友上传,本站不对文档的完整性、权威性及其观点立场正确性做任何保证或承诺!文档内容仅供研究参考,付费前请自行鉴别。
3、如文档内容存在违规,或者侵犯商业秘密、侵犯著作权等,请点击“违规举报”。

碎片内容

瓦斯地层隧道施工

确认删除?
VIP
微信客服
  • 扫码咨询
会员Q群
  • 会员专属群点击这里加入QQ群
客服邮箱
回到顶部