电脑桌面
添加小米粒文库到电脑桌面
安装后可以在桌面快捷访问

生产场所危险等级划分

生产场所危险等级划分_第1页
1/14
生产场所危险等级划分_第2页
2/14
生产场所危险等级划分_第3页
3/14
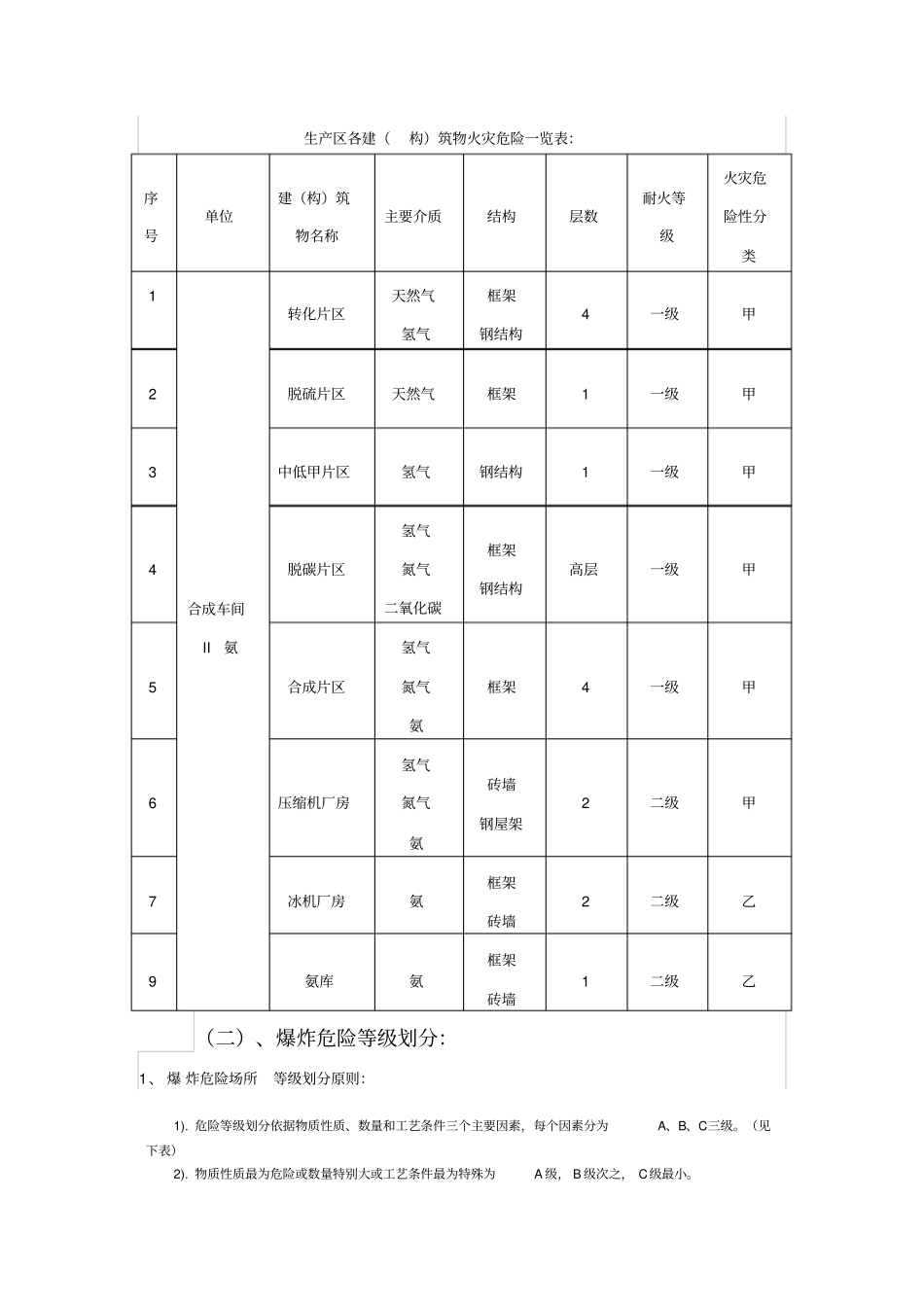
生产区域防火防爆危险等级划分四川美丰实业有限公司马小军一、防火防爆等级划分依据:1、《 爆炸危险场所安全规定》1995 2、《建筑设计防火规范》GB50016-2006 3、《石油化工企业设计防火规范》 2008 版4、《危险场所电气防爆安全规范》( AQ3009-2007 )5、《爆炸和火灾危险环境电力装置设计规范》(GB50058-92) 6、《国家安全监管总局关于公布首批重点监管的危险化工工艺目录的通知》(安监总管三〔 2009〕 116 号)确定重点监管区域。7、《压力容器中化学介质毒性危害和爆炸危险程度分类》H G 20660 – 2000 8、《危险化学品重大危险源辩识》( GB18218-20009 )9、本生产区介质的理化性二、 防火防爆等级划分步骤:1、按照生产区介质理化性、《石油化工企业设计防火规范》( 2008 版)对生产区域按工序划分火灾危险性。2、按照《建筑设计防火规范》(GB50016-2006)对办公区域、库房等进行危险等级划分。3、按照《爆炸危险场所安全规定》( 1995 年)、《压力容器中化学介质毒性危害和爆炸危险程度分类》(HG20660– 2000 )对生产区域按工序划分爆炸危险等级。4、按照《危险场所电气防爆安全规范》(AQ3009-2007 )、《爆炸和火灾危险环境电力装置设计规范》 (GB50058-92)对生产区域进行电气防爆危险等级分区。5、按照《危险化学品重大危险源辩识》(GB18218-20009 )确定重大危险源。6、按 照《国家安全监管总局关于公布首批重点监管的危险化工工艺目录的通知》(安监总管三〔2009 〕 116 号)确定重点监管区域。三、 防火防爆等级划分方法:采用 危险度评价法进行进行防火防爆危险等级确定。四、 防火防爆等级划分现以实业公司一分厂合成装置为例进行防火防爆等级划分,按照此方法,确定实业公司所有生产装置防火防爆危险场所。(一)、火灾危险性分类:1、 主要 介质的危害特点和理化性质:序号主要物料危害特性闪点爆炸极限(v%) 火灾危险分类1 天然气易燃易爆-188 5— 15.8 甲2 氢气易燃易爆/ 4.0 — 74.2 甲3 二氧化碳有窒息危险/ / 戊4 氮气有窒息危险/ / 戊5 氨有毒、易爆/ 15.5 — 27.7 乙2、生产区各建(构)筑物火灾危险类别确定:依据: 1 )、 可燃气体的火灾危险性分类:按可燃气体与空气混合物的爆炸下限:甲< 10%(体积)乙 ≥10%(体积)2)、固体的火灾危险性分类应按《建筑设计防火规范》 (GB50016)的有关规定执行。3)、设备的火灾危险类别应按其处理、...

1、当您付费下载文档后,您只拥有了使用权限,并不意味着购买了版权,文档只能用于自身使用,不得用于其他商业用途(如 [转卖]进行直接盈利或[编辑后售卖]进行间接盈利)。
2、本站所有内容均由合作方或网友上传,本站不对文档的完整性、权威性及其观点立场正确性做任何保证或承诺!文档内容仅供研究参考,付费前请自行鉴别。
3、如文档内容存在违规,或者侵犯商业秘密、侵犯著作权等,请点击“违规举报”。

碎片内容

生产场所危险等级划分

您可能关注的文档

确认删除?
VIP
微信客服
  • 扫码咨询
会员Q群
  • 会员专属群点击这里加入QQ群
客服邮箱
回到顶部