电脑桌面
添加小米粒文库到电脑桌面
安装后可以在桌面快捷访问

生产物流控制程序

生产物流控制程序_第1页
1/13
生产物流控制程序_第2页
2/13
生产物流控制程序_第3页
3/13
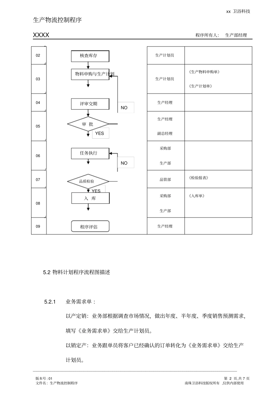
xx 卫浴科技生产物流控制程序XXXX 程序所有人: 生产部经理_________________________________________________________________________________________________________ 版本号 : 01 第 1 页,共 7 页文件名 : 生产物流控制程序南珠卫浴科技版权所有 ,仅供内部使用1. 目的为使本公司的生产物料在计划、 采购和生产的各个环节流程线接与流转使用得到有效控制、统计、追溯等。特制定本程序。2.范围适用于本公司所有生产物料。3.定义无。4.职责4.1 生产部经理:是本程序的所有人。4.2 仓管员:负责按生产计划所需的物料发放、监督及统计。4.3 物控员:负责生产过程的物料跟踪及移转。4.4 生产部:负责生产计划的执行、监督与追踪。4.5 品管部:负责生产过程中的品质监控、不合格品判定及处理,品质数据统计。5.流程图5.1 物料计划程序流程图步骤动作责任单位 /人结果(表单)01 业务部《业务需求单》业务需求单xx 卫浴科技生产物流控制程序XXXX 程序所有人: 生产部经理_________________________________________________________________________________________________________ 版本号 : 01 第 2 页,共 7 页文件名 : 生产物流控制程序南珠卫浴科技版权所有 ,仅供内部使用02 生产计划员03 生产计划员《生产物料申购单》《生产计划单》04 生产经理05 生产经理副总经理06 采购部生产部07 品管部《检验报表》08 采购部生产部《入库单》09 生产经理5.2 物料计划程序流程图描述5.2.1 业务需求单 : 以产定销:业务部根据调查市场情况,做出年度、半年度、季度销售预测需求,填写《业务需求单》交给生产计划员。以销定产:业务跟单员将客户已经确认的订单转化为《业务需求单》交给生产计划员。NO YES YES 核查库存物料申购与生产计划评审交期任务执行程序评估品质检验审 批NO 入 库xx 卫浴科技生产物流控制程序XXXX 程序所有人: 生产部经理_________________________________________________________________________________________________________ 版本号 : 01 第 3 页,共 7 页文件名 : 生产物流控制程序南珠卫浴科技版权所有 ,仅供内部使用研发试产:项目负责人将《小批量试产申请单》交给业务部,由业务跟单员填写《业务需求单》交给生产计划员。5.2.2 核查库存:生产计划员接到业务需求单进行核对库存,整理出需申购的物料数量和需生产的产品数量。5.2.3 物料申购与...

1、当您付费下载文档后,您只拥有了使用权限,并不意味着购买了版权,文档只能用于自身使用,不得用于其他商业用途(如 [转卖]进行直接盈利或[编辑后售卖]进行间接盈利)。
2、本站所有内容均由合作方或网友上传,本站不对文档的完整性、权威性及其观点立场正确性做任何保证或承诺!文档内容仅供研究参考,付费前请自行鉴别。
3、如文档内容存在违规,或者侵犯商业秘密、侵犯著作权等,请点击“违规举报”。

碎片内容

生产物流控制程序

您可能关注的文档

确认删除?
VIP
微信客服
  • 扫码咨询
会员Q群
  • 会员专属群点击这里加入QQ群
客服邮箱
回到顶部