电脑桌面
添加小米粒文库到电脑桌面
安装后可以在桌面快捷访问

生产部经理绩效考核方案VIP专享

生产部经理绩效考核方案_第1页
1/4
生产部经理绩效考核方案_第2页
2/4
生产部经理绩效考核方案_第3页
3/4
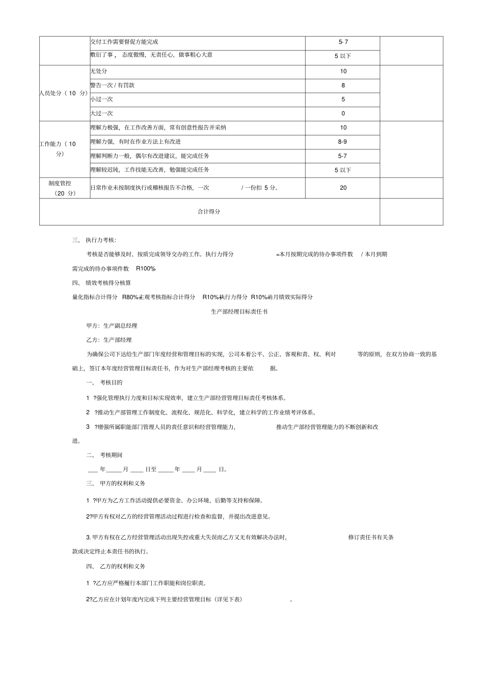
优质参考文档生产经理绩效考核表被考核人姓名职位生产部经理部门生产部考核人姓名职位生产副总部门丿务处、量化指标 : - 序号 ~ KPI 指标权重—绩效目标值- 数据来源—考核得分1 生产计划按时完成率25% 考核期内确保产量、产值计划95%按时完成。基准分100 分;每低于目标值 _1%,扣 _1 分;低于 90%,不得分;每高于目标值1%, 加 1 分;营管部 / 生产计划部2 达成率30% 确保本考核期内的劳动生产效率咼于75 %。每低于目标值 2%,扣 4 分;低于 68%,不得分;每高于目标值 2%,得 4 分;车间统计3 产品合格率30% 考核期内产品抽检合格率不得低于93%每低0.5%,减 3 分;低于 90%,不得分;每高0.5%, 加 3 分; 品管部4 生产现场 6S质量10% 生产现场 6S 质量以稽核部公告的结果为准,得分取所有车间的平均值 /100R10 6S 小组5 生产安全事故发生次数5% 以上报社保工伤数为准,有一起则得分为零行政部合计得分考核指标说明1、 生产计划按时完成率:由销售部按照产品入库(T6 系统)时间予以统计,经计划部核对后,予以核算;2、 达成率按照模压、涂布、镀铝各占10%进行核算;3、 产品合格率按照品管部岀具报告为准;、主观考核指标 : 考核内部管理工作情况:工作分配是否合理;是否提供及时有效的业务指导等,下表考核项目及考核内容配分王官计划组织能力(20 分)经常能够预先系统地安排工作,并组织团队及时完成20 偶尔能够预先系统地安排工作,但能组织团队及时完成15-19 很少能够预先系统地安排工作,工作完成偶尔推迟10-14 不能预先系统系统地安排工作,工作完成经常推迟10 以下团队建设能力(20 分)团队成员稳定、团结、持续学习、专业技术能力持续增强20 团队成员稳定、团结、偶然组织学习15-19 团队成员稳定、团结,但气氛偶尔有紧张10-14 团队气氛经常有紧张状况10 以下协调沟通能力(10 分)经常能够很好地沟通协调好各个方面的矛盾和关系10 能够沟通协调好一般情况下的矛盾8-9 偶尔会在部门之间和内部岀现沟通协调问题7 经常会在部门之间和内部岀现沟通协调问题5-6 责任感(10 分)任劳任怨,竭尽所能完成任务10 工作努力,有责任心,能较好完成分内工作8-9 交付工作需要督促方能完成5- 7 敷衍了事 ,态度傲慢,无责任心,做事粗心大意5 以下人员处分( 10 分)无处分10 警告一次 / 有罚款8 小过一次5 大过一次0 工作能力( 10 分)理解力极强,在...

1、当您付费下载文档后,您只拥有了使用权限,并不意味着购买了版权,文档只能用于自身使用,不得用于其他商业用途(如 [转卖]进行直接盈利或[编辑后售卖]进行间接盈利)。
2、本站所有内容均由合作方或网友上传,本站不对文档的完整性、权威性及其观点立场正确性做任何保证或承诺!文档内容仅供研究参考,付费前请自行鉴别。
3、如文档内容存在违规,或者侵犯商业秘密、侵犯著作权等,请点击“违规举报”。

碎片内容

生产部经理绩效考核方案

确认删除?
VIP
微信客服
  • 扫码咨询
会员Q群
  • 会员专属群点击这里加入QQ群
客服邮箱
回到顶部