电脑桌面
添加小米粒文库到电脑桌面
安装后可以在桌面快捷访问

抽样检验管理规范样本

抽样检验管理规范样本_第1页
1/5
抽样检验管理规范样本_第2页
2/5
抽样检验管理规范样本_第3页
3/5
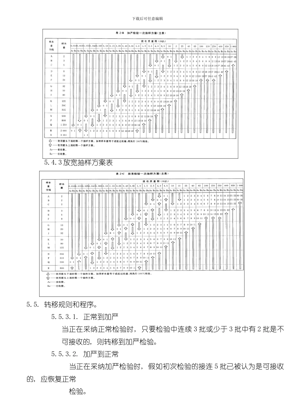
下载后可任意编辑1. 目的为了法律规范抽样方法, 指导检验员正确地按 AQL 抽样计划进行进料、 半成品、 成品的抽样检验。2. 范围适用于本公司所有的进料、 半成品、 成品抽检。3. 职责3.1 检验员: 负责 AQL 抽样计划的执行。3.2 品质工程师: 负责监督执行并视产品实际情况, 制定、 修改本管理规定。4. 定义4.1 AQL: (Acceptance Quality Limit)质量可接收水平, 是供方能够保证稳定达到的实际质量水平, 是用户能接受的产品质量水平。5. 抽样方案 5.1.抽样方法: 一般采纳正常检验、 当过程优于或低于正常水平且满足转移规则时, 采纳加严或放宽检验。根据设定的检验水平( S-2) 、 与来料数量( 批量) 选择对应代码, 在正常、 加严、 放宽抽样方案表上根据代码选择抽样数量及接收质量限(AQL)。5.2. 检验水平: 特别检验水平 S-2。批量特别检验水平一般检验水平S-1S-2S-3S-4ⅠⅡⅢ2~8AAAAAAB9~15AAAAABC16~25AABBBCD26~50ABBCCDE51~90BBCCCEF91~150BBCDDFG151~280BCDEFGH281~500BCDEFHJ501~1200CCEFGJK下载后可任意编辑1201~3200CDEGHKL3201~10000CDFGJLM10001~35000CDFHKMN35001~150000DEGJLNP150001~500000DEGJMPQ500001 及以上DEHKNQR5.3. 接收质量限: 致命缺陷( CR) AQL=0.010、 严重缺陷( Ma) AQL=0.010、 轻微缺陷( Mi) AQL=0.010。5.4. 正常、 加严和放宽抽样方案5.4.1. 正常检验抽样方案表5.4.2 加严抽样方案表下载后可任意编辑5.4.3 放宽抽样方案表5.5. 转移规则和程序。5.5.3.1. 正常到加严 当正在采纳正常检验时, 只要检验中连续 3 批或少于 3 批中有 2 批是不可接收的, 则转移到加严检验。5.5.3.2. 加严到正常 当正在采纳加严检验时, 假如初次检验的接连 5 批已被认为是可接收的, 应恢复正常检验。下载后可任意编辑5.5.3.3. 正常到放宽当正在采纳正常检验时, 假如初次检验的接连 5 批全部已被认为是可接收的, 应转移到放宽检验。5.5.3.4 放宽到正常 当正在采纳放宽检验时, 出现一个批不接收, 或有恢复正常检验的其它正当理由, 可转移到正常检验。5.5.3.5. 暂停检验假如在加严检验中未接收批的累计数达到 3 批, 应临时停止检验。直到供方为改进所提供产品或服务的质量已实行行动, 而且负责部门承认此行动可能有效时, 才能恢复检验程序, 从使用加严检验开始。5.6. IQC 抽样检验标准: 来料原材料、 半成品检验按接收质量限: AQL=0.010(CR), A...

1、当您付费下载文档后,您只拥有了使用权限,并不意味着购买了版权,文档只能用于自身使用,不得用于其他商业用途(如 [转卖]进行直接盈利或[编辑后售卖]进行间接盈利)。
2、本站所有内容均由合作方或网友上传,本站不对文档的完整性、权威性及其观点立场正确性做任何保证或承诺!文档内容仅供研究参考,付费前请自行鉴别。
3、如文档内容存在违规,或者侵犯商业秘密、侵犯著作权等,请点击“违规举报”。

碎片内容

抽样检验管理规范样本

您可能关注的文档

确认删除?
VIP
微信客服
  • 扫码咨询
会员Q群
  • 会员专属群点击这里加入QQ群
客服邮箱
回到顶部