电脑桌面
添加小米粒文库到电脑桌面
安装后可以在桌面快捷访问

挡土墙设计说明书样本

挡土墙设计说明书样本_第1页
1/8
挡土墙设计说明书样本_第2页
2/8
挡土墙设计说明书样本_第3页
3/8
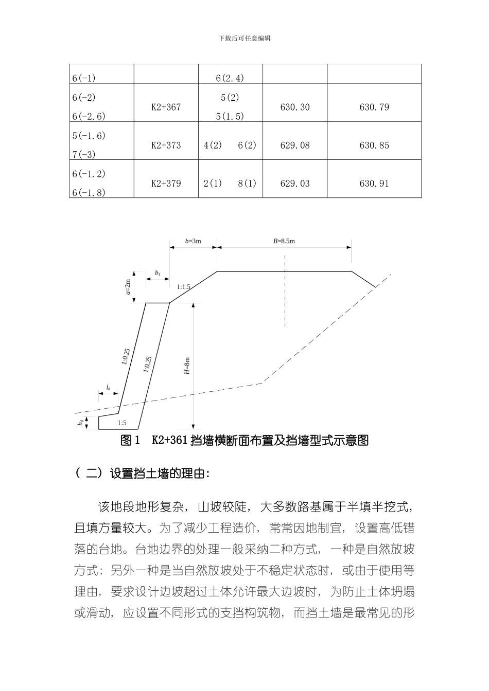
下载后可任意编辑(一)设计资料: 某新建公路 K2+345~K2+379 路段采纳浆砌片石重力式路堤墙, 具体设计资料列于下: 1.路线技术标准, 山岭重丘区一般二级公路, 路基宽 8.5m, 路面宽 7.0m。2.车辆荷载, 计算荷载为汽车-20 级, 验算荷载为挂车-100。3.横断面原地面实测值及路基设计标高如表 1 所示。4.K2+361 挡墙横断面布置及挡墙型式如图 1 所示( 注: 参考尺寸: m,=0.40m,=0.60m) 。5.填料为砂性土, 其密度18KN/m3, 计算内摩擦角 =35, 填料与墙背间的摩擦角 =。6.地基为整体性较好的石灰岩, 其允许承载力=450Kpa, 基地摩擦系数为 f=0.45。7.墙身材料采纳 5 号砂浆砌 30 号片石, 砌体=22KN/m3, 砌体容许压应力为Kpa, 容许剪应力[ ]=100Kpa, 容许拉应力[]=60 Kpa。横断面原地面实测值及路基设计标高 表 1左侧桩号右侧中桩标高( m) 路基设计标高( m) 8(-2.6) 4(-3)K2+3454(2) 6(4.5)631.45630.576(-2.4) 6(-3.6)K2+3504(2.1) 6(2.4)631.08630.627(-3) 6(-3)K2+3564(2.2) 6(2.8)629.62630.686(-3) K2+3614(1.2) 628.51630.73下载后可任意编辑6(-1)6(2.4)6(-2) 6(-2.6)K2+3675(2) 5(1.5)630.30630.795(-1.6) 7(-3)K2+3734(2) 6(2)629.08630.856(-1.2) 6(-1.8)K2+3792(1) 8(1)629.03630.91 图 1 K2+361 挡墙横断面布置及挡墙型式示意图( 二) 设置挡土墙的理由: 该地段地形复杂, 山坡较陡, 大多数路基属于半填半挖式, 且填方量较大。为了减少工程造价, 常常因地制宜, 设置高低错落的台地。台地边界的处理一般采纳二种方式, 一种是自然放坡方式; 另外一种是当自然放坡处于不稳定状态时, 或由于使用等理由, 要求设计边坡超过土体允许最大边坡时, 为防止土体坍塌或滑动, 应设置不同形式的支挡构筑物, 而挡土墙是最常见的形下载后可任意编辑式。为了防止填方路基滑动, 而且减少填方的数量, 需要设置挡土墙。同时, 该处路基挖方量较少, 边坡能够在开挖后较稳定, 因此不用设置路堑墙, 只用设置防止路基沿边坡下滑的路肩墙或路堤墙即可。经过比较, 决定设置路堤墙, 因为若用路肩墙, 经过初步估算, 其承受的土的主动土压力较大, 使其抗滑稳定性和抗倾覆稳定性较差, 很容易让路基随其沿着山坡下滑, 导致路基的破坏, 因而不宜选用。( 三) 挡土墙的尺寸拟定以及计算步骤计算时, 取 K2+361 处横断面来设计挡土墙( 因为该处地形在七个横断面中最陡) 。初步...

1、当您付费下载文档后,您只拥有了使用权限,并不意味着购买了版权,文档只能用于自身使用,不得用于其他商业用途(如 [转卖]进行直接盈利或[编辑后售卖]进行间接盈利)。
2、本站所有内容均由合作方或网友上传,本站不对文档的完整性、权威性及其观点立场正确性做任何保证或承诺!文档内容仅供研究参考,付费前请自行鉴别。
3、如文档内容存在违规,或者侵犯商业秘密、侵犯著作权等,请点击“违规举报”。

碎片内容

挡土墙设计说明书样本

您可能关注的文档

确认删除?
VIP
微信客服
  • 扫码咨询
会员Q群
  • 会员专属群点击这里加入QQ群
客服邮箱
回到顶部