电脑桌面
添加小米粒文库到电脑桌面
安装后可以在桌面快捷访问

大门施工方案

大门施工方案_第1页
1/24
大门施工方案_第2页
2/24
大门施工方案_第3页
3/24
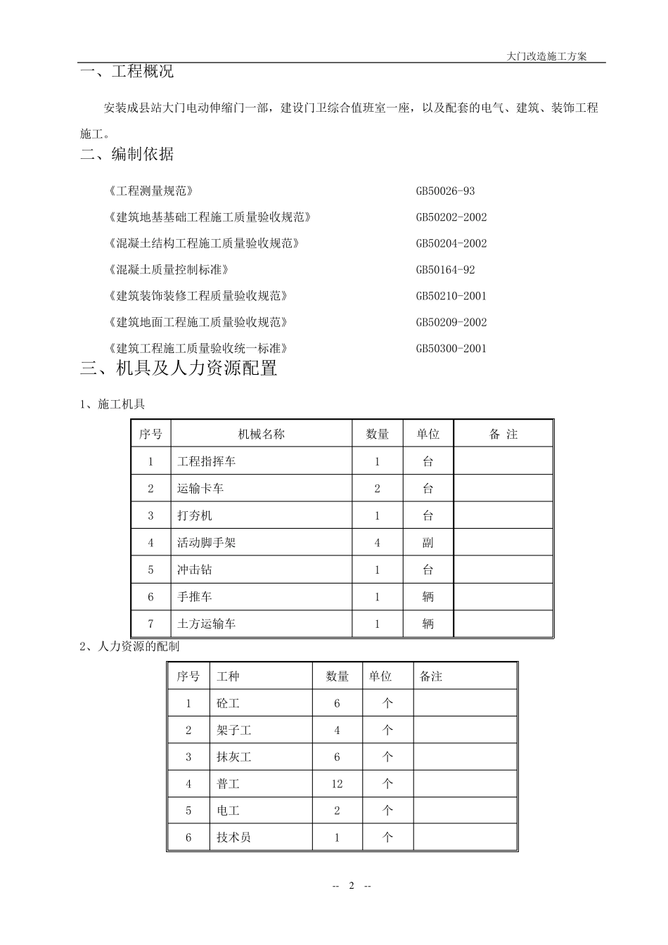
大门改造施工方案 -- 1 -- 目 录 一、工程概况 ........................................................................................................2 二、编制依据 ........................................................................................................2 三、机具及人力资源配置 ....................................................................................2 1、施工机具 ........................................................................................................................................ 2 2、人力资源的配制 ............................................................................................................................ 2 四、施工步骤及质量要求 ....................................................................................3 1 、施工测量控制方案 ........................................................................................................................ 3 2 、土方开挖施工方案 ........................................................................................................................ 3 3 、回填土施工方案 ............................................................................................................................ 4 4 、模板工程施工方法 ........................................................................................................................ 5 5 、砼工程施工方法 ............................................................................................................................ 7 6 、钢筋工程 ........................................................................................................................................ 9 7 、双排外脚手架安装工程 ...............................................................................................................1 1 8 、屋面及防水工程 .......................................................................................................................... 1 6...

1、当您付费下载文档后,您只拥有了使用权限,并不意味着购买了版权,文档只能用于自身使用,不得用于其他商业用途(如 [转卖]进行直接盈利或[编辑后售卖]进行间接盈利)。
2、本站所有内容均由合作方或网友上传,本站不对文档的完整性、权威性及其观点立场正确性做任何保证或承诺!文档内容仅供研究参考,付费前请自行鉴别。
3、如文档内容存在违规,或者侵犯商业秘密、侵犯著作权等,请点击“违规举报”。

碎片内容

大门施工方案

您可能关注的文档

确认删除?
VIP
微信客服
  • 扫码咨询
会员Q群
  • 会员专属群点击这里加入QQ群
客服邮箱
回到顶部