电脑桌面
添加小米粒文库到电脑桌面
安装后可以在桌面快捷访问

天津市建设工程施工安全资料管理规程目录

天津市建设工程施工安全资料管理规程目录_第1页
1/13
天津市建设工程施工安全资料管理规程目录_第2页
2/13
天津市建设工程施工安全资料管理规程目录_第3页
3/13
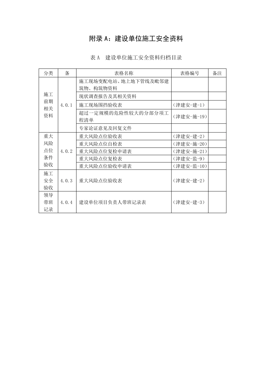
施工单位施工安全资料卷分为综合管理资料册(1-3 册)和专业管理资料册(4-16册),共16 册。 1.安全管理(津建安-施1 册) 2.文明施工(津建安-施2 册) 3.危险性较大分部分项工程(津建安-施3 册) 4.消防管理(津建安-施4 册) 5.脚手架(津建安-施5 册) 6.基坑支护(津建安-施6 册) 7.模板工程(津建安-施7 册) 8.高处作业(津建安-施8 册) 9.施工用电(津建安-施9 册) 10.建筑起重机械设备(津建安-施10 册) 11.高处作业吊篮(津建安-施11 册) 12.履带式起重机(津建安-施12 册) 13.桩工成孔机械(津建安-施13 册) 14.施工机具及设备(津建安-施14 册) 15.附着式升降脚手架、整体提升模板(滑模、爬模)(津建安-施15 册) 16.起重吊装(津建安-施16 册) 附录A:建设单位施工安全资料 表A 建设单位施工安全资料归档目录 分类 条 表格名称 表格编号 备注 施工 前期 相关 资料 4.0.1 施工现场变配电站、地上地下管线及毗邻建筑物、构筑物资料 现状调查报告及其相关资料 施工现场围挡验收表 (津建安-建-1) 超过一定规模的危险性较大的分部分项工程清单 (津建安-施-19) 专家论证意见及回复文件 重大风险点位条件验收 4.0.2 重大风险点位验收表 (津建安-建-2) 重大风险点位自检表 (津建安-施-20) 重大风险点位复检申请表 (津建安-施-21) 重大风险点位复检表 (津建安-监-9) 重大风险点位验收申请表 (津建安-监-10) 施工安全验收 4.0.3 重大风险点位验收表 (津建安-建-2) 领导带班记录 4.0.4 建设单位项目负责人带班记录表 (津建安-建-3) 附录B:工程监理单位施工安全资料 表B 工程监理单位施工安全资料归档目录 分类 条 表格名称 表格编号 备注 工程监理单位施工安全资料 5.0.1 监理规划、安全监理事实细则 5.0.2 报审表 (津建安-监-1) 5.0.3 施工组织设计(方案)报审表 (津建安-监-2) 5.0.4 监理例会记录表 (津建安-监-3) 5.0.5 安全监理日志 (津建安-监-4) 5.0.6 监理通知单 (津建安-监-5) 5.0.7 监理通知回复单 (津建安-监-6) 5.0.8 建筑施工机械安装(拆除)告知书 (津建安-施-45) 建筑施工机械使用登记表 (津建安-施-60) 建筑机起重机械生产安全事故应急救援预案 建筑施工机械使用延期登记表 (津建安-施-61) 5.0.9 监理单位 作业监控任务书 (津建安-监-7) 5.0.10 监...

1、当您付费下载文档后,您只拥有了使用权限,并不意味着购买了版权,文档只能用于自身使用,不得用于其他商业用途(如 [转卖]进行直接盈利或[编辑后售卖]进行间接盈利)。
2、本站所有内容均由合作方或网友上传,本站不对文档的完整性、权威性及其观点立场正确性做任何保证或承诺!文档内容仅供研究参考,付费前请自行鉴别。
3、如文档内容存在违规,或者侵犯商业秘密、侵犯著作权等,请点击“违规举报”。

碎片内容

天津市建设工程施工安全资料管理规程目录

确认删除?
VIP
微信客服
  • 扫码咨询
会员Q群
  • 会员专属群点击这里加入QQ群
客服邮箱
回到顶部