电脑桌面
添加小米粒文库到电脑桌面
安装后可以在桌面快捷访问

太阳能路灯的安装与调试

太阳能路灯的安装与调试_第1页
1/15
太阳能路灯的安装与调试_第2页
2/15
太阳能路灯的安装与调试_第3页
3/15
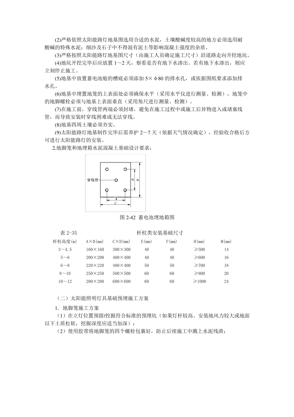
太阳能路灯的安装与调试 一、任务导入 太阳能路灯供电系统,利用光生伏特效应原理制成的太阳能电池,白天电池板接收太阳辐射能并转化为电能输出,经过充放电控制器储存在蓄电池中,夜晚当照度逐渐降低、太阳能电池板工作电压小于 4V 时,充放电控制器侦测到这一电压值后动作,蓄电池对 LED 路灯放电。蓄电池放电至天亮照度升高,太阳能电池板工作电压大于 4V 时,充放电控制器动作,蓄电池放电结束。充放电控制器的主要作用是保护蓄电池。如图 2-41 所示。 图 2-41 太阳能路灯系统组成示意图 二、相关知识 学习情境 1 太阳能路灯的地基施工与方案实例 (一)太阳能路灯系统的地基施工 1.太阳能路灯在安装前先要进行地基施工时,地基施工主要是进行地脚笼和地埋箱预埋施工,应做到: (1 )在施工前,应预备好制作太阳能路灯地基所需的工具,选用具有施工经验的施工 人员。 (2 )严格依照太阳能路灯地基图选用合适的水泥,土壤酸碱度较高的地方必须选用耐 酸碱的特殊水泥;细沙及石子中不得混有泥土等影响混凝土强度的杂质。 (3 )严格按照太阳能路灯地基图尺寸(由施工人员确定施工尺寸)沿道路走向开挖地坑。 (4 )地坑开挖完毕后应放置1 ~2 天,察看是否有地下水渗出。若有地下水渗出,则应 立刻停止施工。 (5 )地基中放置蓄电池舱的槽底必须添加5 ×φ8 0 的排水孔,或依据图纸要求添加排 水孔。 (6 )地基中埋置地笼的上表面处必须确保水平(采用水平仪进行测量、检测),地笼中的地脚螺栓必须与地基上表面垂直(采用角尺进行测量、检测)。 (7 )在施工前,穿线管两端必须封堵,避免在施工过程中或施工后异物进入或堵塞线 管,而导致安装时穿线困难或无法穿线。 (8 )地基四周 土壤必须夯 实 。 (9 )太阳能路灯地基制 作 完毕后需 养 护 2 ~7 天(依据天气 情 况 确定),经 验 收 合格后方 可 进行太阳能路灯的安装。 2 .地脚笼和 地埋箱 水泥混凝土基础 设 计 要求: 图2 -4 2 蓄电池埋地箱 图 表 2-35 杆 柱 类 安装基础 尺寸 杆 柱 高度(m) A×B(mm) C×D(mm) E(mm) F(mm) H(mm) M(mm) 3~4.5 160×160 300×300 40 40 ≥ 500 14 5~6 200×200 400×400 40 40 ≥ 600 16 6~8 220×220 400×400 50 50 ≥ 700 18 8~10 250×250 500×500 60 60 ≥ 800 20 10~12 280×280 600×600 60 60 ≥ 1000 24...

1、当您付费下载文档后,您只拥有了使用权限,并不意味着购买了版权,文档只能用于自身使用,不得用于其他商业用途(如 [转卖]进行直接盈利或[编辑后售卖]进行间接盈利)。
2、本站所有内容均由合作方或网友上传,本站不对文档的完整性、权威性及其观点立场正确性做任何保证或承诺!文档内容仅供研究参考,付费前请自行鉴别。
3、如文档内容存在违规,或者侵犯商业秘密、侵犯著作权等,请点击“违规举报”。

碎片内容

太阳能路灯的安装与调试

确认删除?
VIP
微信客服
  • 扫码咨询
会员Q群
  • 会员专属群点击这里加入QQ群
客服邮箱
回到顶部