电脑桌面
添加小米粒文库到电脑桌面
安装后可以在桌面快捷访问

生活饮用水紫外线消毒

生活饮用水紫外线消毒_第1页
1/4
生活饮用水紫外线消毒_第2页
2/4
生活饮用水紫外线消毒_第3页
3/4
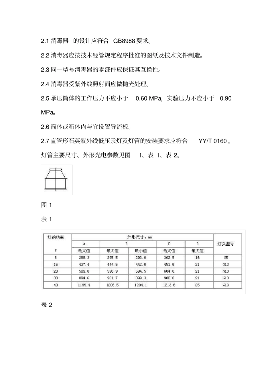
CJ/T204-2000生活饮用水紫外线消毒器建设部于 2000 年 12 月 7 日批准发布了《生活饮用水紫外线消毒器》(CJ/T204-2000)规范,并要求2001 年 6 月 1 日起实施。为便于规范实施,现将主要技术内容介绍如下:1.使用环境条件:消毒器应能在下述条件下正常工作1.1 进水的水质:a)浑浊度≤ 5 度;b)总含铁量≤ 0.3mg/L;c)色度≤ 15 度;d)水温≥ 5℃;e)总大肠菌群≤ 1000 个/L;f)细菌总数≤ 2000 个/mL;1.2 空气环境:a)环境温度≥ 5℃;b)空气中最大相对湿度≤ 90%(相当于空气 20℃±5℃)。1.3 电源:a)电源频率 50Hz±2.5Hz; 。b)电源电压 220V±22。 。2 基本技术要求2.1 消毒器 的设计应符合 GB8988 要求。2.2 消毒器应按技术经管规定程序批准的图纸及技术文件制造。2.3 同一型号消毒器的零部件应保证其互换性。2.4 消毒器受紫外线照射面应做抛光处理。2.5 承压筒体的工作压力不应小于0.60 MPa,实验压力不应小于0.90 MPa。2.6 筒体或箱体内与宜设置导流板。2.7 直管形石英紫外线低压汞灯及灯管的安装要求应符合YY/T 0160 。灯管主要尺寸、外形光电参数见图1、表 1、表 2。图 1 表 1 表 2 2.8 在对环境有较高要求时,宜优先选用低臭氧型灯管,以减少臭氧对环境的污染。2.9 灯管的布置应受紫外线照射面上的紫外线强度分布均匀。2.10 消毒器应设有灯管点燃指示、点燃累计时间指示或紫外线辐照强度的相对指示。2.11 灯管应用石英玻璃套管与水隔开,石英套管257.7mm 紫外线的透过率应大于 85%。2.12 器选用的低压电器应符合相应产品的技术要求。2.13 消毒器上应设有进出水管、泻水管、取样管。在消毒器不便安放泻水管时,也可以在与消毒器等同处的连接管上安装。2.14 消毒器的规格及进、出水管管径宜按表3 选用。表 3 2.15 按本规范的检验要求, 装备新灯管的消毒器产品, 测得的紫外线辐照剂量不得小于12000µ 。W• 。s/cm2 (应充水 ),正常工 作 的 消 毒 器 测 得 的 紫 外 线 辐 照 剂 量 不 得 小 于 9000µ 。W•。s/cm2。2.16 按本规范的使用条件, 在额定消毒水量下工作, 出水的细菌学指标应符合 GB5749 要求。2.17 消毒器材应符合GB/T17219 要求。消毒器宜使用 304L、316L 不锈钢。2.18 消毒器在额定消毒水量下工作的水头损失应小于0.005MPa。3.外观要求3..1 设备表面应喷涂均匀,颜色一致,表面应无流痕、起泡、漏漆、剥落现象。3.2 设备外表整齐美观,无明显的锤痕和不平,盘面仪表、开关、指示灯、标牌应安装牢固端正。3.3 设备外壳及骨架的焊接应牢固,无明显变形或烧穿缺陷。

1、当您付费下载文档后,您只拥有了使用权限,并不意味着购买了版权,文档只能用于自身使用,不得用于其他商业用途(如 [转卖]进行直接盈利或[编辑后售卖]进行间接盈利)。
2、本站所有内容均由合作方或网友上传,本站不对文档的完整性、权威性及其观点立场正确性做任何保证或承诺!文档内容仅供研究参考,付费前请自行鉴别。
3、如文档内容存在违规,或者侵犯商业秘密、侵犯著作权等,请点击“违规举报”。

碎片内容

生活饮用水紫外线消毒

您可能关注的文档

爱的疯狂+ 关注
实名认证
内容提供者

该用户很懒,什么也没介绍

确认删除?
VIP
微信客服
  • 扫码咨询
会员Q群
  • 会员专属群点击这里加入QQ群
客服邮箱
回到顶部