电脑桌面
添加小米粒文库到电脑桌面
安装后可以在桌面快捷访问

用触屏修改S7200的系统时间

用触屏修改S7200的系统时间_第1页
1/3
用触屏修改S7200的系统时间_第2页
2/3
用触屏修改S7200的系统时间_第3页
3/3
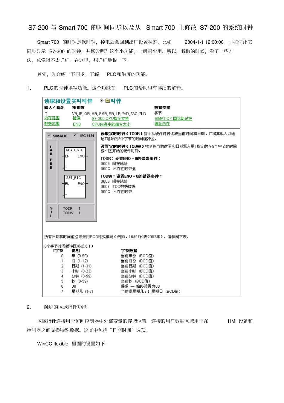
S7-200 与 Smart 700 的时间同步以及从Smart 700 上修改 S7-200 的系统时钟Smart 700 的时钟是软时钟,掉电后会回到出厂设置状态,比如2004-1-1 12:00:00。如何让它同步显示 S7-200 的时钟,并修改呢?这个小功能,一般很少用,所以,我做的时候,看了一些方法,总觉得不太详细。在这里,想详细地说一下。首先,先介绍一下同步。了解PLC和触屏的功能。1、PLC的时钟读写功能。这个功能在PLC的帮助里有详细的解释。2、触屏的区域指针功能区域指针连接用于访问控制器中外部变量的存储位置。连接的用户数据区域用于在HMI 设备和控制器之间交换特殊数据。这其中包括“日期时间”选项。WinCC flexible 里面的设置如下:这儿设置的地址VW200 ,一定要与下面PLC读取时钟的地址VB200 一致。这样就可以读取了。在画面上添加一个日期时间域那么,我们如何去修改这个时间呢?PLC程序如下VB190⋯VB197 中分别对应年月日时分秒*周。触屏上的画面我是这样做的“确定”按钮的功能就“setbit ”M8.2 即可。输入框的设置变量这样就可以在触屏上显示PLC的当前时间,并修改了。希望能帮到大家!⊙· ⊙

1、当您付费下载文档后,您只拥有了使用权限,并不意味着购买了版权,文档只能用于自身使用,不得用于其他商业用途(如 [转卖]进行直接盈利或[编辑后售卖]进行间接盈利)。
2、本站所有内容均由合作方或网友上传,本站不对文档的完整性、权威性及其观点立场正确性做任何保证或承诺!文档内容仅供研究参考,付费前请自行鉴别。
3、如文档内容存在违规,或者侵犯商业秘密、侵犯著作权等,请点击“违规举报”。

碎片内容

用触屏修改S7200的系统时间

您可能关注的文档

确认删除?
VIP
微信客服
  • 扫码咨询
会员Q群
  • 会员专属群点击这里加入QQ群
客服邮箱
回到顶部