电脑桌面
添加小米粒文库到电脑桌面
安装后可以在桌面快捷访问

劳动防护用品专项检查表VIP免费

劳动防护用品专项检查表_第1页
1/6
劳动防护用品专项检查表_第2页
2/6
劳动防护用品专项检查表_第3页
3/6
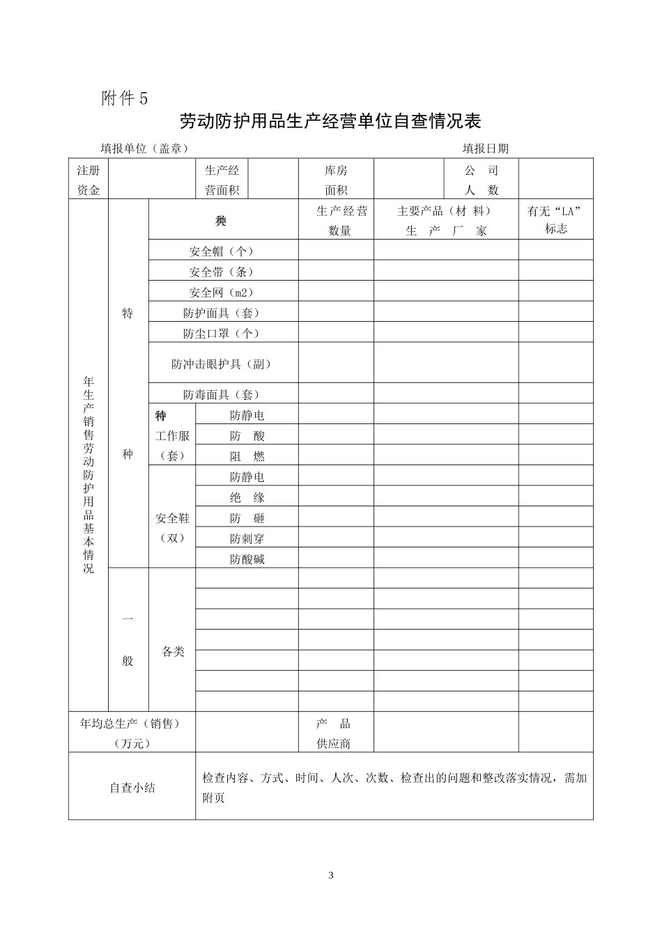
附件4劳动防护用品使用单位自查情况表填报单位(盖章)填报日期劳动防护用品分管领导主管部门部门负责人联系人电话单位就业人员数应配发劳动防护用品人员数执行相关配备标准国家()省上()行业()打√配备劳动防护用品基本情况特种种类应配备人员数实际配备数量产品主要生产厂家有无“LA”标志安全帽(个)安全带(条)安全网(㎡)防毒面具(呼吸器)防尘口罩(个)防冲击眼护具(副)防毒面具(套)特种工作服(套)防静电防酸阻燃安全鞋(双)防静电绝缘防砸防穿刺防酸碱一般各类劳动防护用品每年平均投入(万元)制度建设1自查小结检查内容、方式、时间、人次、次数、检查出的问题和整改落实情况,需加附页2附件5劳动防护用品生产经营单位自查情况表填报单位(盖章)填报日期注册资金生产经营面积库房面积公司人数年生产销售劳动防护用品基本情况特种种类生产经营数量主要产品(材料)生产厂家有无“LA”标志安全帽(个)安全带(条)安全网(m2)防护面具(套)防尘口罩(个)防冲击眼护具(副)防毒面具(套)特种工作服(套)防静电防酸阻燃安全鞋(双)防静电绝缘防砸防刺穿防酸碱一般各类年均总生产(销售)(万元)产品供应商自查小结检查内容、方式、时间、人次、次数、检查出的问题和整改落实情况,需加附页3附件6劳动防护用品使用单位执法检查表用人单位名称检查部门检查时间检查项目执法依据及处罚标准检查结果劳动防护用品配备方面1.不配发劳动防护用品的《中华人民共和国职业病防治法》第七十三条“用人单位违反本法规定,有下列行为之一的,由安全生产监督管理部门给予警告,责令限期改正,逾期不改正的,处五万元以上二十万元以下的罚款;情节严重的,责令停止产生职业病危害的作业,或者提请有关人民政府按照国务院规定的权限责令关闭:(二)未提供职业病防护设施和个人使用的职业病防护用品,或者提供的职业病防护设施和个人使用的职业病防护用品不符合国家职业卫生标准和卫生要求的;”2.配发无安全标志的特种劳防用品的3.配发不合格的劳动防护用品的4.配发超过使用期限的劳防用品的5.劳动防护用品管理混乱,由此对从业人员造成事故伤害及职业危害教育培训方面6.是否教育和指导从业人员正确佩带、使用防护用品《中华人民共和国职业病防治法》第七十一条“违反本法规定,有下列行为之一的,由安全生产监督管理部门给予警告,责令限期改正;逾期不改正的,处十万元以下的罚款:(四)未按照规定组织劳动者进行职业卫生培训,或者未对劳动者个人职业病防护采取指导、督促措施的;”3.是否有培训记录培训部门:(_________)培训时间:(_________)4管理制度方面1.是否建立劳防用品专项经费管理制度《中华人民共和国职业病防治法》第二十二条“用人单位应当保障职业病防治所需的资金投入,不得挤占、挪用,并对因资金投入不足导致的后果承担责任。”《用人单位劳动防护用品管理规范》第五条“用人单位应当健全管理制度,加强劳动防护用品配备、发放、使用等管理工作。”第六条“用人单位应当安排专项经费用于配备劳动防护用品,不得以货币或者其他物品替代。该项经费计入生产成本,据实列支。”(建立时间________)2.是否建立劳防用品采购、验收、保管、发放、使用、报废制度(建立时间________)受检单位负责人签字(盖章)年月日检查人员签字年月日附件7劳动防护用品专项检查情况汇总表填报单位(盖章):填报日期年月日检查生产经营以及使用单位基本情况辖区纳入职业卫生监管范围用人单位数(个)辖区职业危害重点行业(填具体行业)辖区职业危害重点企业数(个)辖区劳动防护用品生产企业数(个)检查数量、发现问题及整改情况计个企业;共发现问题条,已整改条辖区劳动防护用品经营企业数(个)检查数量、发现问题及整改情况计个企业;共发现问题条,已整改条本次检查的用人单位数(个),包括其他各种行业性监管检查时对劳动防护用品进行检查的数量,但不能重复计算,下同!计个单位;共发现问题条,已整改条其中:市级检查组检查数(个)市级检查组查出问题数共条。已整改条县区检查组检查数(个)县区检查组查出问题数共条。已整改条乡镇(街道)安...

1、当您付费下载文档后,您只拥有了使用权限,并不意味着购买了版权,文档只能用于自身使用,不得用于其他商业用途(如 [转卖]进行直接盈利或[编辑后售卖]进行间接盈利)。
2、本站所有内容均由合作方或网友上传,本站不对文档的完整性、权威性及其观点立场正确性做任何保证或承诺!文档内容仅供研究参考,付费前请自行鉴别。
3、如文档内容存在违规,或者侵犯商业秘密、侵犯著作权等,请点击“违规举报”。

碎片内容

劳动防护用品专项检查表

文章天下+ 关注
实名认证
内容提供者

各种文档应有尽有

确认删除?
VIP
微信客服
  • 扫码咨询
会员Q群
  • 会员专属群点击这里加入QQ群
客服邮箱
回到顶部