电脑桌面
添加小米粒文库到电脑桌面
安装后可以在桌面快捷访问

样表曹梁小学受检工程抗震设防检查表样本

样表曹梁小学受检工程抗震设防检查表样本_第1页
1/5
样表曹梁小学受检工程抗震设防检查表样本_第2页
2/5
样表曹梁小学受检工程抗震设防检查表样本_第3页
3/5
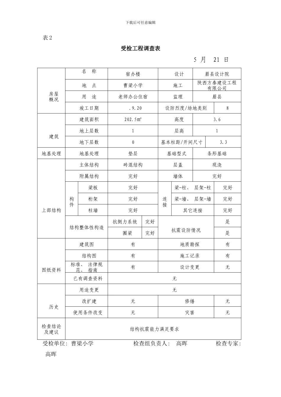
下载后可任意编辑表 1 市( 区) 受检工程抗震设防检查统计表( 项目类别: 校舍、 宿办楼 ) 序号工程项目名称项目地点建筑面积( 平方米) 结构类型层数/地下竣工时间何时进行加固或改造项目状况1教学楼曹家村727㎡砖混2/0 .9.20结构抗震能力满足要求2宿办楼曹家村202.5㎡砖混1/0 .9.20结构抗震能力满足要求下载后可任意编辑注: 项目类别是指保障房、 校舍、 医疗场所。( 此表为各个单体汇总表) 下载后可任意编辑表 2受检工程调查表 5 月 21 日房屋概况名 称宿办楼设计眉县设计院地 点曹梁小学施工陕西方泰建设工程有限公司用 途老师办公住宿监理眉县竣工日期 .9.20设防烈度/场地类别8建筑建筑面积202.5㎡高度3.6地上层数1层高1地下层数0基本柱距/开间尺寸3.3地基处理地基处理垫层基础型式条形基础上部结构主体结构砖混结构层盖现浇附属结构完好墙体完好构件梁板完好连接梁-柱、 层架-柱完好桁架完好梁-墙、 层架-墙完好柱墙完好其它连接完好结构整体性构造抗侧力系统完好抗震设防情况是圈梁完好是图纸资料建筑图有地质勘探有结构图有施工记录有标准、 法律规范、 指南有设计变更无已有调查资料无历史用途变更无改扩建无修缮无使用条件改变无灾害无检查结论及建议结构抗震能力满足要求受检单位: 曹梁小学 检查组负责人: 高晖 检查专家: 高晖下载后可任意编辑( 此表为每栋单体信息表, 一栋单体填写一表。) 表 2受检工程调查表 5 月 21 日房屋概况名 称教学楼设计无地 点曹梁小学施工无用 途教育教学监理无竣工日期 .9.20设防烈度/场地类别8建筑建筑面积727㎡高度7.8地上层数2层高2地下层数0基本柱距/开间尺寸3.3地基处理地基处理垫层基础型式条形上部结构主体结构砖混层盖预制附属结构完好墙体完好构件梁板完好连接梁-柱、 层架-柱完好桁架完好梁-墙、 层架-墙完好柱墙完好其它连接完好结构整体性构造抗侧力系统完好抗震设防情况是圈梁完好是图纸资料建筑图无地质勘探无结构图无施工记录无标准、 法律规范、 指南无设计变更无已有调查资料无历史用途变更无改扩建无修缮无使用条件改变无灾害无检查结论及建议结构抗震能力满足要求下载后可任意编辑受检单位: 曹梁小学 检查组负责人: 高晖 检查专家: 高晖( 此表为每栋单体信息表, 一栋单体填写一表。)

1、当您付费下载文档后,您只拥有了使用权限,并不意味着购买了版权,文档只能用于自身使用,不得用于其他商业用途(如 [转卖]进行直接盈利或[编辑后售卖]进行间接盈利)。
2、本站所有内容均由合作方或网友上传,本站不对文档的完整性、权威性及其观点立场正确性做任何保证或承诺!文档内容仅供研究参考,付费前请自行鉴别。
3、如文档内容存在违规,或者侵犯商业秘密、侵犯著作权等,请点击“违规举报”。

碎片内容

样表曹梁小学受检工程抗震设防检查表样本

阳光书坊+ 关注
实名认证
内容提供者

阳光书坊,传播未来

确认删除?
VIP
微信客服
  • 扫码咨询
会员Q群
  • 会员专属群点击这里加入QQ群
客服邮箱
回到顶部