电脑桌面
添加小米粒文库到电脑桌面
安装后可以在桌面快捷访问

模板内置有网体系样本

模板内置有网体系样本_第1页
1/8
模板内置有网体系样本_第2页
2/8
模板内置有网体系样本_第3页
3/8
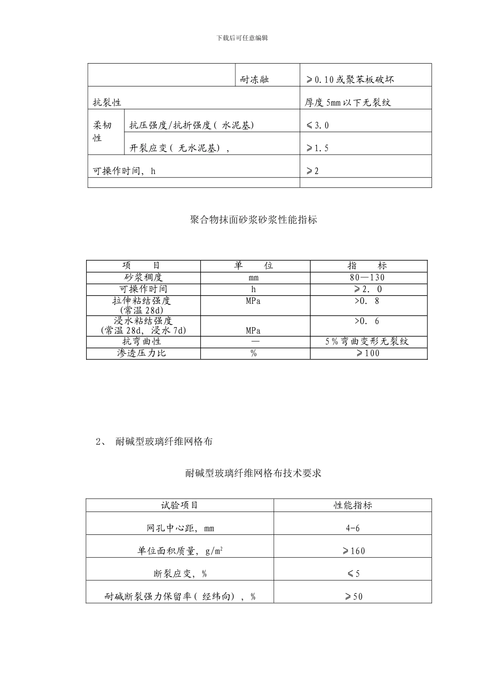
下载后可任意编辑模板内置有网体系外墙外保温面层找平工程 施 工 方 案编制: 审核: 批准: 河南省富丽达装饰节能工程有限公司一、 编制说明: 本施工方案仅涉及有网体系外保温面层找平的施工方法, 不包括插丝聚苯板与结构墙体的连接工序。 二、 编制依据1、 外墙外保温建筑构造( 一) ( 02J121—1) 2、 建筑构造通用图集墙身-外墙保温( 88J2-9) 3、 外墙外保温施工技术规程(DBJ/T01-66- )下载后可任意编辑 三、 施工部署 ( 一) 组织机构 成立外保温工程项目经理部, 指定项目经理为工程负责人, 负责本工程施工以及和建设单位、 监理单位、 总包单位协调配合。 项目经理部组成人员: 项目经理: 1 人 技术负责人: 1 人 施工员: 1 人 质量员: 1 人 ( 二) 施工进度计划 ( 根据现场条件合理安排施工工序, 以保证工程进度和工期) ( 三) 劳动力需求计划 ( 略) 。 ( 四) 物资供应工程所需物资均由材料物资部按材料计划直接采购、 供应。所有材料均有合格证并保证及时进场。所有材料尚应符合以下标准: 1、 聚合物抹面砂浆砂浆聚合物抹面砂浆技术指标项 目指 标拉伸粘结强度, Mpa( 与 18kg/m3聚苯板) 常温常态≥0.10 或聚苯板破坏耐水≥0.10 或聚苯板破坏下载后可任意编辑耐冻融≥0.10 或聚苯板破坏抗裂性厚度 5mm 以下无裂纹柔韧性抗压强度/抗折强度( 水泥基) ≤3.0开裂应变( 无水泥基) , ≥1.5可操作时间, h≥2聚合物抹面砂浆砂浆性能指标2、 耐碱型玻璃纤维网格布耐碱型玻璃纤维网格布技术要求试验项目性能指标 网孔中心距, mm4-6单位面积质量, g/m2≥160断裂应变, %≤5耐碱断裂强力保留率( 经纬向) , %≥50项 目单 位指 标砂浆稠度mm80—130可操作时间h≥2.O拉伸粘结强度(常温 28d)MPa>O.8浸水粘结强度(常温 28d, 浸水 7d)MPa>O.6抗弯曲性—5%弯曲变形无裂纹渗透压力比%≥100下载后可任意编辑耐碱断裂强力保留值, N/50mm≥750含胶量, %耐碱玻纤网格布≥8耐碱型玻纤网格布≥203、粉聚苯颗粒保温浆料胶粉料性能指标: 项 目 单 位 指 标初凝时间h≥4终凝时间h≤12安定性(蒸煮法)合格拉伸粘结强度(常温 28d)MPa≥O.6浸水拉伸粘结强度(常温 28d, 浸水 7d)MPa≥O.4聚苯颗粒性能指标 项 目 单 位 指 标堆积密度 kg/m3 12.O—21.O粒度(5mm 筛孔筛余) % ≤5胶粉聚苯颗粒保温浆料性能指标 项 目 单 位 指 标湿表现密度 kg/m3 ...

1、当您付费下载文档后,您只拥有了使用权限,并不意味着购买了版权,文档只能用于自身使用,不得用于其他商业用途(如 [转卖]进行直接盈利或[编辑后售卖]进行间接盈利)。
2、本站所有内容均由合作方或网友上传,本站不对文档的完整性、权威性及其观点立场正确性做任何保证或承诺!文档内容仅供研究参考,付费前请自行鉴别。
3、如文档内容存在违规,或者侵犯商业秘密、侵犯著作权等,请点击“违规举报”。

碎片内容

模板内置有网体系样本

您可能关注的文档

确认删除?
VIP
微信客服
  • 扫码咨询
会员Q群
  • 会员专属群点击这里加入QQ群
客服邮箱
回到顶部