电脑桌面
添加小米粒文库到电脑桌面
安装后可以在桌面快捷访问

水闸工程巡视检查表单模板

水闸工程巡视检查表单模板_第1页
1/10
水闸工程巡视检查表单模板_第2页
2/10
水闸工程巡视检查表单模板_第3页
3/10
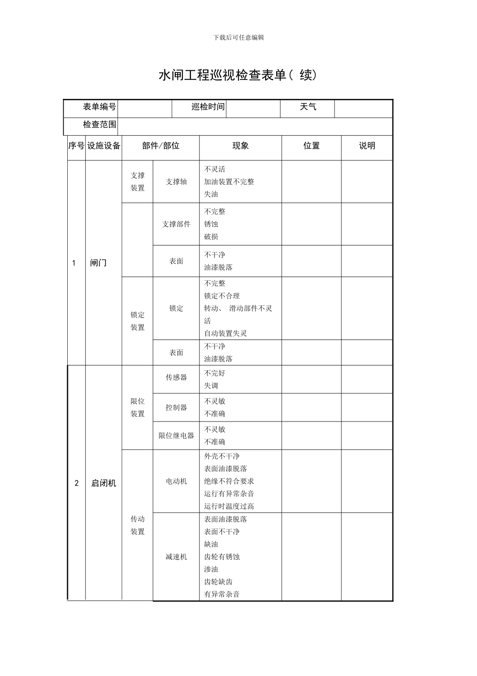
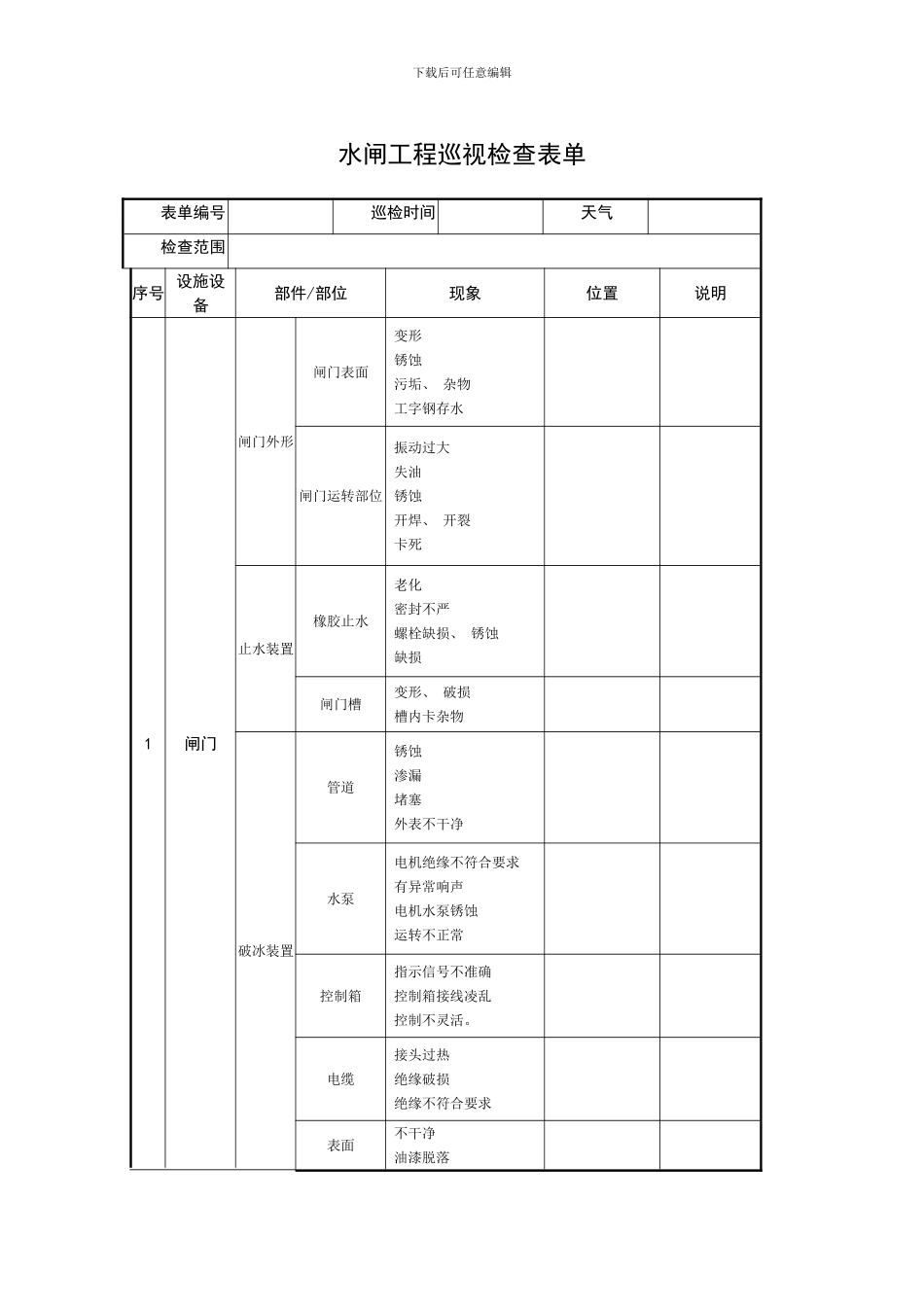
下载后可任意编辑水闸工程巡视检查表单表单编号巡检时间天气检查范围序号 设施设备部件/部位现象位置说明1闸门闸门外形闸门表面变形锈蚀污垢、 杂物工字钢存水闸门运转部位振动过大失油锈蚀开焊、 开裂卡死止水装置橡胶止水老化密封不严螺栓缺损、 锈蚀缺损闸门槽变形、 破损槽内卡杂物破冰装置管道锈蚀渗漏堵塞外表不干净水泵电机绝缘不符合要求有异常响声电机水泵锈蚀运转不正常控制箱指示信号不准确控制箱接线凌乱控制不灵活。电缆接头过热绝缘破损绝缘不符合要求表面不干净油漆脱落下载后可任意编辑下载后可任意编辑水闸工程巡视检查表单( 续) 表单编号巡检时间天气检查范围序号 设施设备部件/部位现象位置说明1闸门支撑装置支撑轴不灵活加油装置不完整失油支撑部件不完整锈蚀破损表面不干净油漆脱落锁定装置锁定不完整锁定不合理转动、 滑动部件不灵活自动装置失灵表面不干净油漆脱落2启闭机限位装置传感器不完好失调控制器不灵敏不准确限位继电器不灵敏不准确传动装置电动机外壳不干净表面油漆脱落绝缘不符合要求运行有异常杂音运行时温度过高减速机表面油漆脱落表面不干净缺油齿轮有锈蚀渗油齿轮缺齿有异常杂音下载后可任意编辑水闸工程巡视检查表单( 续) 表单编号巡检时间天气检查范围序号 设施设备部件/部位现象位置说明2启闭机丝杠失油螺纹有缺损锁定不齐全、 失效变形滑轮锈蚀转动不灵活三角带不齐全磨损减震垫老化缺损制动装置制动轮制动轮有油渍制动片摩擦片有破损定位螺栓不适宜涨紧弹簧调整不适当电磁线圈线圈绝缘不合格线圈直阻不合格钢丝绳整体断丝锈蚀失油打折绳端滚筒和滑轮缠绕不正确固定螺丝松动预绕圈数预绕圈数不符合规定启闭机罩油漆脱落表面不干净锈蚀变形锁扣缺损3远程监控现地监控设备传感器不完好失调变送器数据传输不准确。下载后可任意编辑传输电缆破损控制设备运行不正常水闸工程巡视检查表单( 续) 表单编号巡检时间天气检查范围序号 设施设备部件/部位现象位置说明工作站服务器工作不正常数据传输光缆不能正常传输数据。通讯装置交换机工作不正常4电气系统变压器套管瓷质表面不光洁、 有裂纹打火放电存在电晕现象油位油位不正常防暴玻璃有漏气现象引线接点接点过热, 接点附近未贴 60℃示温腊片热虹吸没有按规定投入运行呼吸器呼吸器的干燥剂变色变压器器身不干净渗油有杂音标识、 标牌缺失不清楚避雷器没有每年试验一次;跌落保险破损瓷表面、 绝缘体有爬弧现象控制箱开关不灵敏指示灯指示不...

1、当您付费下载文档后,您只拥有了使用权限,并不意味着购买了版权,文档只能用于自身使用,不得用于其他商业用途(如 [转卖]进行直接盈利或[编辑后售卖]进行间接盈利)。
2、本站所有内容均由合作方或网友上传,本站不对文档的完整性、权威性及其观点立场正确性做任何保证或承诺!文档内容仅供研究参考,付费前请自行鉴别。
3、如文档内容存在违规,或者侵犯商业秘密、侵犯著作权等,请点击“违规举报”。

碎片内容

水闸工程巡视检查表单模板

确认删除?
VIP
微信客服
  • 扫码咨询
会员Q群
  • 会员专属群点击这里加入QQ群
客服邮箱
回到顶部