电脑桌面
添加小米粒文库到电脑桌面
安装后可以在桌面快捷访问

泵类施工方案模板

泵类施工方案模板_第1页
1/9
泵类施工方案模板_第2页
2/9
泵类施工方案模板_第3页
3/9
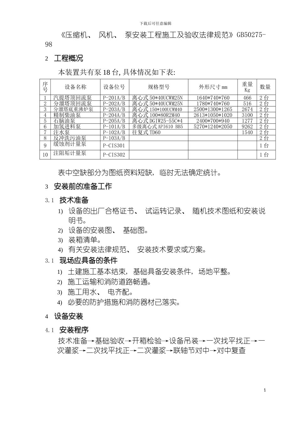
下载后可任意编辑泵类施工方案1目录1编制说明及依据..................................- 1 -2工程概况........................................- 1 -3安装前的准备工作................................- 1 -4设备安装........................................- 2 -5人力计划........................................- 5 -6机具计划........................................- 6 -7施工进度计划....................................- 6 -8质量控制........................................- 7 -9设备防护措施....................................- 7 -10安全技术措施....................................- 8 -11文明施工........................................- 8 -1编制说明及依据1.1 编制说明本方案仅适用于新疆独山子石化千万吨炼油及百万吨乙烯技术改造项目新区炼油第一联合装置 80 万吨/年催焦化柴油加氢精制安装工程中泵类设备的安装工作。1.2 编制依据供货商提供的相关资料业主提供的设备平面图、 基础图《石油化工设备安装工程质量检验评定标准》SH3514- 下载后可任意编辑《压缩机、 风机、 泵安装工程施工及验收法律规范》GB50275-982工程概况本装置共有泵 18 台, 具体情况如下表: 序号设备名称设备位号规格型号外形尺寸 mm重量Kg数量1汽提塔顶回流泵P-201A/B离心式 50*40UCWM25N1640*740*7604662 台2分溜塔顶回流泵P-202A/B离心式 50*40UCWM25N1780*740*7605162 台3分溜塔底重沸炉泵P-203A/B离心式 150*100UCWM402500*1300*126526742 台4精制柴油泵P-204A/B离心式 100*80R2M402613*1050*102031002 台5石脑油泵P-205A/B离心式 DGIW25-55C*42400*700*94012772 台6加氢进料泵P-101A/B多级离心式 API610 BB55270*1240*20509262 2 台7注水泵P-102A/B往复式 TD601540 2 台8反冲洗污油泵P-103A/B2 台9缓蚀剂计量泵P-CIS3011 台10注阻垢计量泵P-CIS3021 台表中空缺部分为图纸资料短缺, 临时无法确定统计。3安装前的准备工作3.1 技术准备1) 设备的出厂合格证书、 试运转记录、 随机技术图纸和安装说明书。2) 设备的安装图、 基础图。3) 装箱清单。4) 有关安装法律规范、 安装技术要求或方案。3.1 现场应具备的条件1) 土建施工基本结束, 基础具备安装条件, 场地平整。2) 施工运输和消防道路畅通。3) 施工用水、 电齐配。4) 必要的防护措施和消防器材已落实。...

1、当您付费下载文档后,您只拥有了使用权限,并不意味着购买了版权,文档只能用于自身使用,不得用于其他商业用途(如 [转卖]进行直接盈利或[编辑后售卖]进行间接盈利)。
2、本站所有内容均由合作方或网友上传,本站不对文档的完整性、权威性及其观点立场正确性做任何保证或承诺!文档内容仅供研究参考,付费前请自行鉴别。
3、如文档内容存在违规,或者侵犯商业秘密、侵犯著作权等,请点击“违规举报”。

碎片内容

泵类施工方案模板

文森传品+ 关注
实名认证
内容提供者

一家传播文化教育的小店,资料丰富,随意挑选。

确认删除?
VIP
微信客服
  • 扫码咨询
会员Q群
  • 会员专属群点击这里加入QQ群
客服邮箱
回到顶部